NPM-D3A 电路图 - 第47页
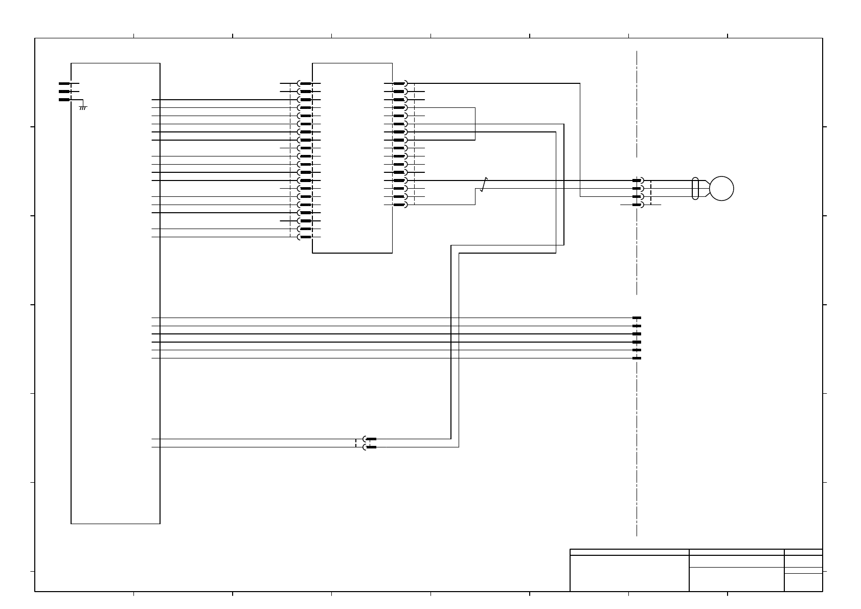
3. LOAD WIRING DIAGRAM 負荷配線図 3-1 MAIN BODY WIRING 本体部配線 EJM6 E B-10-301-01

-T111
MA17G
Eastern
ATX POWER
P
N
E
ACIN(N)
-K304
NBC-7153-01
EBRAINS
J1
1
2
3
4
5
6
7
8
9
10
11
12
13
14
15
16
17
18
19
20
J2
1
2
3
4
5
6
7
8
9
10
11
12
13
14
15
16
FAN
GND
+5V
GND
+5V
GND
PWR_OK
+12V
+3.3V
-12V
GND
GND
GND
GND
+5V
+5V
+3.3V
+3.3V
GND
+5V
GND
+5V
GND
P_OK
+5VSB
+12V
+3.3V
-12V
GND
PS_ON
GND
GND
GND
-5V
+5V
+5V
GND
PRST#
GND
FAL#
GND
DEG#
GND
PW_OK
GND
PS_ON
+5V
+5VSB
+12V
-12V
+3.3V
GND
GND
GND
+12V
GND
+12V
+12V
ACIN(L)
GND
CN1
FAN_M
COM
M
-G103
109P0812H7D11
BN
YE
BK
Sanyo Denki
2
CviLUX
P1
CP-01120030
20
19
18
17
16
15
14
13
12
11
10
9
8
7
6
5
4
3
2
1
BK
BK
BK
BK
BK
BK
BK
RD
RD
RD
RD
YE
OR
BU
OMRON
J2
XG5M-1632-N
1
2
3
4
5
6
7
8
9
10
11
12
13
14
15
16
UL3385 24AWG BU BU
UL3385 24AWG GN GN
UL3385 24AWG BK BK
UL3385 24AWG BN BN
MOLEX
CN4
5559-04P-210
4
3
2
1
UL3385 24AWG BK BK
MOLEX
CN4
5557-04R-210
4
3
2
1
MOLEX
P3
5559-02P-210
2
1
MOLEX
P3
5557-02R-210
2
1
MOLEX
P2
5559-06P-210
6
5
4
3
2
1
BK
BK
BK
GY
YE
YE
YE
Panasonic Smart Factory Solutions Co.,Ltd. パナソニック スマートファクトリーソリューションズ株式会社
Name
Drawing No.
Loc. No.
F4K1020-05A
1
2 3 4 5 6 7 8
A
B
C
D
E
F
1 2 3 4 5 6 7 8
A
B
C
D
E
F
Page. No.
CPU_BOX
(ATX POWER connecting)
MTKA007214+003AA
P003

3.
LOAD WIRING DIAGRAM
負荷配線図
3-1 MAIN BODY WIRING
本体部配線
EJM6EB-10-301-01