NPM-D3A 电路图 - 第63页
-K328 PNF0A5 Panel Control Board CN10 +12VD-OUT 12G IN1 12 1 2 OUT1 IN2 OUT2 IN3 OUT3 5 3 6 4 10 IN4 7 OUT4 IN5 11 8 IN6 9 N610159658AE BU/WH BU BN/WH BN YE/WH YE GN/WH GN BK/WH BK RD/WH RD UL2464 (SPV840) 6P×24AWG(11/0.…

Touch Panel (Rear)
1
2
3
4
5
6
7
8
9
1
2
3
4
5
6
CD
TD
RD
DSR
GND
DTR
CTS
RTS
N.C
FG
12V
GND
FG
12V
GND
CN2(RS-232C)
CN3(POWER)
CN3
ANALOG_RED
GND
ANALOG_GREEN
GND
ANALOG_BLUE
GND
ANALOG_HORZ_SYNC
DDC DATA_A
ANALOG_VERT_SYNC
DDC CLOCK_A
POWER +5V
GND
GND
-K328
PNF0A5
Panel Control Board
CN6
N.C
RXD
TXD
N.C
GND
N.C
N.C
1
2
3
4
5
6
FG
+12V
GND
FG
+12V
GND
CN9
N510065904AA
N610159629AD
N610159630AD N610112959AD
UL#24 80/300-0.2mm2
BU
CN1(DVI)
ANALOG_RED
ANALOG_GREEN
ANALOG_BLUE
ANALOG_GND
ANALOG_HORZ_SYNC
DDC DATA_A
ANALOG_VERT_SYNC
DDC CLOCK_A
POWER +5V
HOT_PLUG_DETECT
GND(+5V,HV-SYNC)
CN3K328(R)
1
6
2
7
3
8
13
12
14
15
9
5
10
4
11
11
4
10
5
9
15
14
12
13
8
3
7
2
6
1
JAE
CN6K328
DEU-9PF-F0
9
8
7
6
5
4
3
2
1
MOLEX
CN9K328
5557-06R-210
6
5
4
3
2
1
MOLEX
DC12R-R
5557-06R-210
6
5
4
3
2
1
MOLEX
DC12R-P
5559-06P-210
6
5
4
3
2
1
MOLEX
CN3A04
5557-06R-210
6
5
4
3
2
1
JAE
CN2A04
DEU-9SF-F0
9
8
7
6
5
4
3
2
1
CN1A04
15
16
14
6
8
7
C4
C5
C3
C2
C1
YE
OG
VT
RD
WH
GY
BU
RD
GN
DVI A VGA CABLE L=3.1M TAK
C1
C2
C3
C5
C4
7
8
6
14
16
15
BK/WH
BK
RD/WH
RD
UL2464-SB(SPV856) 2P×24AWG(11/0.16TA) LF BK
BK/WH
BK
RD/WH
RD
UL2464-SB(SPV857) 2P×22AWG(17/0.16TA) LF BK
BK/WH
BK
RD/WH
RD
UL2464-SB(SPV857) 2P×22AWG(17/0.16TA) LF BK
9
8
7
6
5
4
3
2
1
-A04
R08RP4
Topre
Note1) Connector Pin arrangement is not sequential.
Note1)
Note1)
4
5
5
R08RP2
3
5
2464C(BPF)VSVP AWG#24×2P-B
5
2464C(BPF)VSVP AWG#22×2P-B
5
2464C(BPF)VSVP AWG#22×2P-B
5
Panasonic Smart Factory Solutions Co.,Ltd. パナソニック スマートファクトリーソリューションズ株式会社
Name
Drawing No.
Loc. No.
F4K1020-05A
1
2 3 4 5 6 7 8
A
B
C
D
E
F
1 2 3 4 5 6 7 8
A
B
C
D
E
F
Page. No.
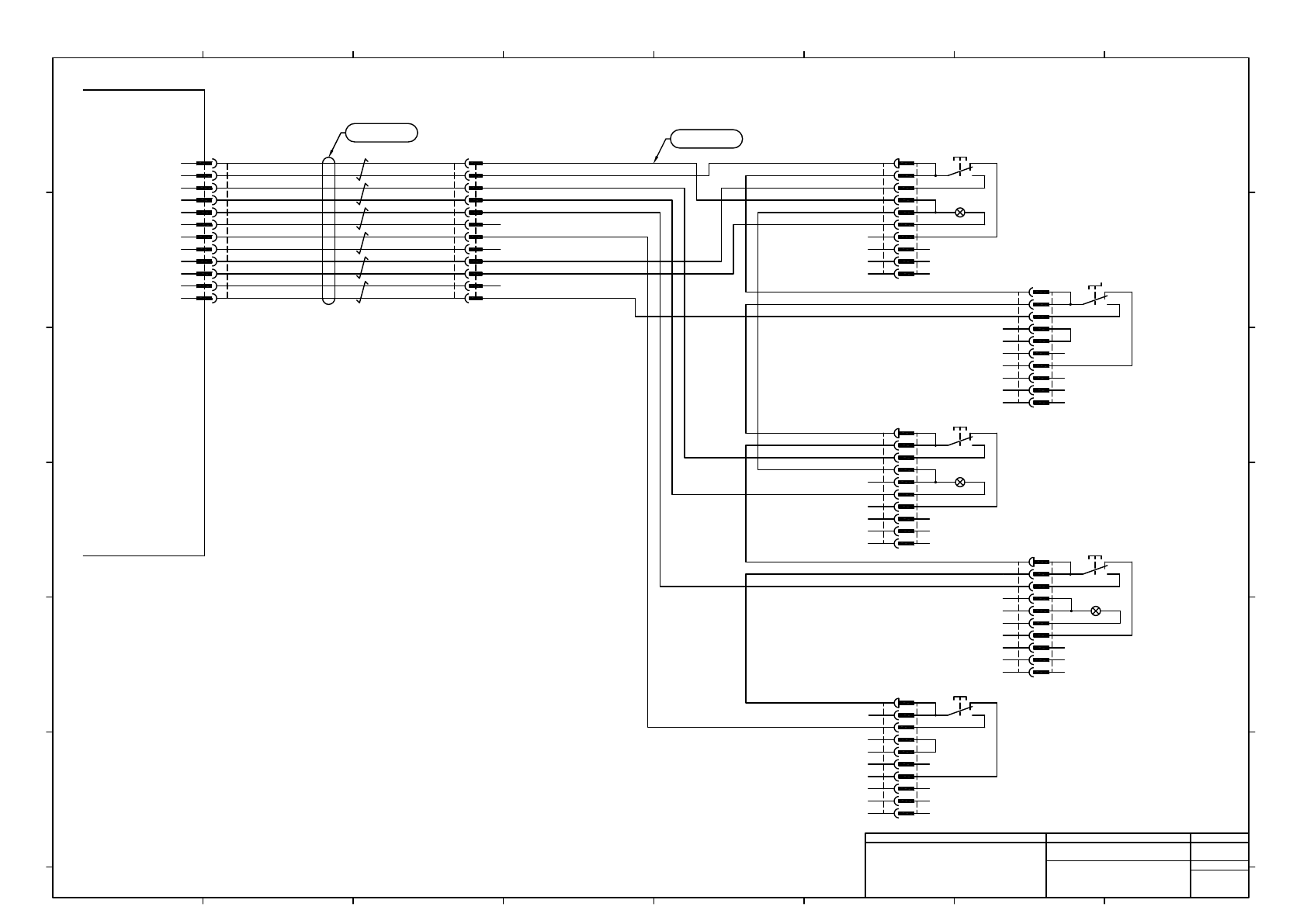
Main Body Wiring : NPM-D3
(Touch Panel Wiring 3)
N610159580+015AF
P015

-K328
PNF0A5
Panel
Control Board
CN10
+12VD-OUT
12G
IN1
12
1
2
OUT1
IN2
OUT2
IN3
OUT3
5
3
6
4
10
IN4
7
OUT4
IN5
11
8
IN6
9
N610159658AE
BU/WH
BU
BN/WH
BN
YE/WH
YE
GN/WH
GN
BK/WH
BK
RD/WH
RD
UL2464 (SPV840) 6P×24AWG(11/0.16TA) LF BK
MOLEX
CN10K328
43025-1200
12
1
2
5
3
6
4
10
7
11
8
9
MOLEX
CN1K329
43025-1200
9
8
11
7
10
4
6
3
5
2
1
12
Note1) Note1)
2464C(BPF)VVP AWG#24×6P-B
5
4 5
MOLEX
CN1K329P
43020-1200
12
1
2
5
3
6
4
10
7
11
9
UL#24 80/300-0.2mm2 BU BU
1
2
3
JST
S103R
PAP-10V-S
4
5
6
7
8
9
10
1
2
3
JST
S101R
PAP-10V-S
4
5
6
7
8
9
10
1
2
3
JST
K329_1R
PAP-10V-S
4
5
6
7
8
9
10
1
2
3
JST
K329_2R
PAP-10V-S
4
5
6
7
8
9
10
1
2
3
JST
K329_3R
PAP-10V-S
4
5
6
7
8
9
10
UL#24 80/300-0.2mm2 BU BU
UL#24 80/300-0.2mm2 BU BU
UL#24 80/300-0.2mm2 BU BU
UL#24 80/300-0.2mm2 BU BU
UL#24 80/300-0.2mm2 BU BU
UL#24 80/300-0.2mm2 BU BU
UL#24 80/300-0.2mm2 BU BU
UL#24 80/300-0.2mm2 BU BU
UL#24 80/300-0.2mm2 BU BU
UL#24 80/300-0.2mm2 BU BU
UL#24 80/300-0.2mm2 BU BU
UL#24 80/300-0.2mm2 BU BU
UL#24 80/300-0.2mm2 BU BU
Front
EXCHANGE SW
1
2
3
4
5
6
7
8
9
10
B10B-PASK
A3UL-TBU-2A1C-M-SP4
OMRON
-S103
Front
SELECT SW
1
2
3
4
5
6
7
8
9
10
B10B-PASK
JST
A3UL-TBU-2A1C-M-SP2
OMRON
-K329_1
Front
STOP SW
1
2
3
4
5
6
7
8
9
10
B10B-PASK
JST
A3U-TBK-A1C-M-P5
OMRON
-K329_3
1
2
3
4
5
6
7
8
9
10
B10B-PASK
JST
A3US-SB-2M-AC
OMRON
-S101
Front
SERVO SW
A3UL-TBU-2A1C-M-SP1
OMRON
-K329_2
JST
B10B-PASK
1
2
3
4
5
6
7
8
9
10
Front
ACTIVATION SW
MTKC021301AC
6
6
6
6
6
6
Note1) Connector Pin arrangement is not sequential.
8
Panasonic Smart Factory Solutions Co.,Ltd. パナソニック スマートファクトリーソリューションズ株式会社
Name
Drawing No.
Loc. No.
F4K1020-05A
1
2 3 4 5 6 7 8
A
B
C
D
E
F
1 2 3 4 5 6 7 8
A
B
C
D
E
F
Page. No.
Main Body Wiring : NPM-D3
(Servo Switch Wiring Front)
N610159580+016AG
P016

CN12
N610159631AD
+12VD-OUT
12G
IN1
12
1
2
OUT1
IN2
OUT2
IN3
OUT3
5
3
6
4
10
IN4
7
OUT4
IN5
11
8
IN6
9
BU/WH
BU
BN/WH
BN
YE/WH
YE
GN/WH
GN
BK/WH
BK
RD/WH
RD
UL2464 (SPV840) 6P×24AWG(11/0.16TA) LF BK
MOLEX
CN12K328
43025-1200
12
1
2
5
3
6
4
10
7
11
8
9
MOLEX
CN1K330
43025-1200
9
8
11
7
10
4
6
3
5
2
1
12
-K328
PNF0A5
Panel
Control Board
Note1) Note1)
4
2464C(BPF)VVP AWG#24×6P-B
4
3
MOLEX
CN1K330P
43020-1200
12
1
2
5
3
6
4
10
7
11
8
9
1
2
3
JST
S113R
PAP-10V-S
4
5
6
7
8
9
10
1
2
3
JST
S111R
PAP-10V-S
4
5
6
7
8
9
10
1
2
3
JST
K330_1R
PAP-10V-S
4
5
6
7
8
9
10
1
2
3
JST
K330_2R
PAP-10V-S
4
5
6
7
8
9
10
1
2
3
JST
K330_3R
PAP-10V-S
4
5
6
7
8
9
10
Rear
EXCHANGE SW
1
2
3
4
5
6
7
8
9
10
B10B-PASK
A3UL-TBU-2A1C-M-SP4
OMRON
-S113
Rear
SELECT SW
1
2
3
4
5
6
7
8
9
10
B10B-PASK
JST
A3UL-TBU-2A1C-M-SP2
OMRON
-K330_1
Rear
STOP SW
1
2
3
4
5
6
7
8
9
10
B10B-PASK
JST
A3U-TBK-A1C-M-P5
OMRON
-K330_3
1
2
3
4
5
6
7
8
9
10
B10B-PASK
JST
A3US-SB-2M-AC
OMRON
-S111
Rear
SERVO SW
A3UL-TBU-2A1C-M-SP1
OMRON
-K330_2
JST
B10B-PASK
1
2
3
4
5
6
7
8
9
10
Rear
ACTIVATION SW
MTKC021302AC
5
5
5
5
5
5
Note1) Connector Pin arrangement is not sequential.
UL#24 80/300-0.2mm2 BU BU
UL#24 80/300-0.2mm2 BU BU
UL#24 80/300-0.2mm2 BU BU
UL#24 80/300-0.2mm2 BU BU
UL#24 80/300-0.2mm2 BU BU
UL#24 80/300-0.2mm2 BU BU
UL#24 80/300-0.2mm2 BU BU
UL#24 80/300-0.2mm2 BU BU
UL#24 80/300-0.2mm2 BU BU
UL#24 80/300-0.2mm2 BU BU
UL#24 80/300-0.2mm2 BU BU
UL#24 80/300-0.2mm2 BU BU
UL#24 80/300-0.2mm2 BU BU
UL#24 80/300-0.2mm2 BU BU
Panasonic Smart Factory Solutions Co.,Ltd. パナソニック スマートファクトリーソリューションズ株式会社
Name
Drawing No.
Loc. No.
F4K1020-05A
1
2 3 4 5 6 7 8
A
B
C
D
E
F
1 2 3 4 5 6 7 8
A
B
C
D
E
F
Page. No.
Main Body Wiring : NPM-D3
(Servo Switch Wiring Rear)
N610159580+017AF
P017