NPM-D3A 电路图 - 第74页
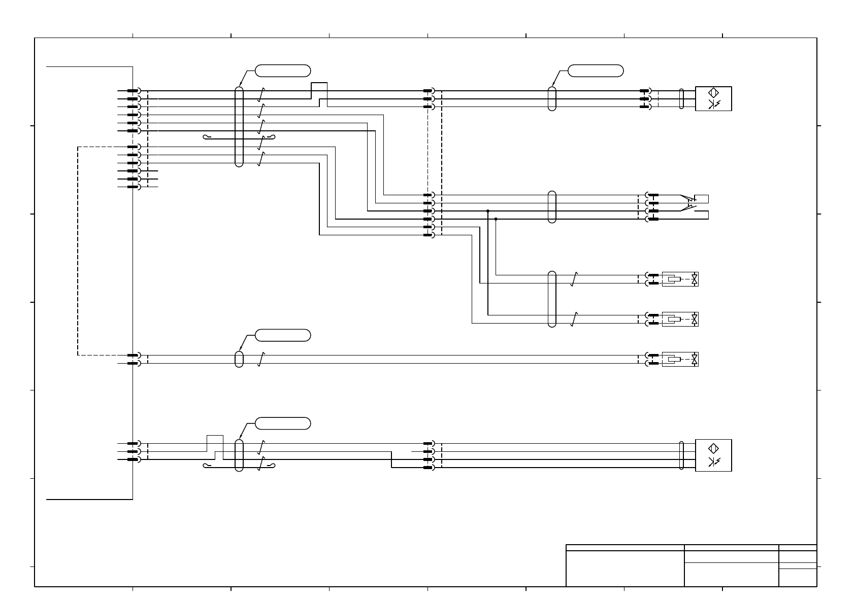
-K322 PNF0B3 I/O Board -B1210 D-M9N BN BK BU SMC Front Cart lock Release Confirmation Front Dust Box Detection -B1212 EE-SX914-C2J-R 0.5M BN BK WH BU OMRON Front Cart Setting Check -S3211 D4N-9122 11 12 13 14 1 2 3 4 OMR…

For
Tray Unit
(-A51)
(Rear)
For
Cart Unit
(-A32)
(Rear)
FG
FG
N610074645**:Feeder Cart Changing Unit(H):NPM
JAE
CART.RP
DM1P016SA1
2
1
10
9
7
15
11
12
3
4
16
13
5
6
14
8
JAE
CART.R
DM1R016PA1
8
14
6
5
13
16
4
3
12
11
15
7
9
10
1
2
MOLEX
TRAY.SR
51238-2011
D5
D4
D3
C5
C4
B5
B3
B2
A3
A2
B1
A4
B4
A5
A1
C3
D2
D1
C2
C1
JAE
CART.RR
DM1R016PA1
8
14
6
5
13
16
4
3
12
11
15
7
9
10
1
2
UL#24 80/300-0.2mm2
BU
UL#20 80/300-0.5mm2
BU
UL#20 80/300-0.5mm2
BU
UL#20 80/300-0.5mm2
BU
UL#20 80/300-0.5mm2
BU
UL#20 80/300-0.5mm2
BU
UL#20 80/300-0.5mm2
BU
UL#24 80/300-0.2mm2
BU
UL#24 80/300-0.2mm2
BU
UL#24 80/300-0.2mm2
BU
UL#24 80/300-0.2mm2
BU
UL#24 80/300-0.2mm2
BU
UL#24 80/300-0.2mm2
BU
UL#24 80/300-0.2mm2
BU
UL#24 80/300-0.2mm2
BU
UL#20 80/300-0.5mm2
BK
UL#20 80/300-0.5mm2
BK
N610159594AE
GY/WH
GY
BU/WH
BU
BN/WH
BN
YE/WH
YE
GN/YE
GN
BK/WH
BK
RD/WH
RD
CART2
TXD+
TXD-
RXD+
1
2
3
RXD-
GND
IN111
4
5
6
IN045
7
8
9
10
11
12
13
14
SVONSW2
24GND
CHECK2a
-A02
Power Unit 1
P24
G24
P24
G24
UL2464 (SPV840) 7P×24AWG(11/0.16TA) LF BK
15
16
CHECK2b
FG
MOLEX
CART2A02
5557-16R-210
1
2
3
4
5
6
7
8
9
10
11
12
13
14
15
16
TRAY.EP
1
2
SF24V
Tray SF24V
BN/WH
BN
YE/WH
YE
GN/YE
GN
BK/WH
BK
RD/WH
RD
MOLEX
TRAY.ER
5557-02R-210
2
1
BU/WH
BU
UL2464 (SPV840) 6P×24AWG(11/0.16TA) LF BK
RXD+
RXD-
TXD+
TXD-
GND
24G
CNCHK(24G)
SRVIN
+24V
EMGHST
FG
P24
G24
P24
G24
RX1+
RX1-
TX1+
TX1-
GND
G24
DT-
Note1) Connector Pin arrangement is not sequential.
Note1)
Note1) Note1) Note1)
2
2464C(BPF)VVP AWG#24×7P-B
3
4
2464C(BPF)VVP AWG#24×6P-B
4
4
2464-1061/ⅡA(PF) LF 7P×24AWG
2
2464-1061/ⅡA(PF) LF 6P×24AWG
2
Panasonic Smart Factory Solutions Co.,Ltd. パナソニック スマートファクトリーソリューションズ株式会社
Name
Drawing No.
Loc. No.
F4K1020-05A
1
2 3 4 5 6 7 8
A
B
C
D
E
F
1 2 3 4 5 6 7 8
A
B
C
D
E
F
Page. No.
Main Body Wiring : NPM-D3
(Cart I/F Rear)
N610159580+026AE
P026

-K322
PNF0B3
I/O Board
-B1210
D-M9N
BN
BK
BU
SMC
Front Cart lock
Release Confirmation
Front Dust Box Detection
-B1212
EE-SX914-C2J-R 0.5M
BN
BK
WH
BU
OMRON
Front Cart Setting Check
-S3211
D4N-9122
11 12
13 14
1
2
3
4
OMRON
-R4200
4GA130R-M5-A2NS-FL630985-3-ST
CKD
Front Cart Lock
-R4201
4GA130R-M5-A2NS-FL630985-3-ST
CKD
Front Cart Lock Release
CNDUSTF
CNTCF
-R4202
4GA130R-M5-A2NS-FL630985-3-ST
CKD
Front Tape Cutter
N610159659AD
N610159660AF
N610159661AD
24VOUT
IN212
24GND
1
2
3
OT202
1
2
AMP
B1210R
177899-1
3
2
1
AMP
B1210P
177907-1
3
2
1
CKD
R4200
4GR-SOCKET-E-100-FL644151
-
+
OMRON
S3211
XS2F-D421-D80-A
4
3
2
1
CKD
R4201
4GR-SOCKET-E-100-FL644151
-
+
CKD
R4202
4GR-SOCKET-E-100-FL644151
-
+
AMP
B1212R
177900-1
4
3
2
1
AMP
B1212P
177908-1
4
3
2
1
AMP
CNDUSTFR
177899-1
3
2
1
AMP
CNTCFR
177898-1
2
1
WH
BN
BK
BU
XS2F-D421-D80-A
BK/WH
BK
UL2464 (SPV840) 1P×24AWG(11/0.16TA) LF BK
BK/WH
BK
RD/WH
RD
UL2464 (SPV840) 2P×24AWG(11/0.16TA) LF BK
UL2464 (SPV840) 5P×24AWG(11/0.16TA) LF BK
BN/WH
BN
YE/WH
YE
GN/WH
GN
BK/WH
BK
RD/WH
RD
AMP
1B1210P
177911-1
9
8
7
6
5
4
3
2
1
AMP
1B1210R
177903-1
9
8
7
6
5
4
3
2
1
N610112990AD
UL2464VV1007 3CXAWG24 クロ
WH
OG
GY
CNCLF
1
3
2
7
6
8
5
4
9
10
11
12
24VOUT
24GND
IN210
IN211
24VOUT
24GND
OT200
OT201
NC
NC
NC
AMP
CNCLFK322
177905-1
1
3
2
7
6
8
5
4
9
10
11
12
Note1) Connector Pin arrangement is not sequential.
Note1)
2464C(BPF)VVP AWG#24×5P-B
5
5
2464C(BPF)VVP AWG#24×1P-B
5
2464C(BPF)VVP AWG#24×2P-B
5
3
5
4
4
4
4
4
5
4
4
4
BK/WH
BK
RD/WH
RD
2464C(BPF)VVP AWG#24×2P-B
Panasonic Smart Factory Solutions Co.,Ltd. パナソニック スマートファクトリーソリューションズ株式会社
Name
Drawing No.
Loc. No.
F4K1020-05A
1
2 3 4 5 6 7 8
A
B
C
D
E
F
1 2 3 4 5 6 7 8
A
B
C
D
E
F
Page. No.
Main Body Wiring : NPM-D3
(Cart Sensor Front)
N610159580+027AF
P027

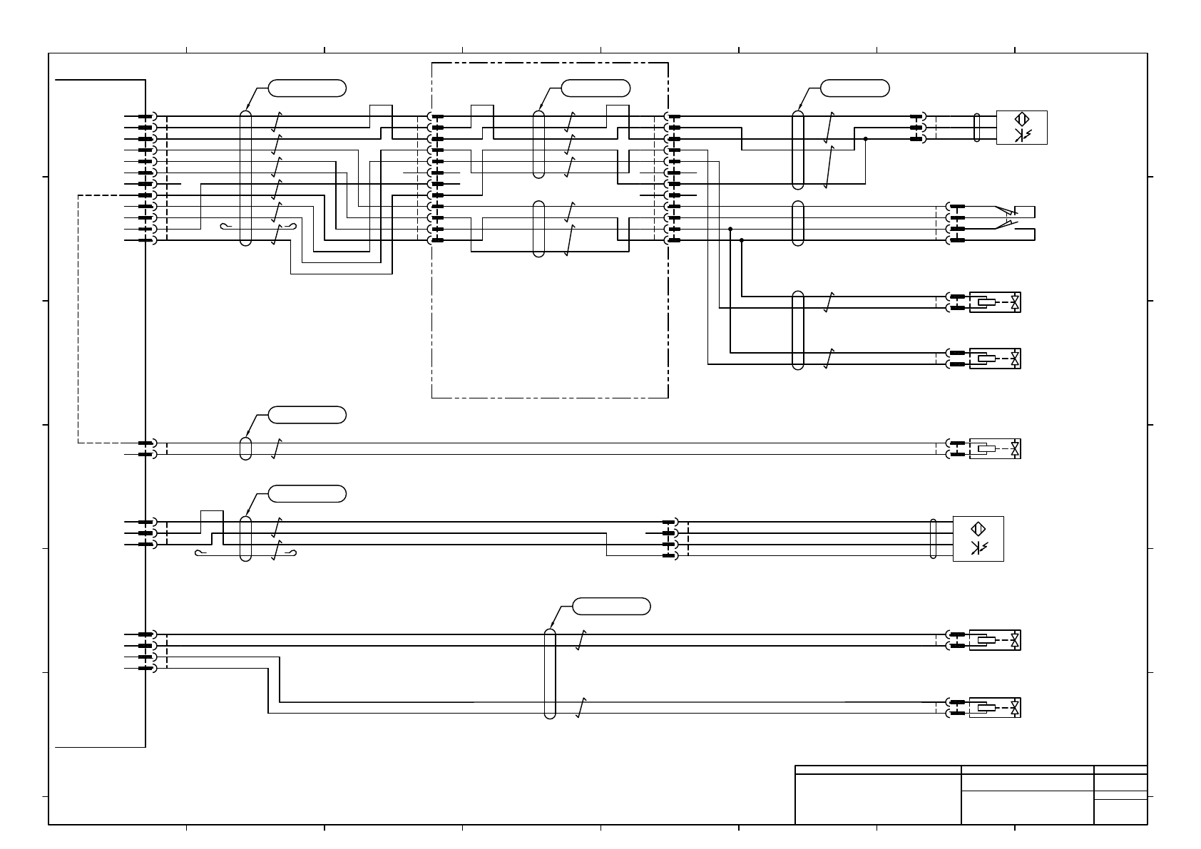
-B1216
D-M9N
BN
BK
BU
SMC
-K322
PNF0B3
I/O Board
-B1222
EE-SX914-C2J-R 0.5M
BN
BK
WH
BU
OMRON
Rear Cart Lock
Release
Confirmation
Rear Dust Box Detection
-S3217
D4N-9122
11 12
13 14
1
2
3
4
OMRON
Rear Cart
Setting
Check
-R4210
4GA130R-M5-A2NS-FL630985-3-ST
CKD
Rear Cart Lock
Rear Cart Lock Release
CNCLR
CNTCR
CNDUSTR
-R4212
4GA130R-M5-A2NS-FL630985-3-ST
CKD
Rear Tape Cutter
N610112857**
Feeder Cart Changing Unit(OPTION)
N610159669AF
N610159670AD
N610159668AD
24VOUT
24GND
IN216
IN217
24VOUT
24GND
N.C.
OT210
OT211
IN214
IN215
OT212
1
2
24VOUT
IN222
24GND
1
2
3
1
3
2
7
6
8
4
5
9
10
11
12
CKD
R4210
4GR-SOCKET-E-100-FL644151
-
+
AMP
CNTCRR
177898-1
2
1
AMP
CNCLRK322
177905-1
1
3
2
7
6
8
4
5
9
10
11
12
AMP
CNDUSTRR
177899-1
3
2
1
AMP
B1222R
177900-1
4
3
2
1
MOLEX
1B1216P
55836-1271
A1
A2
A3
A4
B1
B3
B4
C1
C2
C3
C4
AMP
B1216R
177899-1
3
2
1
MOLEX
1B1216R
51238-1212
C4
C3
C2
C1
B4
B3
B1
A4
A3
A2
A1
AMP
B1216P
177907-1
3
2
1
OMRON
S3217
XS2F-D421-D80-A
4
3
2
1
AMP
B1222P
177908-1
4
3
2
1
CKD
R4211
4GR-SOCKET-E-100-FL644151
-
+
CKD
R4212
4GR-SOCKET-E-100-FL644151
-
+
s
s
BK/WH
BK
RD/WH
RD
UL2464 (SPV840) 2P×24AWG(11/0.16TA) LF BK
BK/WH
BK
UL2464 (SPV840) 1P×24AWG(11/0.16TA) LF BK
BU/WH
BU
BN/WH
BN
YE/WH
YE
GN/WH
GN
BK/WH
BK
RD/WH
RD
UL2464 (SPV840)
6P×24AWG(11/0.16TA) LF BK
BK/WH
BK
RD/WH
RD
U-TKVV 2P-AWG20
2464C(BPF)VVP AWG#24×3P-B
GN/WH
GN
BK/WH
BK
RD/WH
RD
BK/WH
BK
RD/WH
RD
WH
BN
BK
BU
XS2F-D421-D80-A
B2
MOLEX
1B1216P
55836-1271
A1
A2
A3
A4
B1
B3
B4
C1
C2
C3
C4
MOLEX
1B1216R
51238-1212
C4
C3
C2
C1
B4
B3
B1
A4
A3
A2
A1
s
s
B2
B2 B2
Front Blow Switch Valve
-R4230
VQZ212-5MOZ1-M5-X550
SMC
-R4234
VQZ212-5MOZ1-M5-X550
SMC
Rear Blow Switch Valve
CNBLOW
N610159634AD
24VOUT
1
OT230
2
24VOUT
3
OT234
4
BK/WH
BK
RD/WH
RD
MOLEX
CNBLOW
43025-0400
4
3
2
1
SMC
R4230
SY100-29-1
-
+
SMC
R4234
SY100-29-1
-
+
UL2464 (SPV840) 2P×24AWG(11/0.16TA) LF BK
Note1) Connector Pin arrangement is not sequential.
Note1)
N610113079AC
-R4211
4GA130R-M5-A2NS-FL630985-3-ST
CKD
2464C(BPF)VVP AWG#24×6P-B
5
2464C(BPF)VVP AWG#24×1P-B
2464C(BPF)VVP AWG#24×2P-B
2464C(BPF)VVP AWG#24×2P-B
3
5
3
5
5
5
5
4
5
4
4
4
4
4
4
5
BK/WH
BK
RD/WH
RD
2464C(BPF)VVP AWG#24×2P-B
N610112994AE
4
2464C(BPF)VVP AWG#24×2P-B
Panasonic Smart Factory Solutions Co.,Ltd. パナソニック スマートファクトリーソリューションズ株式会社
Name
Drawing No.
Loc. No.
F4K1020-05A
1
2 3 4 5 6 7 8
A
B
C
D
E
F
1 2 3 4 5 6 7 8
A
B
C
D
E
F
Page. No.
Main Body Wiring : NPM-D3
(Cart Sensor Rear)
N610159580+028AF
P028