ywf_kgp_e.pdf - 第5页
PAGE 3 YWF (KGP) Power circuit P40 I/O CONVEYOR BOARD ASSY KGK-M4580-xxx CN44 CN49 1 2 3 4 5 6 1 2 3 4 5 6 1 2 3 4 5 6 1 2 3 4 5 6 +24E 0V 0V +24V 0V +24V TFCN2 I/O HEAD(CN28) See KGK 0V +24V 1 2 1 …

PAGE 2
YWF (KGP)
Emergency circuit
1
2
1
2
MAIN MACHINE YWF
PANEL Z-AXIS
I/O CONVEYOR BOARD ASSY
P40
KGK-M4580-xxx
CN37
See KGK
EMG
DI/DO
TF SET
EMG10
EMG11
EMG11
EMG12
EMG10
EMG11
EMG11
EMG12
A15
B14B14
A15
A16A16
B15B15
A1A1
B20B20
EMG10
EMG11
EMG10
EMG11
36
37
1
2
36
37
1
2
1
2
1
2
EMG S/W
SB11
EMG
EMG/STP
LIMIT SW
SQ29
1
2
1
2
I/O TF UNIT ASSY
+24E
+24V
P1
CN1
KGK-M4590-xxx
0V
0V
0V
0V
+24E
+24E
+24V
+24V
0V
0V
0V
0V
+24E
+24E
+24V
+24V
1
2
3
4
5
6
7
8
1
2
3
4
5
6
7
8
1
2
3
4
5
6
7
8
1
2
3
4
5
6
7
8
DC24V
+24V
+24V
+24E
+24E
0V
+24V
+24E
0V
0V
+24V
0V
+24E
1
2
1
2
1
2
1
2
1
2
1
2
1
2
1
2
1
2
1
2
COVER COVER
SAFETY
BRAKE
COVER SW
SQ21
BRAKE OFF
SB15
+24V
BRK OFF
11
22
KA1
0V
N00836
T00326
T00325 +24E
T00325A
+24E
+24EA
+24EA
BRAKE
T00325A
TOO325A
BRAKE
1
2
1
2
1
2
1
2
BRAKE
YV22
LZ-BRAKE
DOOR LOCK
See Page 3
KA2
S11
See Page 3See Page 3
A2
A1 1
10
LZU52
LZV52
LZW52
LZW50
LZV50
LZU50
LZW51
LZV51
LZU51
N00836
+24V
3
2
4
12
11
5
14
15
6
8
9
7
1
2
3
4
5
6
8
7
9
10
11
12
13
14
15
16

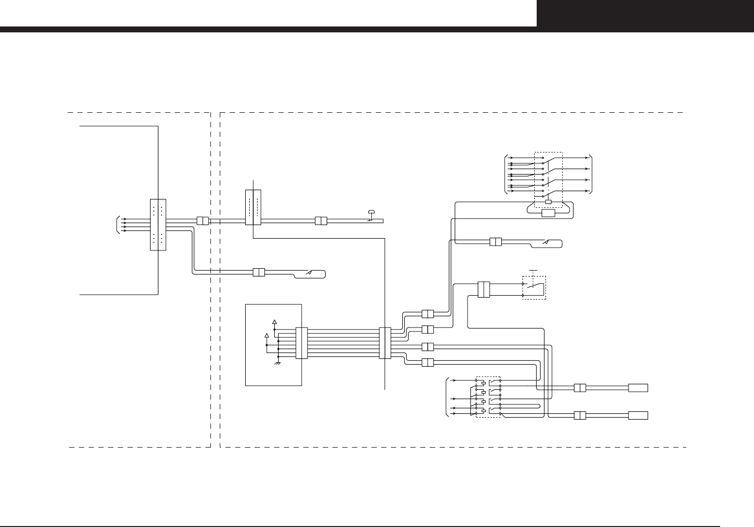
PAGE 3
YWF (KGP)
Power circuit
P40
I/O CONVEYOR BOARD ASSY
KGK-M4580-xxx
CN44
CN49
1
2
3
4
5
6
1
2
3
4
5
6
1
2
3
4
5
6
1
2
3
4
5
6
+24E
0V
0V
+24V
0V
+24V
TFCN2
I/O HEAD(CN28)
See KGK
0V
+24V
1
2
1
2
KGK-M4590-xxx
I/O TF UNIT ASSY
YWFMAIN MACHINE
CN2
P1
TFCN2
1
2
3
4
1
2
3
4
0V
0V
+24E
+24V
+24E
0V
0V
+24V
DC24V for SENSOR,SOLENOID VALVE
See page KGP EMERGENCY CIRCUIT DIAGRAM

PAGE 4
Wiring parts list
KGP-0305
No Part No. Part Name Q'ty Remarks No Part No. Part Name Q'ty Remarks
1KGP-M669J-01X HNS,DO STAGE 1 J613 39 KGP-M664A-01X HNS,TF I/O CMN 1 J661
2 KGP-M669K-02X HNS,DI HOOK.PALETTE 1 J614 40 KGP-M663F-00X HNS,TF SET LIMIT SW 1 J670
3 KGP-M669L-01X HNS,DO PUSH UP 1 J615 41 KGP-M668G-00X HNS,PANEL DIO 1 J671
4 KGP-M669M-01X HNS,DIO PALETTE IND. 1 J616 42 KW6-M666E-00X HNS,DC24V 1 J672
5 KGP-M669N-01X HNS,DIO PALETTE.HOOK 1 J617 43 KGP-M668E-00X HNS,PALETTE LAMP DIO 1 J673
6 KGP-M669F-00X HNS,POWER 1 J618 44 KW6-M666A-00X HNS,MO LZ 1 J674
7 KGP-M669G-03X HNS,DI HEAD/STATION 1 J619 45 KW6-M665L-00X HNS,PI LZ.PANEL 1 J675
8 KGP-M669H-01X HNS,DO HEAD 1 J620 46 KGP-M668J-00X HNS,DIO RELAY 1 J676
9 KGP-M666H-00X HNS,MO5 1 J622 47 KGP-M668K-00X HNS,DI LZ-FLEX 1 J677
10 KGP-M666J-00X HNS,MO6 1 J623 48 KGP-M668L-01X HNS,LZ-BRAKE 1 J678
11 KGP-M665A-00X HNS,PI4 1 J624 49 KGP-M668H-00X HNS,DOOR LOOK 1 J679
12 KGP-M665E-00X HNS,PI5 1 J625 50 KGP-M667A-00X HNS,DOOR S/W 1 J680
13 KGP-M665F-01X HNS,PI6 1 J626 51 KV9-M668L-00X HNS 8-8(DB) 3 J681~J683
14 KGP-M66F0-00X C.CABLE ASSY 1 J627 52 KV9-M661N-00X HNS,KA2 MOTOR 1 J684
15 KGK-M66N1-00X HNS,LIGHT1 1 J628 53 KH6-M668M-10X HNS,SELECT SW 1 J685
16 KGP-M665G-00X HNS,PI LT 1 J629 54 KH6-M668W-00X HNS,LAMP 1 J686
17 KGP-M665H-00X HNS,PI LR 1 J630 55 KH1-M667G-01X HNS,EMG SW 1 J687
18 KGP-M668A-01X HNS,DIO T-FLEX 1 J631 56 KK1-M667A-01X HNS,COVER LIMIT 1 J688
19 KGP-M669A-00X HNS,DI H-FLEX 1 J632 57 KGP-M66U9-00X HNS,BRAKE OFF SW 1 J689
20 KW6-M669F-00X HNS,DIO X-FLEX 1 J633 58 KGP-M669U-01X HNS,I/O CONV.TF SET 1 J690
21 KGP-M669E-00X HNS,DIO Y-FLEX 1 J634 59 KGP-M669V-00X HNS,I/O CONV.TF EMG 1 J691
22 KW6-M669R-00X HNS,DIO PALETTE 1 J635 60 KGP-M66N2-00X HNS,LIGHT2 1 J692
23 KGP-M666K-00X HNS,LRM LPM T-FLEX 1 J636 61 KV7-M66N2-00X HNS,LIGHT2 1 J693
24 KW6-M666M-00X HNS,MO X-FLEX LY 1 J637 62 KGP-M66N1-00X HNS,LIGHT1 1 J694
25 KGP-M665K-00X HNS,PI LH 1 J638 63 KGP-M66N3-00X HNS,LIGHT3 1 J695
26 KW6-M665G-00X HNS,PI LZ 1 J639 64 KV7-M66N8-01X HNS,LIGHT8 1 J696
27 KW6-M665H-00X HNS,PI T-FLEX LP/LR 1 J641 65 KV7-M66N5-00X HNS,LIGHT5 1 J697
28 KW6-M665J-00X HNS,PI LS 1 J642 66 KV5-M536E-00X HNS 302 (F_PE,200) 1 J711
29 KW6-M665N-00X HNS,PI LY 1 J643 67 K35-M6521-00X RELAY 1 1 KA1
30 KW6-M665M-00X HNS,PI X-FLEX LY 1 J644 68 K35-M6425-00X RELAY ACCESSORY 1 1 KA1
31 KW6-M665R-00X HNS,PI LX/LU 2 J645,J646 69 KV9-M6521-00X RELAY 1 1 KA2
32 KGP-M669T-01X HNS,HEAD VALVE 1 J647 70 KV9-M6425-00X RELAY ACCESSORY 1 2 KA2
33 KGP-M662A-03X HNS,I/O TF POWER 1 J648 71 KV9-M444A-00X RESISTOR 1 3 R1~R3
34 90K30-444055 HNS,EARTH 1 J651 72 KV9-M6573-00X SPARK KILLER ASSY 1 S11
35 90K30-455070 HNS,EARTH 1 J652 73 KGK-M5138-00X SWITCH EMG ASSY 1 SB11
36 90K30-444060 HNS,EARTH 2 J653,J655 74 KW7-M5126-00X SAFETY SWITCH 2 SQ21,SQ29
37 90K30-444040 HNS,EARTH 1 J654 75 KW7-M5127-00X SAFETY SWITCH KEY 2 SQ21,SQ29
38 90K30-244180 HNS,EARTH 1 J656 76 KW7-M643A-00X SC LOCK 2 SQ21,SQ29