yv100xtg_e - 第17页
PA G E 15 YV100XTg (KGC) Con fi dential & Proprietary KGC-000-CN5 FES20 safety circuit (non stop) -1-

PAGE
14
YV100XTg (KGC)
Confi dential & Proprietary
KGC-000-CN5
FES20 feeder structure

PAGE
15
YV100XTg (KGC)
Confi dential & Proprietary
KGC-000-CN5
FES20 safety circuit (non stop) -1-

PAGE
16
YV100XTg (KGC)
Confi dential & Proprietary
KGC-000-CN5
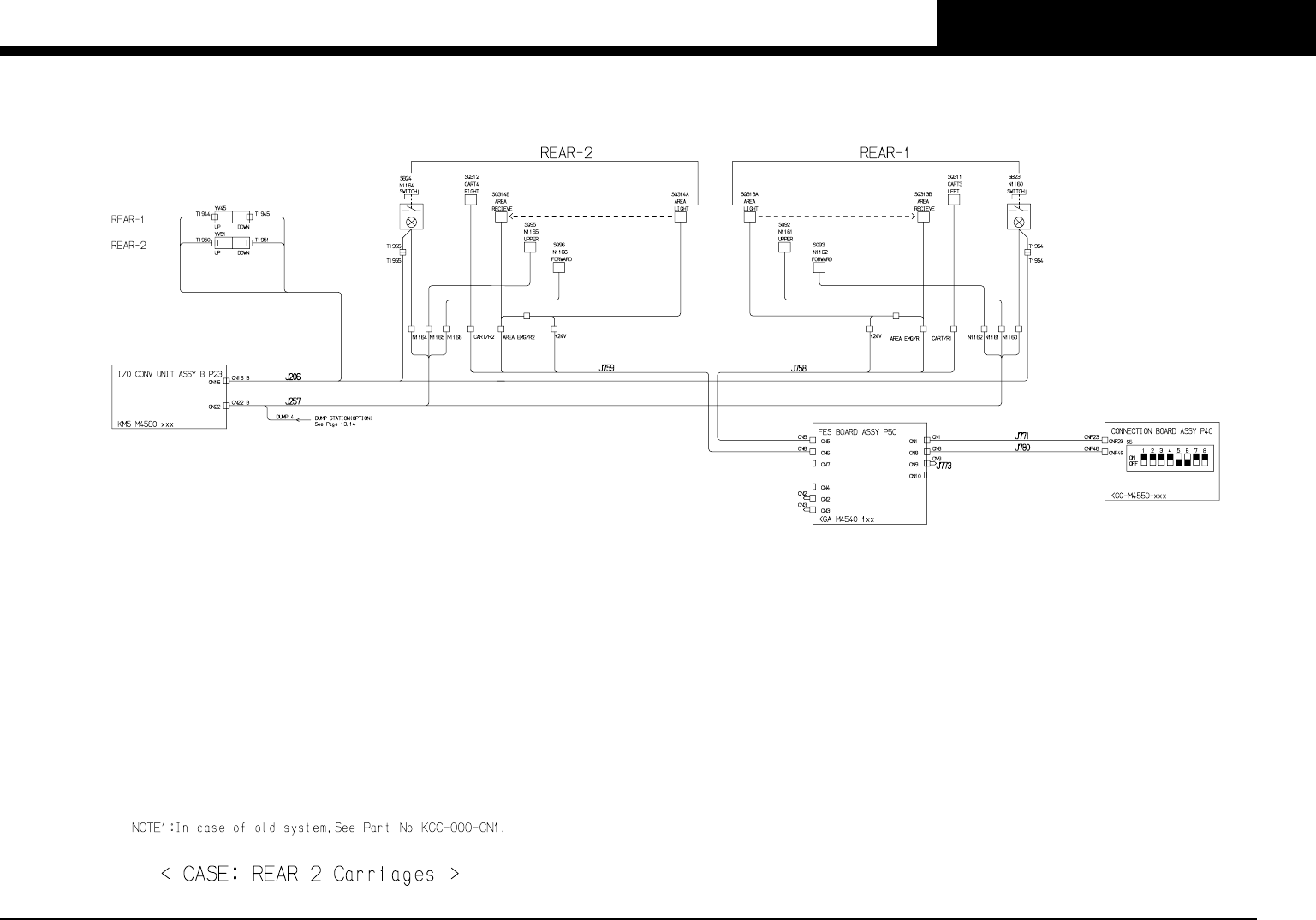
FES20 safety circuit (non stop) -2-