yv100xtg_e - 第20页
PA G E 18 YV100XTg (KGC) Con fi dential & Proprietary KGC-000-CN5 FES20 safety circuit (normal) -1-

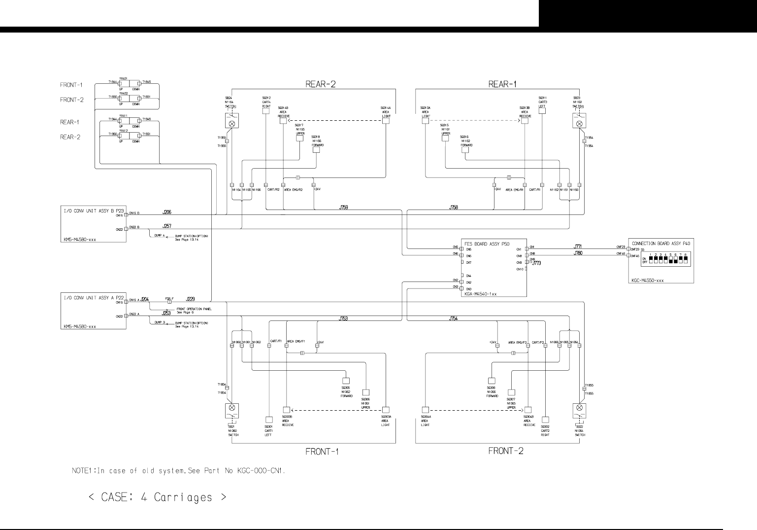
PAGE
17
YV100XTg (KGC)
Confi dential & Proprietary
KGC-000-CN5
FES20 safety circuit (non stop) -3-

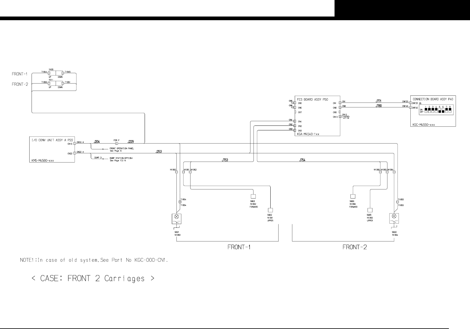
PAGE
18
YV100XTg (KGC)
Confi dential & Proprietary
KGC-000-CN5
FES20 safety circuit (normal) -1-

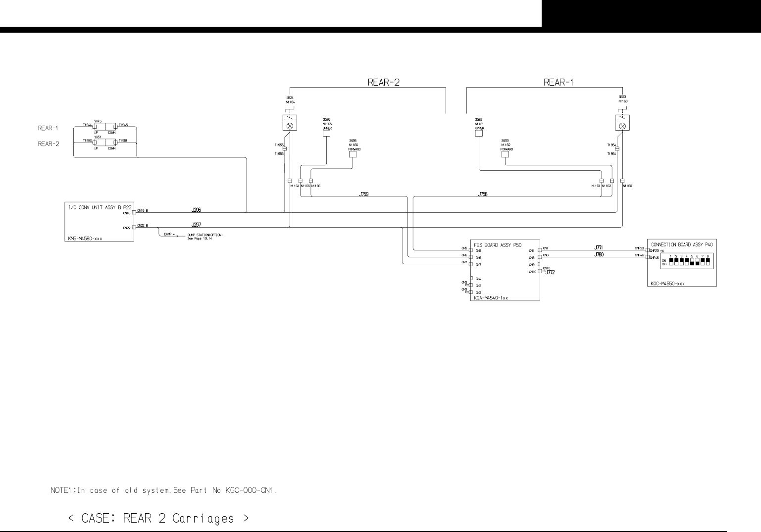
PAGE
19
YV100XTg (KGC)
Confi dential & Proprietary
KGC-000-CN5
FES20 safety circuit (normal) -2-