yv100xtg_e - 第23页
PA G E 21 YV100XTg (KGC) Con fi dential & Proprietary KGC-000-CN5 Cli FIX20 feeder structure

PAGE
20
YV100XTg (KGC)
Confi dential & Proprietary
KGC-000-CN5
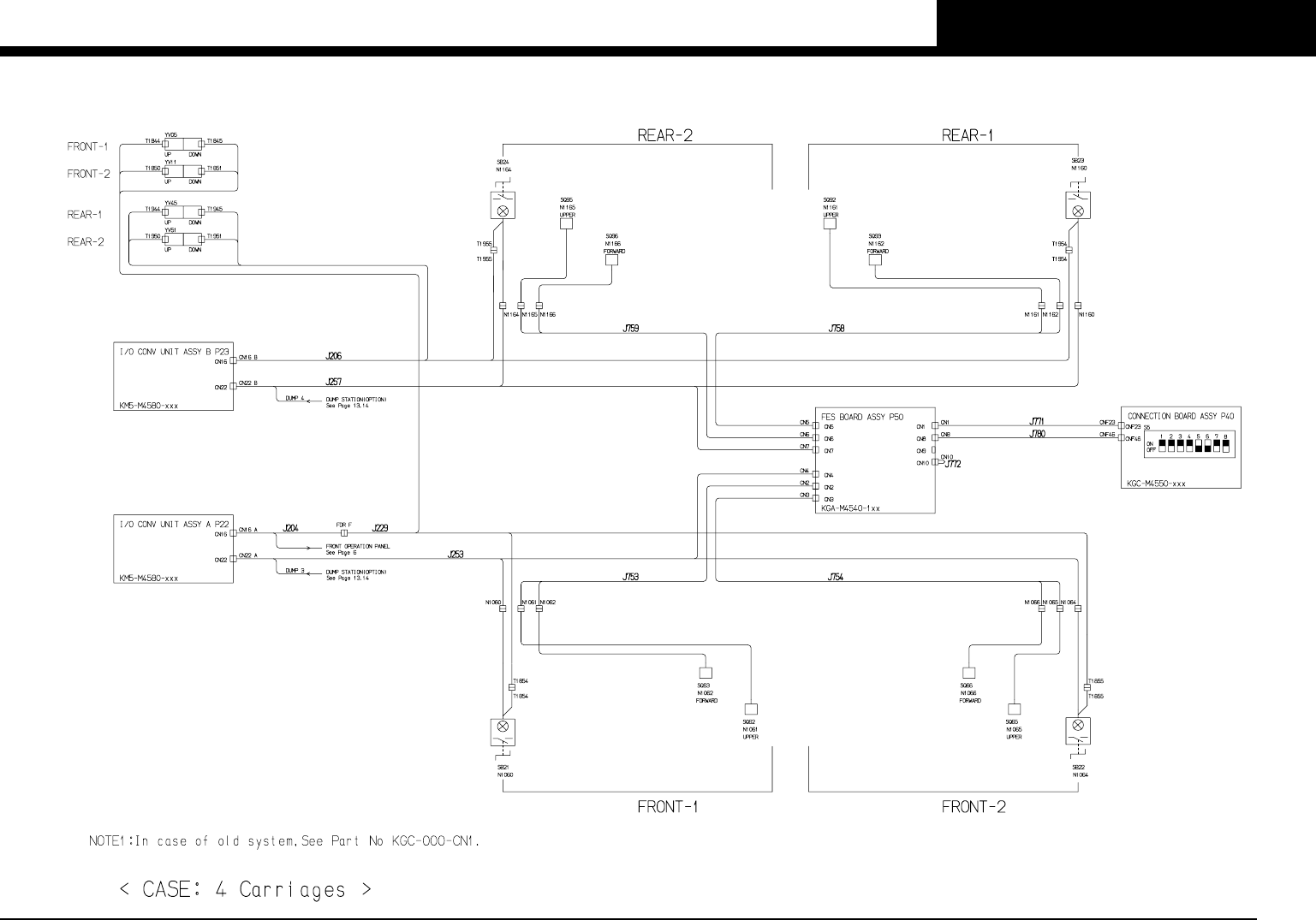
FES20 safety circuit (normal) -3-

PAGE
21
YV100XTg (KGC)
Confi dential & Proprietary
KGC-000-CN5
Cli FIX20 feeder structure

PAGE
22
YV100XTg (KGC)
Confi dential & Proprietary
KGC-000-CN5
Cli FES20 feeder structure