yv100xtg_e - 第5页
PA G E 3 YV100XTg (KGC) Con fi dential & Proprietary KGC-000-CN5 Connection board

PAGE
2
YV100XTg (KGC)
Confi dential & Proprietary
KGC-000-CN5
Control box

PAGE
3
YV100XTg (KGC)
Confi dential & Proprietary
KGC-000-CN5
Connection board

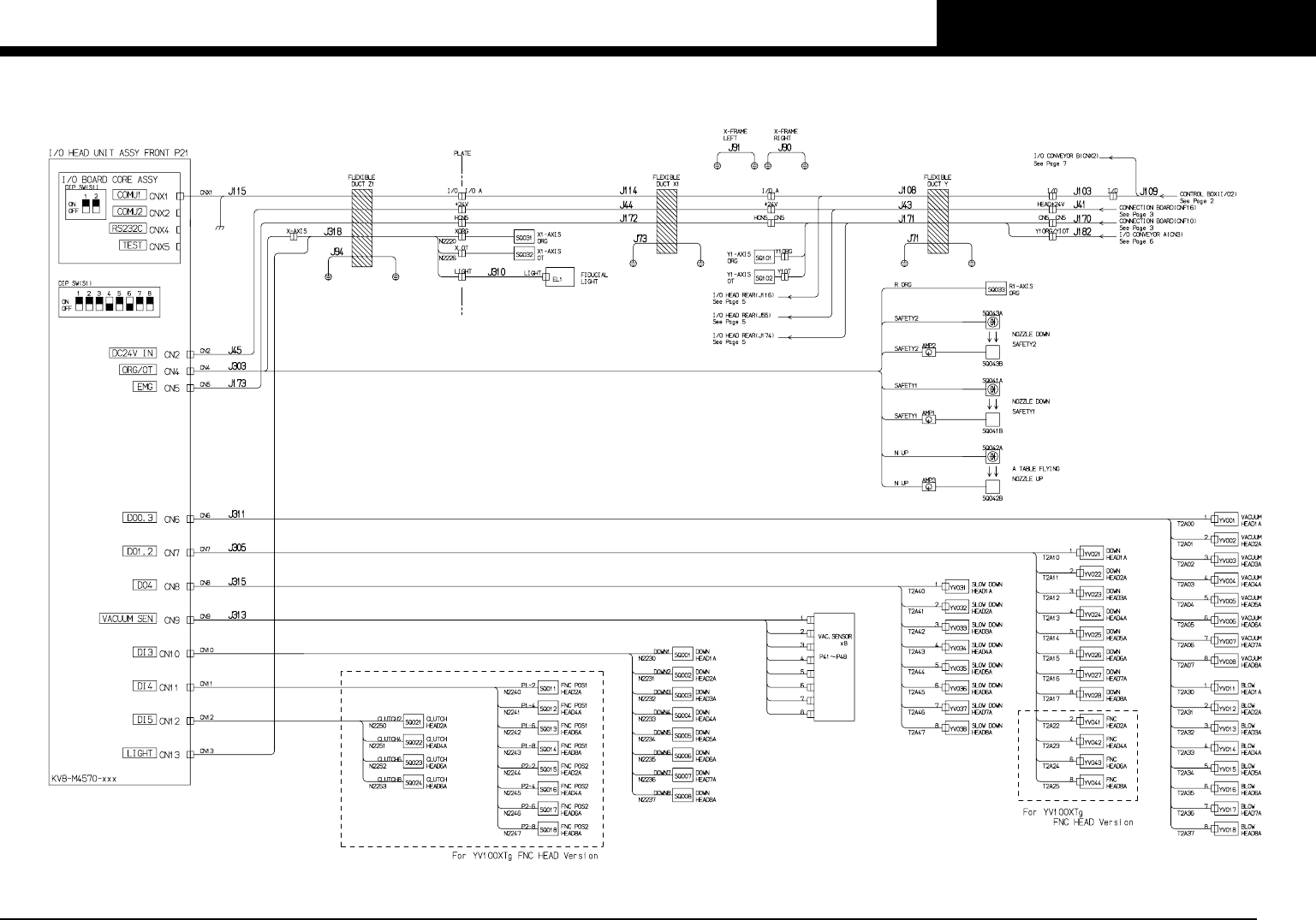
PAGE
4
YV100XTg (KGC)
Confi dential & Proprietary
KGC-000-CN5
I/O head front