yv100xtg_e - 第6页
PA G E 4 YV100XTg (KGC) Con fi dential & Proprietary KGC-000-CN5 I/O head front

PAGE
3
YV100XTg (KGC)
Confi dential & Proprietary
KGC-000-CN5
Connection board

PAGE
4
YV100XTg (KGC)
Confi dential & Proprietary
KGC-000-CN5
I/O head front

PAGE
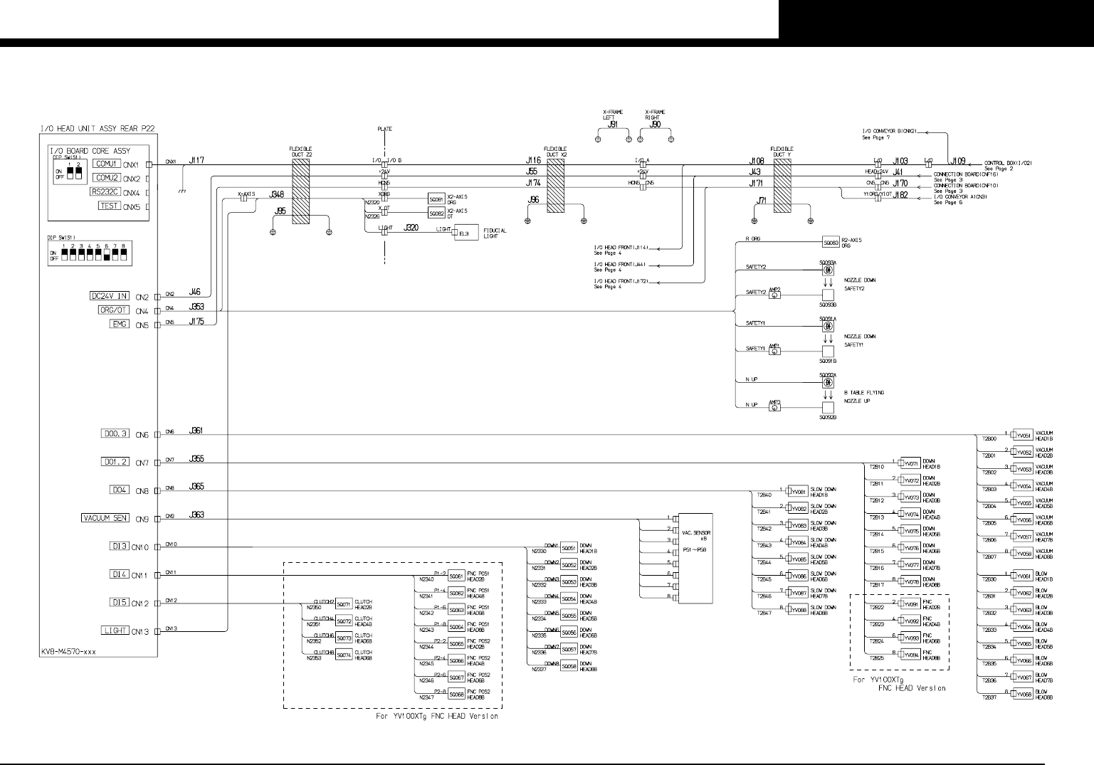
5
YV100XTg (KGC)
Confi dential & Proprietary
KGC-000-CN5
I/O head rear