yv100xtg_e - 第8页
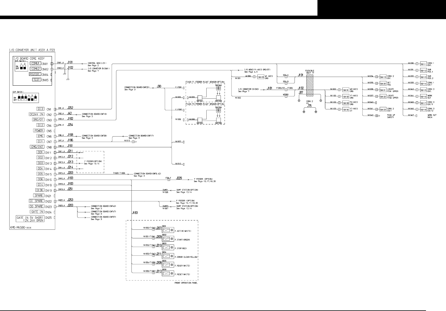
PA G E 6 YV100XTg (KGC) Con fi dential & Proprietary KGC-000-CN5 I/O conveyor-A-

PAGE
5
YV100XTg (KGC)
Confi dential & Proprietary
KGC-000-CN5
I/O head rear

PAGE
6
YV100XTg (KGC)
Confi dential & Proprietary
KGC-000-CN5
I/O conveyor-A-

PAGE
7
YV100XTg (KGC)
Confi dential & Proprietary
KGC-000-CN5
I/O conveyor-B-