4OM-1050-002 - 第68页
(2) Attachment of V acuum Nozzle • Before attaching a vacuum nozzle, check that the end of the nozzle is not damaged, the tapered section is unscratched, the pick-up hole unclogged, and the grip section undeformed. • Sel…

(1-7) To detach the nozzle on the subsequent head, select the [Tur-
ret Indexing (+)] button (*5) and press the [ON] button (entitled
"MOVE"). In 2 seconds, press the [ENABLE] button on the
operation panel.
The rotary turret starts rotating and the subsequent head
moves to the nozzle detachment position.
Repeat the steps, starting with Step (1-5) until all nozzles are
detached.
When the rotary turret is rotated with a nozzle being
attached, select the [Turret Indexing (-)] button and
press the [ON] button (entitled "MOVE"). The rotary
turret rotates backward by 1 pitch.
1.4 Maintenance Method
0301-006 1-53 AFO01ETRP

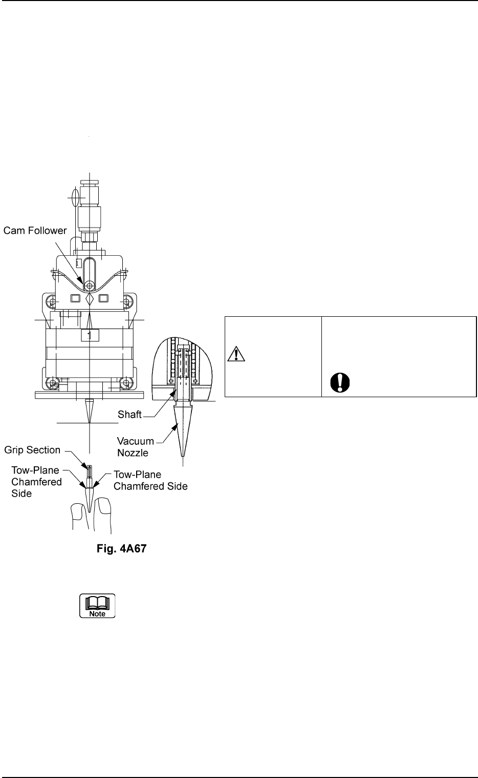
(2) Attachment of Vacuum Nozzle
• Before attaching a vacuum nozzle, check that the end of the nozzle
is not damaged, the tapered section is unscratched, the pick-up hole
unclogged, and the grip section undeformed.
• Select the nozzle which meets the parameters specified in the place-
ment head nozzle data.
(2-1) Move the center shaft of the nozzle posi-
tion No. to be attached toward the front side
of the machine.
(2-2) While holding the cam follower with your
finger, orient the two-plane chamfered side
horizontally and insert the vacuum nozzle
over the shaft until it stops.
(2-3) Set the [OPERATION] switch to the "RUN"
side.
(2-4) Use the "Head/Nozzle" tab in the "TEACH-
ING" window (submenu) and perform a
teaching operation on the nozzle.
Do not scratch the diffusion plate while attaching a vacuum nozzle.
CAUTION
Inserting a nozzle forcibly
over the shaft in wrong direc-
tion deforms the grip section.
1.4 Maintenance Method
0210-005 1-54 AFO01ETRP

0207-004 1-55 AFO01ETRP
1.4 Maintenance Method
(3) Checking of Attached Vacuum Nozzle
• After the vacuum nozzle is attached, rotate the rotary turret with the
cam hand-rotating wheel to let the nozzle pass over the dropped nozzle
detection plate. Check that the end of the nozzle does not touch the
plate. If it touches the plate, re-attach the vacuum nozzle.
The vacuum nozzle should be set in the descending mode
when it passes over the dropped nozzle detection plate.
Fig. 4A68
(4) Nozzle Offset Teaching
Refer to "5.4 "Head/Nozzle" Tab" in "Section 6" of "Volume 2: Opera-
tion (Supervisor)" for details and perform teaching operations.
Wipe off dirt and dust on the end of a nozzle which was detected as
defective through teaching operation and then re-perform the teaching
operation.
Refer to "5.4 "Head/Nozzle" Tab" in "Section 6" of "Volume 2:
Operation (Supervisor)" for the items to be checked when a
nozzle is detected as a defective one through teaching opera-
tion.
When the machine operation is started with a defective
nozzle (detected by teaching operation) attached, the nozzle
is bypassed and not used.