4OM-1050-002 - 第76页
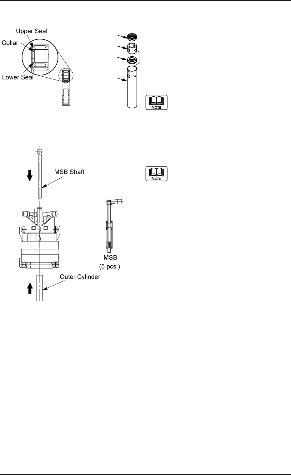
• Attachment of Miniature Stroke Bearing (1) Attach the seals and the collar to the MSB outer cylinder . (1-1) Wipe the seals with a dry cloth and apply "DAPHNE EPONEX GREASE No. 1" to the internal side of the …

• Lubrication of Miniature Stroke Bearing
(1) Apply "DAPHNE EPONEX GREASE No. 1"
(0.01 cc) to the cage in the MSB outer cylin-
der.
(a) Use a metallic stick such as a hexa-
gon wrench for the lubrication. Do
not use a cotton swab.
(b) "0.01 cc" is almost equivalent to the
size of "1005 Chip".
(2) Attach the MSB inserting jig (Standard Acces-
sory: 630 085 8846) to the MSB shaft and in-
sert it into the MSB outer cylinder.
Note that the combination of the MSB
shaft and the MSB outer cylinder should
not be changed.
(3) Apply "DAPHNE EPONEX GREASE No. 1"
thinly to the MSB shaft and smooth out the
grease by rotating or moving the outer cylin-
der.
It is also required to apply the same
grease to the upper area of the MSB
shaft for lubrication of the seals.
Note: Do not allow the grease to enter
into the hole of the MSB shaft.
(4) Pull out the MSB shaft from the MSB outer
cylinder with the MSB insertion jig being at-
tached.
0307-007 1-60
AFO01ETRP
MSB Inserting Jig
Apply "DAPHNE EPONEX GREASE
No. 1" thinly to the lower surface.
Fig. 4A77
Apply "DAPHNE EPONEX GREASE No. 1"
thinly to the upper surface.
Rotate the MSB outer cylinder
and move it right and left.
Do not allow the grease
to flow into the hole.
Fig. 4A78
1.4 Maintenance Method

• Attachment of Miniature Stroke Bearing
(1) Attach the seals and the collar to the MSB
outer cylinder.
(1-1) Wipe the seals with a dry cloth and apply
"DAPHNE EPONEX GREASE No. 1" to
the internal side of the seals.
When the grease is not applied to the
seals, the smooth movement of the
MSB outer cylinder cannot be ex-
pected.
(1-2) Attach the lower seal, the collar, and the
upper seal to the MSB outer cylinder in
this order.
(a) When the seals are attached, do
not damage the seals by the MSB
outer cylinder.
(b) Do not make a mistake in deter-
mining the direction of the seals.
(c) After the lower seal is attached,
confirm that the lower seal is
affixed horizontally before the collar
attachment.
When the lower seal is not at-
tached horizontally, the smooth
movement of the MSB outer cylin-
der cannot be expected.
(d) When the collar is attached, con-
firm that the boss is neatly set in
the hole of the MSB outer cylinder.
0301-006 1-61
AFO01ETRP
Fig. 4A79
Fig. 4A80
1.4 Maintenance Method
Upper Seal
Collar
Lower Seal
MSB Outer
Cylinder

(2) Attachment of Miniature Stroke Bearing to
Head
(2-1) Insert the MSB outer cylinder from under
the head.
Align the cylinder such that the cutout
of the MSB outer cylinder faces the
inside of the head.
(2-2) Insert the MSB shaft from the top of the
head with the MSB inserting jig being
attached.
(2-3) Detach the MSB inserting jig.
If the jig is slippery, wipe it with a
cloth soaked in industrial alcohol.
(2-4) Attach the anchor plate to the MSB outer
cylinder and secure it with the screw
(M3L10).
Apply "Screw Lock (1401B)" to the screw
and tighten it with a tightening torque of 7
kgfcm.
(3) Attachment of Holder to Head
(3-1) Apply "DAPHNE EPONEX GREASE No.
1" thinly to the bearing guide section of the
holder and the pin end.
(3-2) Match the holder guide with the cutout of
the head’s center shaft and insert the
holder into the top of the head.
(3-3) Push the holder into the shaft until it stops
and match the marker of the cam unit
with the center of the cam follower.
(3-4) Apply "Screw Lock (1401B)" to the set-
screws and tighten them with the 1.5 mm
bit (Standard Accessory Part: 630 116
3659) and a tightening torque of 5 kgfcm.
To avoid damaging the tapped hole,
use a hexagon wrench (TONE,
BONDUS) that has large diagonal
dimensions.
Fig. 4A81
0301-005 1-62
AFO01ETRP
1.4 Maintenance Method
Cam Follower
Marker of Cam Unit
Fig. 4A81-1