00193437-03_AI_PowerSupplyConversion_DE EN - 第121页
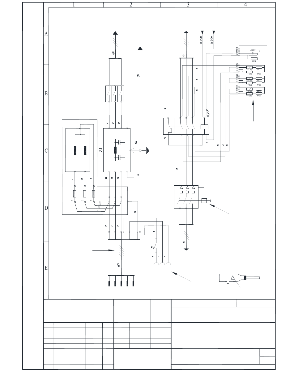
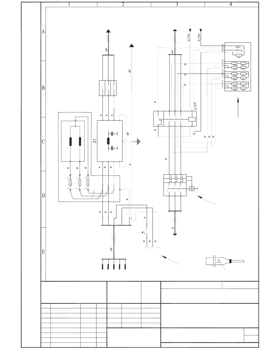
Montageanleitung Stromversorgung umrüsten 7 Stromversorgung an HS-60 / D4 / D1/D2 umrüsten Ausgabe 12/2013 7.7 Stromlaufpläne HS-60 119 7 Abb. 7 - 22 Stromlaufplan HS-60, 001 19085-050101LD4, Blatt 2 von 2 11.05.03 5. 1.…

7 Stromversorgung an HS-60 / D4 / D1/D2 umrüsten Montageanleitung Stromversorgung umrüsten
7.7 Stromlaufpläne HS-60 Ausgabe 12/2013
118
7
Abb. 7 - 21 Stromlaufplan HS-60, 00119085-050101LD4, Blatt 1 von 2
11.05.03
5.
1.
1.
Hi
01.10.03 Hi
2
Umrüstsatz 208 V~
für SIPLACE HS60 (für USA)
00119085-050101LD4
Hi
Hi
11.04.02
11.04.02
Weitergabe sowie Vervielfältigung dieser Unterlage, Verwertung und Mitteilung
ihres Inhaltes nicht gestattet, soweit nicht ausdrücklich zugestanden.
Zuwiderhandlungen verpflichten zu Schadenersatz. Alle Rechte für den Fall der
Patenterteilung oder GM-Eintragung vorbehalten.
Copying of this document, and giving it to others and the use or communication
of the contents thereof, are forbidden without express authority. Offenders are
liable to the payment of damages. All rights are reserved in the event of the grant
of a patent or the registration of the utility model or design.
SIEMENS DEMATIC
Funktionsstand
Erzeugnisstand
Unterlagenstand
Maßstab
Datum Name
Zust. Mitteilung Datum Name
SD EA 1 R&D
Gepr.
Bearb.
Norm
(Materialnummer)
Mat.-Nr. - FS ES US S/F
Blatt
Dateiname:
Einschalt-Strombegrenzung-Transformator
A1(+)
A2(-)
1
3
5
2
4
6
K1.1
2
TrafoPrimär
(Blatt 2)
Psz1
Nsz1
1,5
1,5
1,5
1,5 1,5 1,5
1
Hilfsschalterblock(Ö)
0,750,75
0,75
(Blatt 2)
Hauptschütz K1
U
V
W
N
PE PE
N
4A
2,5
2,5
2,5
6 br
6
Drehstrom
Netzstecker
St1
Service-
Steckdose
Bu1
X1
EEP
U
V
W
F1
PE
Netzfilter
6 br
6 br
L1
L2
L3
L1'
L2'
L3'
6 br
6 br
6 br 6 br
6 br
6 br
6 br
PE
Hauptschalter
S1
1
3
5
2
4
6
Hutschiene 1
(Blatt 1)
HS1
Einschub-Erdungspunkt
Zum HEP (Haupt-E.)
MS1
Motorschutzschalter
1
3
5
2
4
6
Entladedrossel
U
V
W
Z2
3
5
1 F1
F3
F5
2
4
6
F1, F3, F5 1AT
Querbrücker
1,5 br
1,5 br
1,5 br
4
HS1
6
U
V
W
2,5
1
Warnschild Nr. 211
( ! Entladungszeit )
CEE-Stecker
00345937
Netzanschlusskabel
für USA
00342496
Auslöseblock 32 A
Umgeklemmt
für USA
3 x 208 V~
00357871
Steckdosenschutz
in Servicesteckdose einsetzen

Montageanleitung Stromversorgung umrüsten 7 Stromversorgung an HS-60 / D4 / D1/D2 umrüsten
Ausgabe 12/2013 7.7 Stromlaufpläne HS-60
119
7
Abb. 7 - 22 Stromlaufplan HS-60, 00119085-050101LD4, Blatt 2 von 2
11.05.03
5.
1.
1.
Hi
01.10.03 Hi
2
Umrüstsatz 3 x 208V~
für SIPLACE HS60 (für USA)
00119085-050101LD4
Hi
Hi
11.04.02
11.04.02
Weitergabe sowie Vervielfältigung dieser Unterlage, Verwertung und Mitteilung
ihres Inhaltes nicht gestattet, soweit nicht ausdrücklich zugestanden.
Zuwiderhandlungen verpflichten zu Schadenersatz. Alle Rechte für den Fall der
Patenterteilung oder GM-Eintragung vorbehalten.
Copying of this document, and giving it to others and the use or communication
of the contents thereof, are forbidden without express authority. Offenders are
liable to the payment of damages. All rights are reserved in the event of the grant
of a patent or the registration of the utility model or design.
SIEMENS DEMATIC
Funktionsstand
Erzeugnisstand
Unterlagenstand
Maßstab
Datum Name
Zust. Mitteilung Datum Name
SD EA 1 R&D
Gepr.
Bearb.
Norm
(Materialnummer)
Mat.-Nr. - FS ES US S/F
Blatt
Dateiname:
Erdklemme
V3
10AT
F5.1
10AT
F5.2
V4
10AT
F6.1
10AT
F6.2
4U1
4V1
4W1
3U1
3V1
3W1
5V
24V
5U1
5V1
5W1
25V
16A
F7.1
10AT
10AT
F9.2
6U1
6V1
6W1
6V
7U1
7V1
7W1
38V
F10.1
32A
2AT
F11.1
2AT
F11.2
8U1
8V1
8W1
20V
10A
F4N
1W1 415V
1W3 400V
1W4 380V
1W5 230V
1W6 208V
1V1 415V
1V3 400V
1V4 380V
1V5 230V
1V6 208V
1U1 415V
1U3 400V
1U4 380V
1U5 230V
1U6 208V
Trafo Primär
Bordnetz
Entladewid.
Stern Servo
P100P6V_R
P100P6V
(Blatt 5)
V2
P30V_R
(Blatt 2b)
P30V
(Blatt 5)
10A
F6
N30V
V5
V6
V7
V8
1,5
1,5
1,5
2,5
1,5
1,5
10A
F7
6A
F8
10A
F9
25A
F10
1A
F11
140V
2U1
2V1
2W1
6
D32A
F4
U_XY
V_XY
W_XY
Entladewid.
Z/D - Servo
BE - Tisch
LP - Handling
1P34V
(Blatt 5)
N34V
P34V
(Blatt 4/5)
P8V
(Blatt 5)
N8V
K12
SZ1
1,5
R1 C1
22K 33000uF
BE - Tisch
DC/DC-Konv.
P48V
(Blatt 5)
N48V
Psz1
(Blatt 1)
Nsz1
(Blatt 5)
1,5
1,5
2,5
0,75
(Blatt 3)
(Blatt 1)
T1
Blatt 2
1,5
(Blatt 2b)
Nach Auslösen der Sicherungsautomaten F5, F6, F7, F8, F9, F10, oder F11
sind immer auch die Sicherungen F5.x, F6.x, F7.x, F9.x, F10.x, und F11.x zu prüffen.
Hinweis !
10A
F5
2
3 x 400 V~
1U3
1V3
1W3
3 x 208 V~
1U6
1W6
1V6
Umklemmen

7 Stromversorgung an HS-60 / D4 / D1/D2 umrüsten Montageanleitung Stromversorgung umrüsten
7.7 Stromlaufpläne HS-60 Ausgabe 12/2013
120
7
Abb. 7 - 23 Umrüstsatz für SIPLACE HS-60, international, 00119185-050101LD4, Blatt 1 von 2
01.10.03
5.
1.
1.
Hi
01.10.03 Hi
2
Umrüstsatz für
SIPLACE HS60 (international)
00119185-050101LD4
Hi
Hi
01.10.03
01.10.03
Weitergabe sowie Vervielfältigung dieser Unterlage, Verwertung und Mitteilung
ihres Inhaltes nicht gestattet, soweit nicht ausdrücklich zugestanden.
Zuwiderhandlungen verpflichten zu Schadenersatz. Alle Rechte für den Fall der
Patenterteilung oder GM-Eintragung vorbehalten.
Copying of this document, and giving it to others and the use or communication
of the contents thereof, are forbidden without express authority. Offenders are
liable to the payment of damages. All rights are reserved in the event of the grant
of a patent or the registration of the utility model or design.
SIEMENS DEMATIC
Funktionsstand
Erzeugnisstand
Unterlagenstand
Maßstab
Datum Name
Zust. Mitteilung Datum Name
SD EA 1 R&D
Gepr.
Bearb.
Norm
(Materialnummer)
Mat.-Nr. - FS ES US S/F
Blatt
Dateiname:
Einschalt-Strombegrenzung-Transformator
A1(+)
A2(-)
1
3
5
2
4
6
K1.1
2
TrafoPrimär
(Blatt 2)
Psz1
Nsz1
1,5
1,5
1,5
1,5 1,5 1,5
1
Hilfsschalterblock(Ö)
0,750,75
0,75
(Blatt 2)
Hauptschütz K1
U
V
W
N
PE PE
N
4A
2,5
2,5
2,5
6 br
6
Drehstrom
Netzstecker
St1
Service
Steckdose
Bu1
X1
EEP
U
V
W
F1
PE
Netzfilter
6 br
6 br
L1
L2
L3
L1'
L2'
L3'
6 br
6 br
6 br 6 br
6 br
6 br
6 br
PE
Hauptschalter
S1
1
3
5
2
4
6
Hutschiene 1
(Blatt 1)
HS1
Einschub-Erdungspunkt
Zum HEP (Haupt-E.)
MS1
Motorschutzschalter
1
3
5
2
4
6
Entladedrossel
U
V
W
Z2
3
5
1 F1
F3
F5
2
4
6
F1, F3, F5 1AT
Querbrücker
1,5 br
1,5 br
1,5 br
4
HS1
6
U
V
W
2,5
1
Warnschild Nr. 211
( ! Entladungszeit )
CEE-Stecker
Umgeklemmt
3 x 415 V~
international
Auslöseblock 16 A
00342495
3 x 400 V~
3 x 380 V~
00357871
Steckdosenschutz
aus Servicesteckdose entfernen