00193437-03_AI_PowerSupplyConversion_DE EN - 第132页
8 Stromversorgung an HS-XX / Di mit PKE32/XTU-32 umrüsten Montageanleitung Stromversorgung umrüsten 8.5 Stromversorgung von 3 x 400 V~ auf 3 x 208 V~ umrüsten Ausgabe 12/2013 130 8.5.5 T eileübersicht - S tromversorgung …

Montageanleitung Stromversorgung umrüsten 8 Stromversorgung an HS-XX / Di mit PKE32/XTU-32 umrüsten
Ausgabe 12/2013 8.5 Stromversorgung von 3 x 400 V~ auf 3 x 208 V~ umrüsten
129
8.5.4 Netzanschlusskabel tauschen
ACHTUNG
Die elektrischen Leitungen zu jedem einzelnen Automaten müssen eindeutig gekennzeichnet
sein und sich zweifelsfrei zuordnen lassen. Es gelten die Vorschriften des Landes, in dem der
Automat betrieben wird.
Das Netzversorgungskabel ist an den Klemmen U, V, W, N und PE der Steckerleiste X1 (siehe
Pos. X1 in Abb. 8 - 2
, Seite 126) angeschlossen.
Lösen Sie die Adern des Netzversorgungskabels von den Klemmen U, V, W, N und PE.
Lösen Sie die Kabelschelle der Kabelhalterung.
Ziehen Sie das Kabel aus der Kabelhalterung.
Schieben Sie das Netzversorgungskabel (6 mm²) durch die Kabelhalterung bis hin zu den
Klemmen von X1.
HINWEIS: 8
Achten Sie darauf, dass der Biegeradius des Kabels genügend groß ist, damit die Adern
nicht geknickt werden. 8
Klemmen Sie das Netzversorgungskabel an die Klemmen von X1 an:
Ader 1 an U von X1,
Ader 2 an V von X1,
Ader 3 an W von X1,
Ader 4 an N von X1 und
gelbgrüne Ader an PE von X1.
(Siehe Stromlaufplan 00119801-010102LD4, Blatt 1, Seite 141
)
Ziehen Sie die Kabelschelle fest.

8 Stromversorgung an HS-XX / Di mit PKE32/XTU-32 umrüsten Montageanleitung Stromversorgung umrüsten
8.5 Stromversorgung von 3 x 400 V~ auf 3 x 208 V~ umrüsten Ausgabe 12/2013
130
8.5.5 Teileübersicht - Stromversorgung Seitenansicht
Abb. 8 - 4 Teileübersicht - Stromversorgung, Seitenansicht
EST Einschaltstrombegrenzerplatine TG 31033-01
T1 Drehstromtransformator

Montageanleitung Stromversorgung umrüsten 8 Stromversorgung an HS-XX / Di mit PKE32/XTU-32 umrüsten
Ausgabe 12/2013 8.5 Stromversorgung von 3 x 400 V~ auf 3 x 208 V~ umrüsten
131
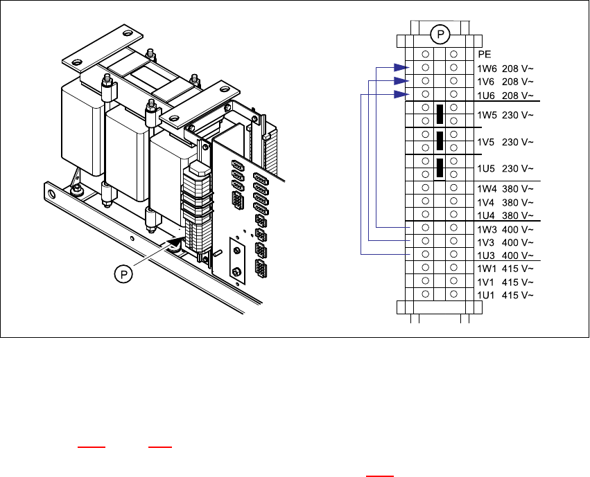
8.5.6 Drehstromtransformator T1 von 3 x 400 V~ auf 3 x 208 V~ umklemmen
Klemmen Sie die Kabel an den Primäranschlussklemmen um:
von Klemme 1W3 nach Klemme 1W6
von Klemme 1V3 nach Klemme 1V6
von Klemme 1U3 nach Klemme 1U6
Abb. 8 - 5 Primäranschlussklemmen des Transformators T1
8.5.7 Einschaltstrombegrenzerplatine umklemmen
Die Einschaltstrombegrenzerplatine befindet sich an der Rückseite der Frontplatte (siehe Pos.
EST in Abb. 8 - 4
, Seite 130.
Klemmen Sie folgende Anschlussdrähte um (siehe Abb. 8 - 6)
(W) von Klemme X13 nach Klemme X14,
(V) von Klemme X23 nach Klemme X24 und
(U) von Klemme X33 nach Klemme X34.
Klemmen Sie folgende Brücken um:
B3 von Klemme X12 nach Klemme X13
B2 von Klemme X22 nach Klemme X23 und
B1 von Klemme X32 nach Klemme X33.