00193437-03_AI_PowerSupplyConversion_DE EN - 第146页
8 Stromversorgung an HS-XX / Di mit PKE32/XTU-32 umrüsten Montageanleitung Stromversorgung umrüsten 8.7 Stromlaufpläne HS-60 / D1 / D2 / D4 Ausgabe 12/2013 144 8 Abb. 8 - 16 Um rüstsatz 3 x 400 V~ für HSxx/D, 001 19802-0…

Montageanleitung Stromversorgung umrüsten 8 Stromversorgung an HS-XX / Di mit PKE32/XTU-32 umrüsten
Ausgabe 12/2013 8.7 Stromlaufpläne HS-60 / D1 / D2 / D4
143
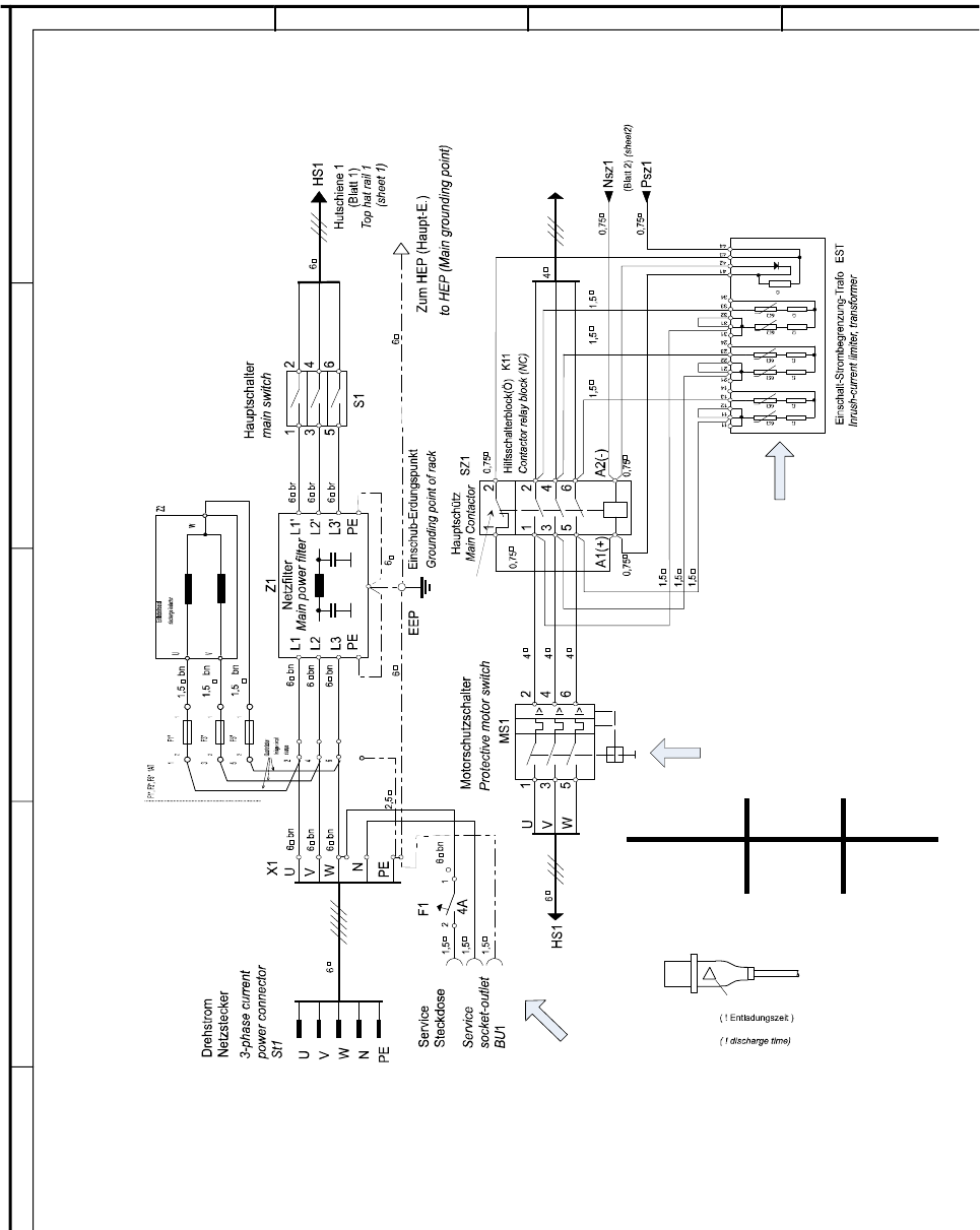
8
Abb. 8 - 15 Umrüstsatz 3 x 400 V~ für HSxx/D, 00119802-010101LD4, Blatt 1 von 2
E
D
C
B
A
123
4
Warnschild Nr. 211
CEE-Connector
CEE-Stecker
danger sign
(NC)
K11
Umverdrahtet,
international
Reconnected for
International
3 X 415 VAC
3 X 400 VAC
3 X 380 VAC
03098183-XX
PKE32/XTU-32
Motorschutzschalter
Motor Protector Switch
Stromversorgung
Power Supply
Überstrom
Over current
HS-60 / D4
D1 / D2
9.7A
9.7A
Kurzschluss
Short Circuit
Class 10
Class 10
00357871-XX
Steckdosenschutz
Aus Servicesteckdose entfernen
Socket guard
Remove from service socket

8 Stromversorgung an HS-XX / Di mit PKE32/XTU-32 umrüsten Montageanleitung Stromversorgung umrüsten
8.7 Stromlaufpläne HS-60 / D1 / D2 / D4 Ausgabe 12/2013
144
8
Abb. 8 - 16 Umrüstsatz 3 x 400 V~ für HSxx/D, 00119802-010101LD4, Blatt 2 von 2
E
D
C
B
A
123
4
Earth clamp
Trafo Primär
P100P6V_R
P100P6V
P30V_R
P30V
N30V
6
6
W_XY
BE - Tisch
LP - Handling
1P34V
N34V
P34V
P8V
R1 C1
22K
BE - Tisch
DC/DC-Konv.
P48V
N48V
Psz1
Nsz1
0,75
4
(Blatt 1)
1
2
2
2
Nach Auslösen der Sicherungsautomaten F5, F6, F7, F8, F9, F10, oder F11
sind immer auch die Sicherungen F4N, F6.x, F7.x, F9.x, F10.x, und F11.x zu prüfen.
Hinweis !
PC
Monitor
4 1,5
1,5
4
4
4
4
PE-Klemme
(wirdbei Bedarf
nachgerüstet)
PE-clamp
Inthecaseoftrippingcircuitbraker F5,F6,F7,F8,F9,F10,orF11
you must inspect circuit braker F4N, F6.x, F7.x, F9.x, F10.x, and F11.x soever.
Note!
Dischargeres.
Z/Dp - Servo
Component - Table
PCB-Conveyor
DC/DC-Conv.
Discharge res.
Component - Table
1
3
5
2
4
6
F3 4A
3 X 400 VAC 3 X 208 VAC
1U3
1V3
1W3
1U6
1V6
1W6
Umverdrahten
Reconnect

Assembly Instructions, Converting the Power Supply 1 Safety instructions
12/2013 Edition
145
1 Safety instructions
RISK OF DEATH 1
The power supply must only be converted by SIPLACE engineers or suitably qualified personnel,
e.g. specialist electricians.
A specialist electrician is anyone who has sufficient technical training, knowledge and experience,
and knowledge of the relevant standards, to be able to assess and recognize the dangers inherent
in the work assigned to them (explanatory notes to DIN VDE 0105 part 1 (07.83), DKE authors'
committee 224). 1
(1) Always follow the accident prevention regulations applicable in your country, e.g. EN 60.204.
(2) End all placement operations on the placement system.
– If an uninterruptible power supply (UPS) is installed on the machine, continue from point (3).
– If the machine does not have an uninterruptible power supply (UPS), shut down the Win-
dows NT operating system correctly, otherwise you may experience problems or lose data
when the machine is restarted.
(3) Switch the placement system off at the main switch.
(4) Disconnect the main power cable from the main power supply.
(5) Secure the main power cable to prevent reconnection to the main power supply.
(6) Secure the system to prevent reclosing and put up a sign to indicate that servicing work is
being carried out (see section 2 'Operational safety' in the operating instructions).
(7) When the conversion is complete, carry out a safety check to DIN EN (see chapter 2
, Safety
check to DIN EN 60 204).
PLEASE NOTE: 1
The safety check to DIN EN 60 204 applies to European Union countries. Individual country-
specific regulations should be followed in all countries outside the EU. This also applies to
the warning signs and means of securing that are used during conversion and the safety
check. 1