00193437-03_AI_PowerSupplyConversion_DE EN - 第17页
Montageanleitung Stromversorgung umrüsten 2 Sicherheitsprüfung nach DIN EN 60 204 Ausgabe 12/2013 2.4 Hochspannungsprüfung 15 2.3.3 Isolationsprüfung durchführen Erstellen Sie einen Prüfaufbau, wie dies in der Abbildun…

2 Sicherheitsprüfung nach DIN EN 60 204 Montageanleitung Stromversorgung umrüsten
2.3 Isolationsprüfung Ausgabe 12/2013
14
2.3 Isolationsprüfung
2.3.1 Zulässiger minimaler Isolationswiderstand
Der Isolationswiderstand wird bei 500 V- zwischen den Leitern der Hauptstromkreise und den
Schutzleitern gemessen. 2
Der zulässige minimale Isolationswiderstand muss > 1,0 MOhm sein. 2
HINWEIS:
Am Automaten müssen alle elektrischen Verbindungen vollständig installiert sein, auch jene zur
Energieversorgung. 2
2.3.2 Isolationsprüfgeräte
2
2
Geräteübersicht
– GOSSEN-METRAWATT 204P (0,05 - 50 MOhm)
– METRAMACHINE 204/2,5 (komplettes System für Prüfungen nach EN
60204-1 (VDE0113) bestehend aus Profitest 204, Profitest 204 HP, Signal
204, Leadex 204 und Caddy 204
Messbereich 0,4 - 10 MOhm
Messspannung 500 V-
Tab. 2 - 1 Isolationsprüfgeräte

Montageanleitung Stromversorgung umrüsten 2 Sicherheitsprüfung nach DIN EN 60 204
Ausgabe 12/2013 2.4 Hochspannungsprüfung
15
2.3.3 Isolationsprüfung durchführen
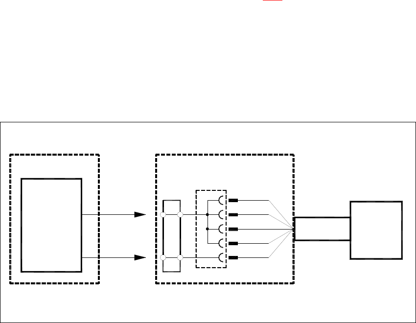
Erstellen Sie einen Prüfaufbau, wie dies in der Abbildung 2 - 3 dargestellt ist.
Beachten Sie auch Hinweise in der Bedienungsanleitung des Prüfgeräts.
Messen Sie den Isolationswiderstand bei 500 V-.
Tragen Sie den Messwert in das Prüfprotokoll ein.
Ist der Messwert > 1,0 MOhm, ist die Isolationsprüfung bestanden und Sie können den Frei-
gabevermerk erteilen. Ist der Messwert kleiner, so beheben Sie den Fehler. Danach ist erneut
eine Prüfung durchzuführen.
Abb. 2 - 3 Aufbau für die Isolationsprüfung
2.4 Hochspannungsprüfung
2.4.1 Minimale Dauer und Spannungswerte der Hochspannungsprüfung
Die elektrische Anlage muss mindestens 10 Sek. lang einer Prüfspannung standhalten, die zwi-
schen den Leitern aller Stromkreise und dem Schutzleitersystem angelegt ist. 2
Die Prüfspannung muss 2
– das Doppelte der Bemessungsspannung für die elektrische Anlage sein oder 1000 V~ betra-
gen (Kanada 1500 V ~), je nachdem, welcher Wert größer ist.
– eine Frequenz von 50/60 Hz haben und
– von einem Transformator mit einer Mindestbemessungsleistung von 500 VA gespeist werden.
PE
N
L3
L2
L1
L1
L2
L3
N
PE
METRAWATT
Prüfgerät
METRAWATT 204P, METRAMACHINE 204
Schukosteckdose
Drehstrom- bzw.
Verteilerkasten mit
Netzkabel
Prüfspitzen
Automat,
WPW
BE-Tisch,
sorgung von
Stromver-

2 Sicherheitsprüfung nach DIN EN 60 204 Montageanleitung Stromversorgung umrüsten
2.4 Hochspannungsprüfung Ausgabe 12/2013
16
WARNUNG 2
Anlagenteile, die nicht für die Prüfspannung ausgelegt sind, müssen abgeklemmt werden. Dies
gilt insbesondere für den Monitor. 2
2.4.2 Hochspannungsprüfgeräte
2
2.4.3 Hochspannungsprüfung durchführen
– Klemmen Sie den Monitor ab.
– Verbinden Sie im Verteilerkasten die Drehstrom- bzw. Schukosteckdose mit dem Stromversor-
gungskabel des Automaten, BE-Tisch bzw. MTC/MTC2. Den Messaufbau entnehmen Sie
Abb. 2 - 3
.
LEBENSGEFAHR 2
Für die Absicherung des Prüfaufbaus benötigen Sie 2
eine Absperrkette,
ein rotes Blinklicht für die Anzeige der Hochspannungsprüfung, um Unbefugte von der Anlage
fernzuhalten.
Schalten Sie das Prüfgerät ein und messen Sie den Ersatz-Ableitstrom bei folgenden Einstel-
lungen:
- 1000 V~ (Kanada 1500 V~)
- Prüfzeit 10 Sek.
Messen Sie den Ersatz-Ableitstrom (Wirk- oder Scheinstrom).
Geräteübersicht
– GOSSEN-METRAWATT 204P
– METRAMACHINE 204 (komplettes System für Prüfungen nach
EN 60204-1 (VDE0113) bestehend aus Profitest 204, Profitest 204 HP, Si-
gnal 204, Leadex 204 und Caddy 204
Abgabeleistung 500 VA
Prüfzeit 10 Sek.
Tab. 2 - 2 Hochspannungsprüfgeräte