00193437-03_AI_PowerSupplyConversion_DE EN - 第180页
3 Converting the power supply on HF machines A ssembly Instructions, Converting the Power Supply 3.7 HF circuit diagrams 12/2013 Edition 178 3 Fig. 3 - 25 Conversion kit , international, SIPLACE HF , 00354 626-060301LD4,…

Assembly Instructions, Converting the Power Supply 3 Converting the power supply on HF machines
12/2013 Edition 3.7 HF circuit diagrams
177
3
Fig. 3 - 24 Conversion kit, USA (208 VAC), SIPLACE HF, item no. 00119605-020101LD4, sheet 2 of 2
Tek
USA conversion kit (208V)
00119605-020101LD4
2
16.10.2002
Hoffmann K.
400515
24.04.03US02
Tek400623
24.07.03FS02
SD EA 1 R&D
Date
Author
Check.
Stand.
NameModifiedStatus
Sheet
Sh.
SIEMENS DEMATIC
Date
2
Transformer 1
TransfPrim
415V
400V
380V
Grounding clip
On board
F4
U_XY
V_XY
W_XY
BusVoltageS(+)
10A
177V
D32A
T1
BusVoltageS_R
208V
230V
415V
400V
380V
208V
230V
415V
400V
380V
208V
230V
SZ1(+)
SZ1(-)
23.8V
U8
F11
Star point
2U1
2V1
2W1
2N
3U1
3V1
3W1
4U1
4V1
4W1
F7
39.4V
GND_P
Vin(+)
Vin(-)
47,000µF
U7
C1
R1
GND_P
Vin(+)ill
T1A
T1A
F111
F112
F10
13A
Vin(+)axis
Vin(-)axis
47,000µF
U70
C2
R3
GND_P
R4
AC_Vin
U3
Reconnect
SIPLACE HF
besondere fuer den Fall der Patenterteilung oder GM-Eintragung.
nicht ausdruecklich zugestanden. Alle Rechte vorbehalten, ins-
wertung und Mitteilung ihres Inhalts nicht gestattet, soweit
Weitergabe sowie Vervielfaeltigung dieser Unterlage, Ver-
Confiado como secrete industrial. Nos reservamos todos los derechos.
Proprietary data , company confidential . All rights reserved.
Confie a titre de secret d'entreprise. Tous droits reserves.
Comunicado como segredo empresarial. Reservados todos os direitos.
supply system

3 Converting the power supply on HF machines Assembly Instructions, Converting the Power Supply
3.7 HF circuit diagrams 12/2013 Edition
178
3
Fig. 3 - 25 Conversion kit, international, SIPLACE HF, 00354626-060301LD4, sheet 1 of 2
F22
F21
Conversion kit, international
00354626-060301LD4
2
21.05.2002
Hoffmann K.HK
FS06
11.04.03400457
HK
FS05
400421 canceled
Tek
RS03
14.08.03400655
SD EA 1 R&D
Date
Author
Check.
Stand.NameModifiedStatus
Sheet
Sh.
SIEMENS DEMATIC
Date
1
PE
N
RGP
PE
Line filter
K1.1
TransfPrim
SZ1(-)
Inrush current limiter - transformer
RGP RackGroundingPoint
MGP Main grounding point (frame)
SZ1(+)
6A
Q2
Power switch
6
2.5
2.5
2.5
6 bn
6
6
6
6
1.5
1.5
1.5
1.5 1.5 1.5
6
6 bn
6 bn 6 bn
6 bn
6 bn
6 bn
Contactor relay block (NC)
6
Three-phase current
Power plug
X101
Service
socket
X102
0.75
0.75
0.750.75
0.750.75
X100
Z1
Main power switch
Q1
MGP
RGP
Frame
(Sheet 7)
L1
L2
L3
L1
L2
L3
L1
L2
L3
L1'
L2'
L3'
T1
T2
T3
L1
L2
L3
T1
T2
T3
F1
K1 main contactor
L20
F23
3 xT6.3A
Remove socket guard from socket
Reconnected for 3 x 380 VAC, 3 x 400 VAC, 3 x 415 VAC
SIPLACE HF
00342495
Trip block, 16 A
Comunicado como segredo empresarial. Reservados todos os direitos.
Confie a titre de secret d'entreprise. Tous droits reserves.
Proprietary data , company confidential . All rights reserved.
Confiado como secrete industrial. Nos reservamos todos los derechos.
Weitergabe sowie Vervielfaeltigung dieser Unterlage, Ver-
wertung und Mitteilung ihres Inhalts nicht gestattet, soweit
nicht ausdruecklich zugestanden. Alle Rechte vorbehalten, ins-
besondere fuer den Fall der Patenterteilung oder GM-Eintragung.

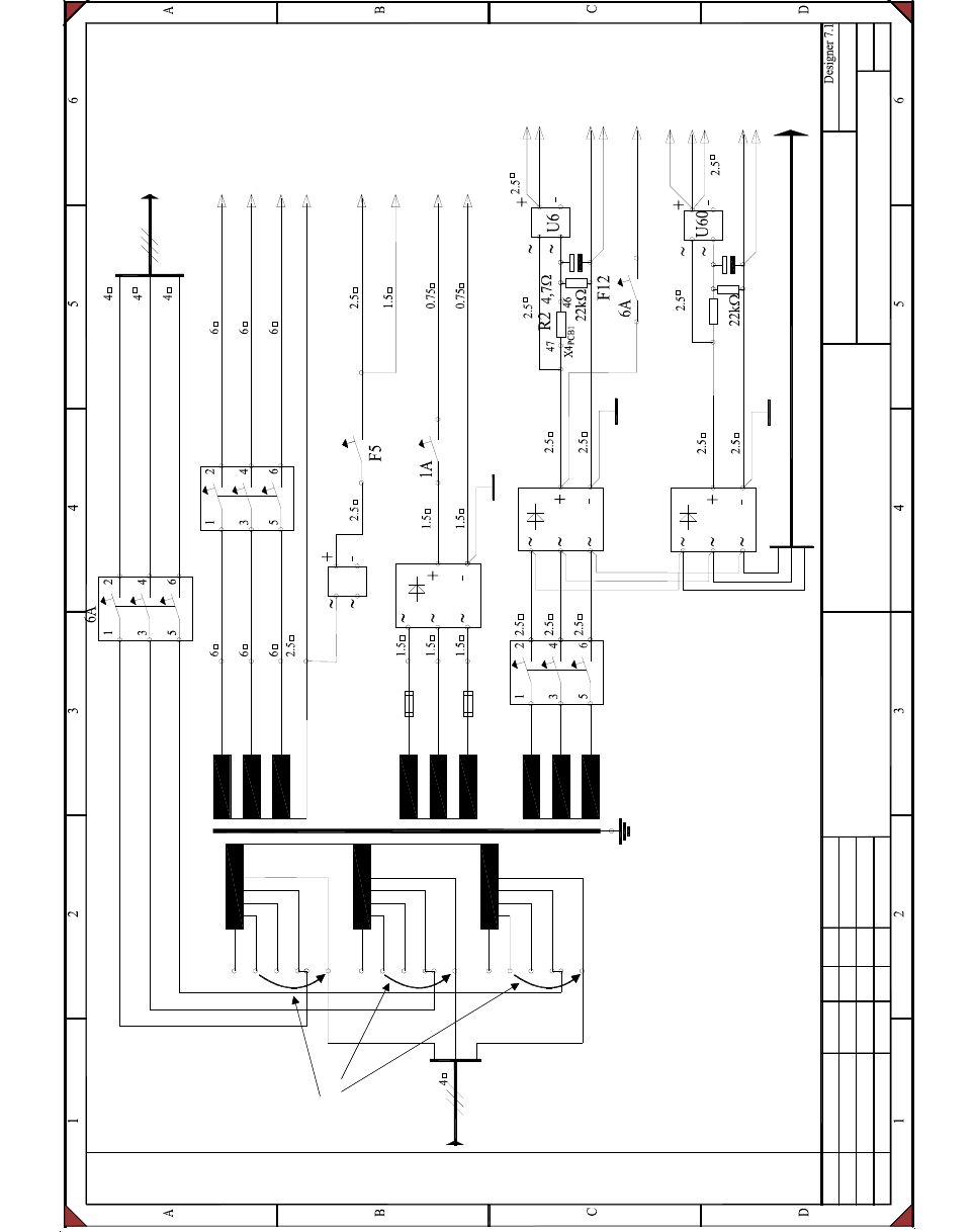
Assembly Instructions, Converting the Power Supply 3 Converting the power supply on HF machines
12/2013 Edition 3.7 HF circuit diagrams
179
3
Fig. 3 - 26 Conversion kit, international, SIPLACE HF, 00354626-060301LD4, sheet 2 of 2
supply system
00354626-060301LD4
2
21.05.2002
Hoffmann K.
HK
FS06 11.04.03400457
HK
FS05 400421 canceled
Tek
RS03 14.08.03400655
SD EA 1 R&D
Date
Author
Check.
Stand.NameModifiedStatus
Sheet
Sh.
SIEMENS
DEMATIC
Date
2
Transformer 1
TransfPrim
(Sheet 1)
415V
400V
380V
Grounding clip
On board
U_XY
V_XY
W_XY
BusVoltageS(+)
177V
D32A
BusVoltageS_R
208V
230V
415V
400V
380V
208V
230V
415V
400V
380V
208V
230V
SZ1(+)
SZ1(-)
23.8V
F11
Star point
(Sheet 1/5)
(Sheet 1)
39.4V
GND_P
Vin(+)
Vin(-)
GND_P
Vin(+)ill
F111
F112
F10
13A
Vin(+)axis
Vin(-)axis
GND_P
AC_Vin
U3
Reconnect
Conversion kit, international
SIPLACE HF
Confiado como secrete industrial. Nos reservamos todos los derechos.
Proprietary data , company confidential . All rights reserved.
Confie a titre de secret d'entreprise. Tous droits reserves.
Comunicado como segredo empresarial. Reservados todos os direitos.
besondere fuer den Fall der Patenterteilung oder GM-Eintragung.
nicht ausdruecklich zugestanden. Alle Rechte vorbehalten, ins-
wertung und Mitteilung ihres Inhalts nicht gestattet, soweit
Weitergabe sowie Vervielfaeltigung dieser Unterlage, Ver-