00193437-03_AI_PowerSupplyConversion_DE EN - 第182页
4 Converting the power supply on the MTC2 Asse mbly Instructions, Converting the Power Supply 4.1 Tools and equipment 12/2013 Edition 180 4 Converting the power supply on the MTC2 This section describes how to convert th…

Assembly Instructions, Converting the Power Supply 3 Converting the power supply on HF machines
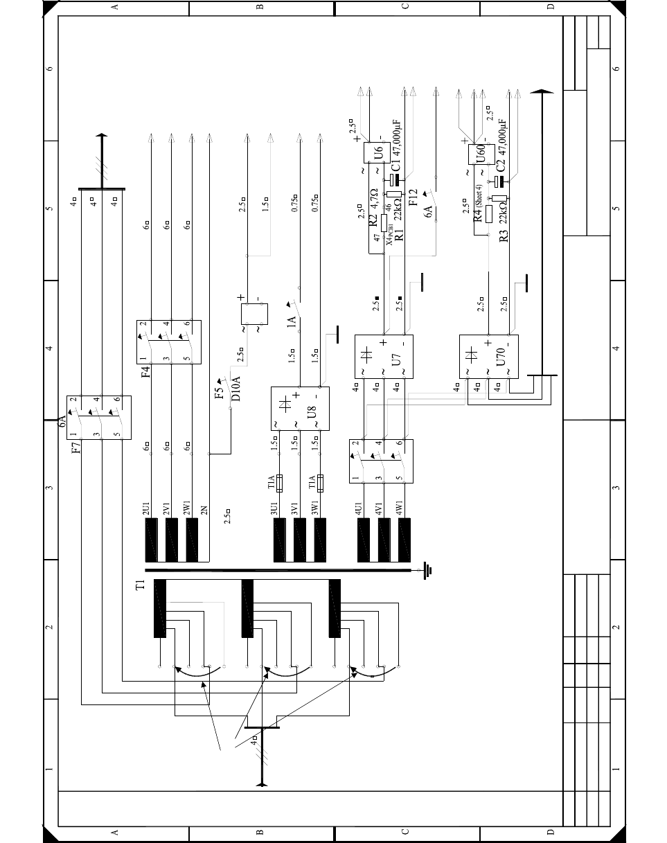
12/2013 Edition 3.7 HF circuit diagrams
179
3
Fig. 3 - 26 Conversion kit, international, SIPLACE HF, 00354626-060301LD4, sheet 2 of 2
supply system
00354626-060301LD4
2
21.05.2002
Hoffmann K.
HK
FS06 11.04.03400457
HK
FS05 400421 canceled
Tek
RS03 14.08.03400655
SD EA 1 R&D
Date
Author
Check.
Stand.NameModifiedStatus
Sheet
Sh.
SIEMENS
DEMATIC
Date
2
Transformer 1
TransfPrim
(Sheet 1)
415V
400V
380V
Grounding clip
On board
U_XY
V_XY
W_XY
BusVoltageS(+)
177V
D32A
BusVoltageS_R
208V
230V
415V
400V
380V
208V
230V
415V
400V
380V
208V
230V
SZ1(+)
SZ1(-)
23.8V
F11
Star point
(Sheet 1/5)
(Sheet 1)
39.4V
GND_P
Vin(+)
Vin(-)
GND_P
Vin(+)ill
F111
F112
F10
13A
Vin(+)axis
Vin(-)axis
GND_P
AC_Vin
U3
Reconnect
Conversion kit, international
SIPLACE HF
Confiado como secrete industrial. Nos reservamos todos los derechos.
Proprietary data , company confidential . All rights reserved.
Confie a titre de secret d'entreprise. Tous droits reserves.
Comunicado como segredo empresarial. Reservados todos os direitos.
besondere fuer den Fall der Patenterteilung oder GM-Eintragung.
nicht ausdruecklich zugestanden. Alle Rechte vorbehalten, ins-
wertung und Mitteilung ihres Inhalts nicht gestattet, soweit
Weitergabe sowie Vervielfaeltigung dieser Unterlage, Ver-

4 Converting the power supply on the MTC2 Assembly Instructions, Converting the Power Supply
4.1 Tools and equipment 12/2013 Edition
180
4 Converting the power supply on the MTC2
This section describes how to convert the power supply unit for the matrix tray changer 2 (MTC2)
on the HF placement machine in order to adapt it to the supply networks in individual countries.4
PLEASE NOTE: 4
The conversion can only be carried out if the MTC2 was supplied with the "USA conversion kit for
MTC2" option (item no. 00116437-01). 4
4.1 Tools and equipment
– Set of DIN 911 Allen keys
– Set of slotted-head screwdrivers
– Multimeter
4.2 Parts
The following parts are supplied with the accessory bag: 4
– Jumper, gray, 3 x
item no. 00353338-01

Assembly Instructions, Converting the Power Supply 4 Converting the power supply on the MTC2
12/2013 Edition 4.3 Modules to be converted
181
4.3 Modules to be converted
The following table lists those modules that have to be converted in order to adapt them to the
power supply network.
4.4 Converting the power supply from 3 x 400 VAC to 3 x 208 VAC
Dock the MTC2 out of the placement machine.
RISK OF DEATH 4
Disconnect the MTC2 from the main power supply.
Take suitable action to ensure that the MTC2 cannot be connected to the power supply during
the conversion work.
Put up warning signs to indicate that work is being carried out on the electrical system.
Module Sub-module Ratings
Electronic panel Terminal panel X01
3 x 400 VAC ± 5%
3 x 208 VAC ± 5%
50 - 60 Hz
Tab. 4 - 1 Modules to be converted