00193437-03_AI_PowerSupplyConversion_DE EN - 第190页
4 Converting the power supply on the MTC2 Asse mbly Instructions, Converting the Power Supply 4.5 Converting the power supply from 3 x 208 VAC to 3 x 400 VAC 12/2013 Edition 188 4 Fig. 4 - 6 MTC2 - terminal panel X01, ci…

Assembly Instructions, Converting the Power Supply 4 Converting the power supply on the MTC2
12/2013 Edition 4.5 Converting the power supply from 3 x 208 VAC to 3 x 400 VAC
187
Remove the six transverse jumpers from feed-through terminals 1-2, 3-4, 5-6, 7-8, 9-10 and
11-12 on terminal block X01 (point 2 in Fig. 4 - 4
).
On terminal block X01, plug in three transverse jumpers between feed-through terminals 2-3,
6-7 and 10-11 (BR see Fig. 4 - 5
).
Leave the tripping current setting unchanged at 3.5 A on motor contactor Q01.
4
Fig. 4 - 5 MTC2 electronic panel - jumper set for 3 x 400 VAC
JMPJumper, 3 x 4
Q01 Motor contactor 4
X01 terminal block 4
JMP (3 x 400 VAC) 4

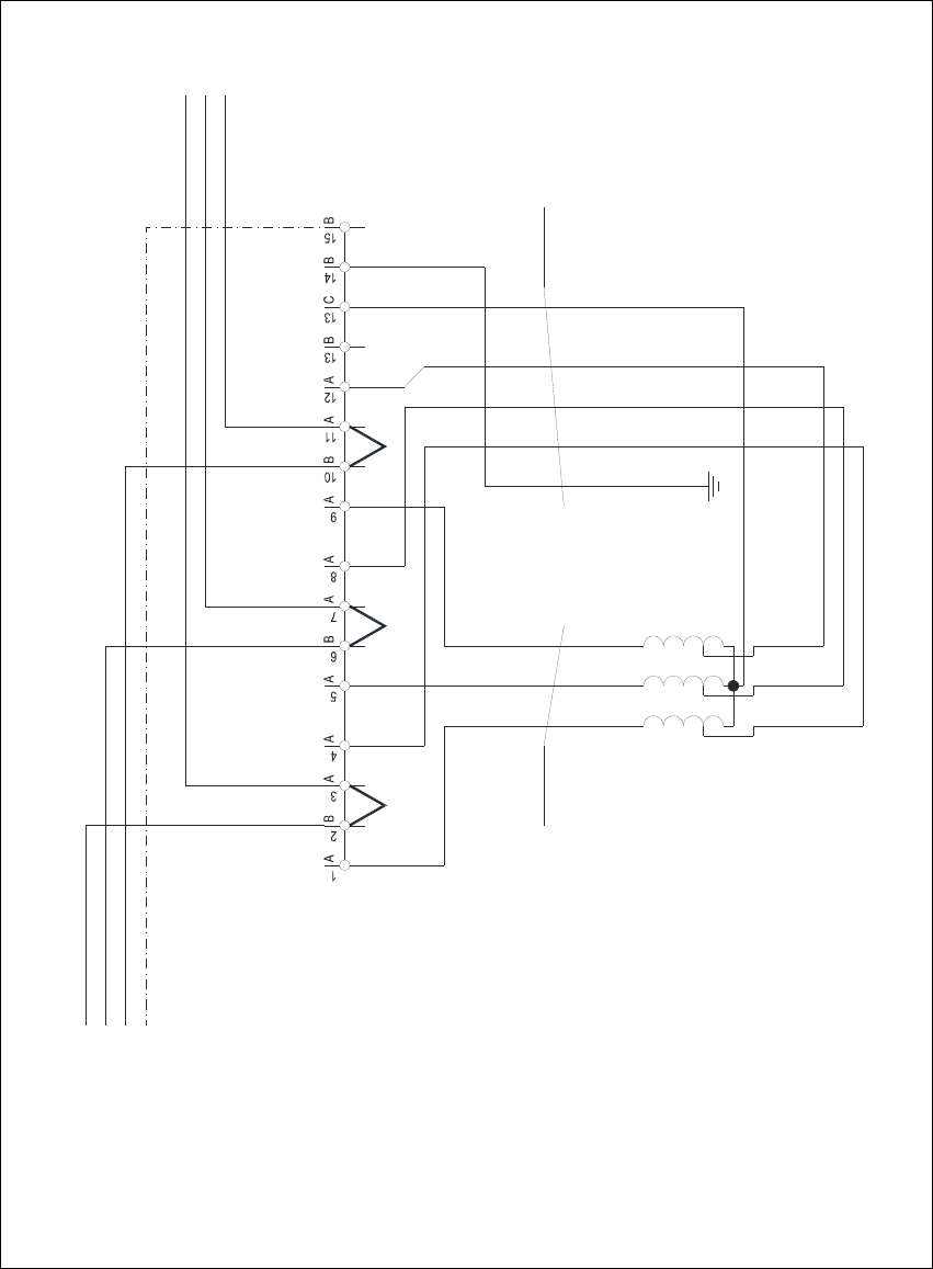
4 Converting the power supply on the MTC2 Assembly Instructions, Converting the Power Supply
4.5 Converting the power supply from 3 x 208 VAC to 3 x 400 VAC 12/2013 Edition
188
4
Fig. 4 - 6 MTC2 - terminal panel X01, circuit diagram 3 x 400 VAC
1V1
1 2 3
2U1
2V1
2W1
4x2.5mm² CSA
1W1
1U1
3.7 kVA /50-60Hz
Oilflex 190
-W002
Transformer T01
3 x 208 VAC / 3 x 400 VAC
3 x 400 VAC / 230 VAC
L1
L2
50Hz / 60 Hz
L3
PE
Terminal panel X01
5x2.5mm² CSA
1 2 3 4
Oilflex 190
-W003
PE
L3.1
L1.1
L2.1
C
A A
JMP
JMP: 3 x 400 VAC
JMP JMP
N

Assembly Instructions, Converting the Power Supply 4 Converting the power supply on the MTC2
12/2013 Edition 4.5 Converting the power supply from 3 x 208 VAC to 3 x 400 VAC
189
4.5.2 Checking the protective wire connections, fitting the covers
Check that the detached protective earth wires have been reconnected correctly.
Fit the cover.
4.5.3 Carry out the safety check to DIN EN 60 204
When the conversion is complete, carry out a safety check to DIN EN 60 204.
Follow the procedure described in section 2, page 146 onwards.
4