00193437-03_AI_PowerSupplyConversion_DE EN - 第219页
Assembly Instructions, Converting the Power Supp ly 6 Converting the power supply on the MTC 12/2013 Edition 6.4 Converting the power supply from 3 x 400 VAC to 3 x 208 VAC 217 On term inal block X0 1, plug in s ix tra…

6 Converting the power supply on the MTC Assembly Instructions, Converting the Power Supply
6.4 Converting the power supply from 3 x 400 VAC to 3 x 208 VAC 12/2013 Edition
216
6.4.1 Conversion work on the electronic panel
6
Fig. 6 - 1 Position of the electronic panel
(1) Electronic panel
(2) Terminal block X01
(3) Motor contactor Q01
6
Release the screws for the electronic panel cover.
Lift off the cover.
Remove the three transverse jumpers from feed-through terminals 2-3, 6-7 and 10-11 on ter-
minal block X01 (point 2 in Fig. 6 - 1
).

Assembly Instructions, Converting the Power Supply 6 Converting the power supply on the MTC
12/2013 Edition 6.4 Converting the power supply from 3 x 400 VAC to 3 x 208 VAC
217
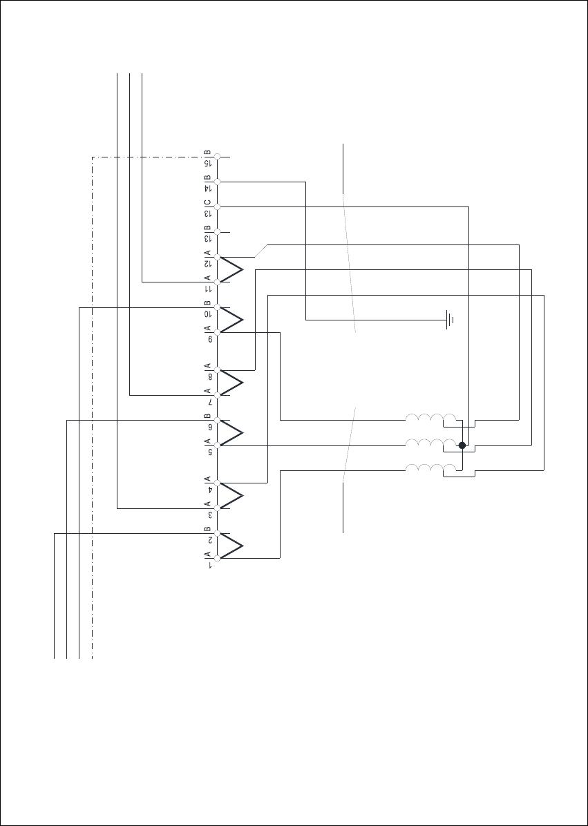
On terminal block X01, plug in six transverse jumpers between feed-through terminals 1-2, 3-
4, 5-6, 7-8, 9-10 and 11-12 (BR see Fig. 6 - 2
).
Leave the tripping current setting unchanged at 3.5 A on motor contactor Q01.
6
Fig. 6 - 2 MTC electronic panel - jumper set for 3 x 208 VAC
JMPJumper, 6 x 6
Q01 Motor contactor 6
X01 Terminal block 6
JMP (3 x 208 VAC) 6

6 Converting the power supply on the MTC Assembly Instructions, Converting the Power Supply
6.4 Converting the power supply from 3 x 400 VAC to 3 x 208 VAC 12/2013 Edition
218
6
Fig. 6 - 3 MTC2 - terminal panel X01, circuit diagram 3 x 208 VAC
1V1
1 2 3
2U1
2V1
2W1
4x2.5mm² CSA
1W1
1U1
3.7 kVA /50-60Hz
Oilflex 190
-W003
Transformer T1
3 x 208 VAC / 3 x 400 VAC
3 x 208 VAC / 120 VAC
L1
L2
50Hz / 60 Hz
L3
PE
X01 terminal block
5x2.5mm² CSA
1 2 3 4
Oilflex 190
-W004
PE
L3.1
L1.1
L2.1
C
A A
JMPJMP JMPJMP JMPJMPJMP: 3 x 208 VAC
N