00193437-03_AI_PowerSupplyConversion_DE EN - 第255页
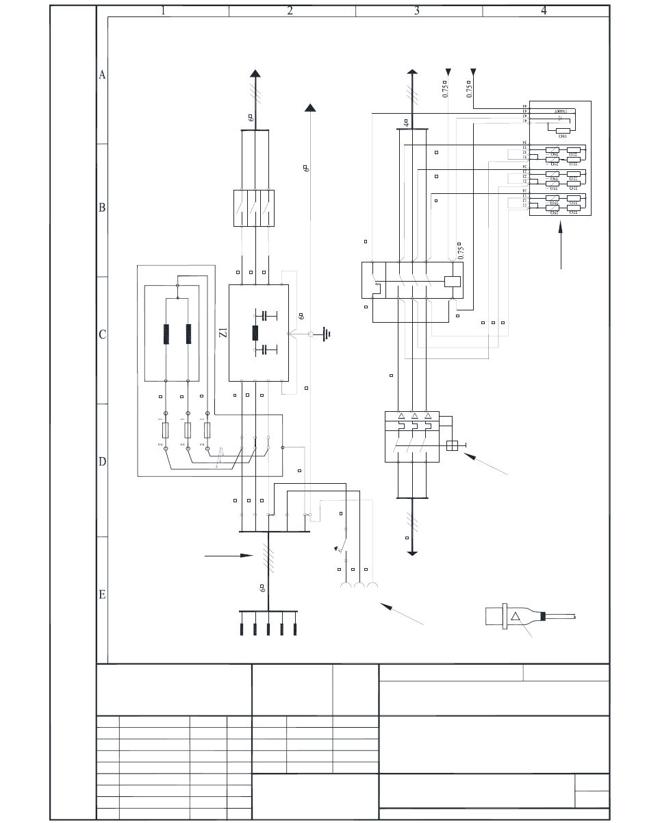
Assembly Instructions, Converting the Power Supp ly 7 Conv erting the power supply on the HS-60 / D4 / D1/D2 machine 12/2013 Edition 7.7 HS-60 circuit diagrams 253 7 Fig. 7 - 22 HS-60 circuit diagram, 001 19 085-050101LD…

7 Converting the power supply on the HS-60 / D4 / D1/D2 machine Assembly Instructions, Converting the Power Supply
7.7 HS-60 circuit diagrams 12/2013 Edition
252
7
Fig. 7 - 21 HS-60 circuit diagram, 00119085-050101LD4, sheet 1 of 2
11.05.03
5.
1.
1.
Hi
01.10.03 Hi
2
3x208 VAC conversion kit
for SIPLACE HS60 (for the USA)
00119085-050101LD4
Hi
Hi
11.04.02
11.04.02
Weitergabe sowie Vervielfältigung dieser Unterlage, Verwertung und Mitteilung
ihres Inhaltes nicht gestattet, soweit nicht ausdrücklich zugestanden.
Zuwiderhandlungen verpflichten zu Schadenersatz. Alle Rechte für den Fall der
Patenterteilung oder GM-Eintragung vorbehalten.
Copying of this document, and giving it to others and the use or communication
of the contents thereof, are forbidden without express authority. Offenders are
liable to the payment of damages. All rights are reserved in the event of the grant
of a patent or the registration of the utility model or design.
SIEMENS DEMATIC
Function status
Product status
Document status
Scale
Date Name
Stat. Modified Date Name
SD EA 1 R&D
Check.
Author
Stand.
(Material number)
Mat. no. - FS PS DS L/F
Sheet
File name:
Inrush current limiter - transformer
A1(+)
A2(-)
1
3
5
2
4
6
K1.1
2
TransfPrim
(Sheet 2)
Psz1
Nsz1
1.5
1.5
1.5
1.5 1.5 1.5
1
Contactor relay block (NC)
0.750.75
0.75
(Sheet 2)
K1 main contactor
U
V
W
N
PE PE
N
4A
2.5
2.5
2.5
6 bn
6
Three-phase current
Power plug
St1
Service
socket
Bu1
X1
RGP
U
V
W
F1
PE
Line filter
6 bn
6 bn
L1
L2
L3
L1'
L2'
L3'
6 bn
6 bn
6 bn 6 bn
6 bn
6 bn
6 bn
PE
Main switch
S1
1
3
5
2
4
6
Top hat rail 1
(Sheet 1)
HS1
Rack grounding point
To MGP (main grounding point)
MS1
Motor contactor
1
3
5
2
4
6
Discharge reactor
U
V
W
Z2
3
5
1 F1
F3
F5
2
4
6
F1, F3, F5 1AT
Jumper
1.5 bn
1.5 bn
1.5 bn
4
HS1
6
U
V
W
2.5
1
Warning label no. 211
( ! Discharge time )
CEE plug
00345937
Main power cable
for the USA
00342496
Motor protection trip block 32 A
00357871
Socket guard
Reconnected
for the USA
3 x 208 VAC
Insert into service socket

Assembly Instructions, Converting the Power Supply 7 Converting the power supply on the HS-60 / D4 / D1/D2 machine
12/2013 Edition 7.7 HS-60 circuit diagrams
253
7
Fig. 7 - 22 HS-60 circuit diagram, 00119085-050101LD4, sheet 2 of 2
Weitergabe sowie Vervielfältigung dieser Unterlage, Verwertung und Mitteilung
ihres Inhaltes nicht gestattet, soweit nicht ausdrücklich zugestanden.
Zuwiderhandlungen verpflichten zu Schadenersatz. Alle Rechte für den Fall der
Patenterteilung oder GM-Eintragung vorbehalten.
Copying of this document, and giving it to others and the use or communication
of the contents thereof, are forbidden without express authority. Offenders are
liable to the payment of damages. All rights are reserved in the event of the grant
of a patent or the registration of the utility model or design.
SIEMENS DEMATIC
Function status
Product status
Document status
Scale
Date Name
Stat. Modified Date Name
SD EA 1 R&D
Check.
Author
Stand.
(Material number)
Mat. no. - FS PS DS L/F
Sheet
File name:
Grounding clip
V3
10AT
F5.1
10AT
F5.2
11.05.03
5.
1.
1.
Hi
01.10.03 Hi
2
3 x 208VAC conversion kit
for SIPLACE HS60 (for the USA)
00119085-050101LD4
Hi
Hi
11.04.02
11.04.02
V4
10AT
F6.1
10AT
F6.2
4U1
4V1
4W1
3U1
3V1
3W1
5V
24V
5U1
5V1
5W1
25V
16A
F7.1
10AT
10AT
F9.2
6U1
6V1
6W1
6V
7U1
7V1
7W1
38V
F10.1
32A
2AT
F11.1
2AT
F11.2
8U1
8V1
8W1
20V
10A
F4N
1W1 415V
1W3 400V
1W4 380V
1W5 230V
1W6 208V
1V1 415V
1V3 400V
1V4 380V
1V5 230V
1V6 208V
1U1 415V
1U3 400V
1U4 380V
1U5 230V
1U6 208V
TransfPrim
On board
Discharge res.
Star, servo
P100P6V_R
P100P6V
(Sheet 5)
V2
P30V_R
(Sheet 2b)
P30V
(Sheet 5)
10A
F6
N30V
V5
V6
V7
V8
1.5
1.5
1.5
2.5
1.5
1.5
10A
F7
6A
F8
10A
F9
25A
F10
1A
F11
140V
2U1
2V1
2W1
6
D32A
F4
U_XY
V_XY
W_XY
Discharge res.
Z/D servo
CO table
PCB handling
1P34V
(Sheet 5)
N34V
P34V
(Sheet 4/5)
P8V
(Sheet 5)
N8V
K12
SZ1
1.5
R1 C1
22k 33,000uF
CO table
DC/DC conv.
P48V
(Sheet 5)
N48V
Psz1
(Sheet 1)
Nsz1
(Sheet 5)
1.5
1.5
2.5
0.75
(Sheet 3)
(Sheet 1)
T1
Sheet2
1.5
(Sheet 2b)
When any of the automatic circuit breakers F5, F6, F7, F8, F9, F10, or F11 has tripped,
always check the fuses F5.x, F6.x, F7.x, F9.x, F10.x, and F11.x.
Please note !
10A
F5
2
3 x 400 VAC
1U3
1V3
1W3
3 x 208 VAC
1U6
1W6
1V6
Reconnect
supply system

7 Converting the power supply on the HS-60 / D4 / D1/D2 machine Assembly Instructions, Converting the Power Supply
7.7 HS-60 circuit diagrams 12/2013 Edition
254
7
Fig. 7 - 23 SIPLACE HS-60 conversion kit, international, 00119185-050101LD4, sheet 1 of 2
01.10.03
5.
1.
1.
Hi
01.10.03 Hi
2
Conversion kit for
SIPLACE HS60 (international)
00119185-050101LD4
Hi
Hi
01.10.03
01.10.03
Weitergabe sowie Vervielfältigung dieser Unterlage, Verwertung und Mitteilung
ihres Inhaltes nicht gestattet, soweit nicht ausdrücklich zugestanden.
Zuwiderhandlungen verpflichten zu Schadenersatz. Alle Rechte für den Fall der
Patenterteilung oder GM-Eintragung vorbehalten.
Copying of this document, and giving it to others and the use or communication
of the contents thereof, are forbidden without express authority. Offenders are
liable to the payment of damages. All rights are reserved in the event of the grant
of a patent or the registration of the utility model or design.
SIEMENS DEMATIC
Function status
Product status
Document status
Scale
Date Name
Stat. Modified Date Name
SD EA 1 R&D
Check.
Author
Stand.
(Material number)
Mat. no. - FS PS DS L/F
Sheet
File name:
Inrush current limiter - transformer
A1(+)
A2(-)
1
3
5
2
4
6
K1.1
2
TransfPrim
(Sheet 2)
Psz1
Nsz1
1.5
1.5
1.5
1.5 1.5 1.5
1
Contactor relay block (NC)
0.750.75
0.75
(Sheet 2)
K1 main contactor
U
V
W
N
PE PE
N
4A
2.5
2.5
2.5
6 bn
6
Three-phase current
Power plug
St1
Service
Socket
Bu1
X1
RGP
U
V
W
F1
PE
Line filter
6 bn
6 bn
L1
L2
L3
L1'
L2'
L3'
6 bn
6 bn
6 bn 6 bn
6 bn
6 bn
6 bn
PE
Main switch
S1
1
3
5
2
4
6
Top hat rail 1
(Sheet 1)
HS1
Rack grounding point
To MGP (main grounding point)
MS1
Motor contactor
1
3
5
2
4
6
Discharge reactor
U
V
W
Z2
3
5
1 F1
F3
F5
2
4
6
F1, F3, F5 1AT
Jumper
1.5 bn
1.5 bn
1.5 bn
4
HS1
6
U
V
W
2.5
1
Warning label no. 211
( ! Discharge time )
CEE plug
Reconnected
3 x 415 VAC
international
Trip block, 16 A
00342495
3 x 400 VAC
3 x 380 VAC
00357871
Socket guard
Remove from service socket