00193437-03_AI_PowerSupplyConversion_DE EN - 第277页
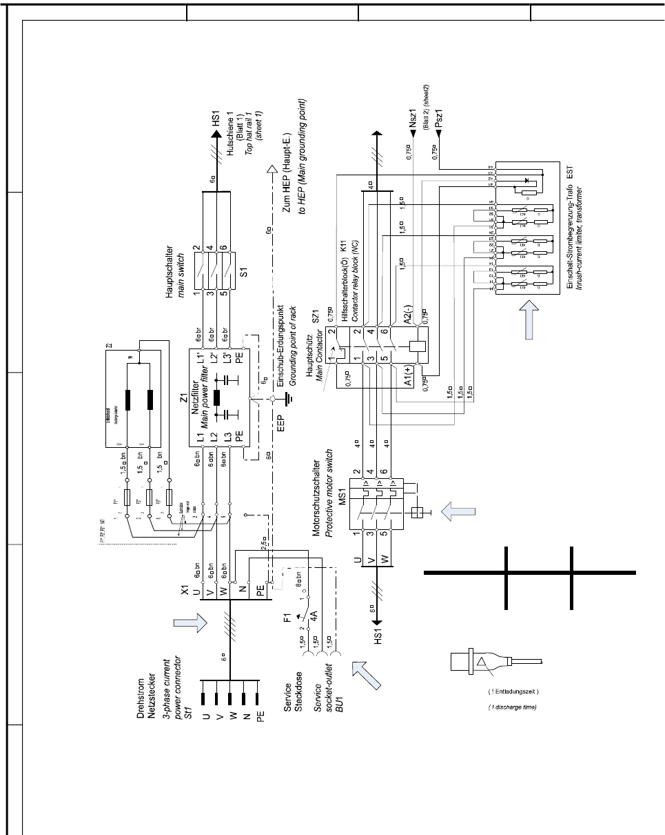
Assembly Instructions, Converting the Power Supp ly 8 Converting the power supply on the HS- XX / Di machine using PKE32/XTU-32 12/2013 Edition 8.7 HS-60 / D1 / D2 / D4 circuit diagrams 275 8 Fig. 8 - 13 3 x 208 V AC Con…

8 Converting the power supply on the HS-XX / Di machine using PKE32/XTU-32 Assembly Instructions, Converting the Power Supply
8.7 HS-60 / D1 / D2 / D4 circuit diagrams 12/2013 Edition
274
8.6.7 Installing the power supply unit
Carefully push the power supply unit into the housing until it reaches the stop.
Use the M8 hexagon socket-head screw to secure the unit at the bottom.
Check that the yellow-green PE wire is connected to the door.
Close the door.
PLEASE NOTE: 8
Make sure that the actuating shaft of the main switch slides easily into the opening in the ro-
tary button. 8
Use the machine key to lock the door.
8.6.8 Carry out the safety check to DIN EN 60 204
When the conversion is complete, carry out a safety check to DIN EN 60 204.
Follow the procedure described in section 2, page 146 onwards.
8.7 HS-60 / D1 / D2 / D4 circuit diagrams
3 x 208 V conversion kit for HSxx/D, for USA
00119801-010102LD4, 2 sheets, see page 275
and 276 8
3 x 400 V conversion kit for HSxx/D, international
00119802-010101LD4, 2 sheets, see page 277
and 278 8

Assembly Instructions, Converting the Power Supply 8 Converting the power supply on the HS-XX / Di machine using PKE32/XTU-32
12/2013 Edition 8.7 HS-60 / D1 / D2 / D4 circuit diagrams
275
8
Fig. 8 - 13 3 x 208 VAC Conversion Kit for HSxx/D, 00119801-010102LD4, sheet 1 of 2
E
D
C
B
A
123
4
Warnschild Nr. 211
CEE-Connector
CEE-Stecker
danger sign
(NC)
K11
Umverdrahtet für
USA 3 x 208 V~
Reconnected for the
USA 3 X 208 VAC
03098183-XX
PKE32/XTU-32
Motorschutzschalter
Motor Protector Switch
00357871-XX
Steckdosenschutz
In Servicesteckdose einsetzen
Socket guard
Insert into service socket
00345937-XX
Netzkabel für USA
Main Power cable
for USA
Stromversorgung
Power Supply
Überstrom
Over current
HS-60 / D4
D1 / D2
24A
15A
Kurzschluss
Short Circuit
Class 10
Class 10

8 Converting the power supply on the HS-XX / Di machine using PKE32/XTU-32 Assembly Instructions, Converting the Power Supply
8.7 HS-60 / D1 / D2 / D4 circuit diagrams 12/2013 Edition
276
8
Fig. 8 - 14 3 x 208 VAC Conversion Kit for HSxx/D, 00119801-010102LD4, sheet 2 of 2
E
D
C
B
A
123
4
Earth clamp
Trafo Primär
P100P6V_R
P100P6V
P30V_R
P30V
N30V
6
6
W_XY
BE - Tisch
LP - Handling
1P34V
N34V
P34V
P8V
R1 C1
22K
BE - Tisch
DC/DC-Konv.
P48V
N48V
Psz1
Nsz1
0,75
4
(Blatt 1)
1
2
2
2
Nach Auslösen der Sicherungsautomaten F5, F6, F7, F8, F9, F10, oder F11
sind immer auch die Sicherungen F4N, F6.x, F7.x, F9.x, F10.x, und F11.x zu prüfen.
Hinweis !
PC
Monitor
4 1,5
1,5
4
4
4
4
PE-Klemme
(wirdbei Bedarf
nachgerüstet)
PE-clamp
Inthecaseoftrippingcircuitbraker F5,F6,F7,F8,F9,F10,orF11
you must inspect circuit braker F4N, F6.x, F7.x, F9.x, F10.x, and F11.x soever.
Note!
Dischargeres.
Z/Dp - Servo
Component - Table
PCB-Conveyor
DC/DC-Conv.
Discharge res.
Component - Table
1
3
5
2
4
6
F3 4A
3 X 400 VAC 3 X 208 VAC
1U3
1V3
1W3
1U6
1V6
1W6
Umverdrahten
Reconnect