00193437-03_AI_PowerSupplyConversion_DE EN - 第46页
3 Stromversorgung am Automaten HF umrüsten Montageanleitung Stromversorgung umrüsten 3.7 Stromlaufpläne HF Ausgabe 12/2013 44 3 Abb. 3 - 25 Um rüstsatz international, SIPLACE HF , 00354626 -060301LD4, Blatt 1 von 2 SD EA…

Montageanleitung Stromversorgung umrüsten 3 Stromversorgung am Automaten HF umrüsten
Ausgabe 12/2013 3.7 Stromlaufpläne HF
43
3
Abb. 3 - 24 Umrüstsatz USA (208 V~), SIPLACE HF, 00119605-020101LD4, Blatt 2 von 2
Sternpunkt
2U1
2V1
2W1
2N
3U1
3V1
3W1
4U1
4V1
4W1
F7
39,4V
GND_P
Vin(+)
Vin(-)
47 000µF
U7
C1
R1
SD EA 1 R&D
Datum
Bearb.
Gepr.
Norm
NameÄnderungZustand
Blatt
Bl.
SIEMENS DEMATIC
Datum
2
Transformator1
TrafoPrimär
415V
400V
380V
Erdklemme
BordNetz
F4
R4
AC_Vin
U3
Umklemmen
SIPLACE HF
besondere fuer den Fall der Patenterteilung oder GM-Eintragung.
nicht ausdruecklich zugestanden. Alle Rechte vorbehalten, ins-
wertung und Mitteilung ihres Inhalts nicht gestattet, soweit
Weitergabe sowie Vervielfaeltigung dieser Unterlage, Ver-
Confiado como secrete industrial. Nos reservamos todos los derechos.
Proprietary data , company confidential . All rights reserved.
Confie a titre de secret d'entreprise. Tous droits reserves.
Comunicado como segredo empresarial. Reservados todos os direitos.
Tek
Umrüstsatz USA (208V)
00119605-020101LD4
2
16.10.2002
Hoffmann K.
400515
24.04.03US02
Tek400623
24.07.03FS02
GND_P
Vin(+)bel
T1A
T1A
F111
F112
F10
13A
Vin(+)axis
Vin(-)axis
47 000µF
U70
C2
R3
GND_P
U_XY
V_XY
W_XY
BusVoltageS(+)
10A
177V
D32A
T1
BusVoltageS_R
208V
230V
415V
400V
380V
208V
230V
415V
400V
380V
208V
230V
SZ1(+)
SZ1(-)
23,8V
U8
F11

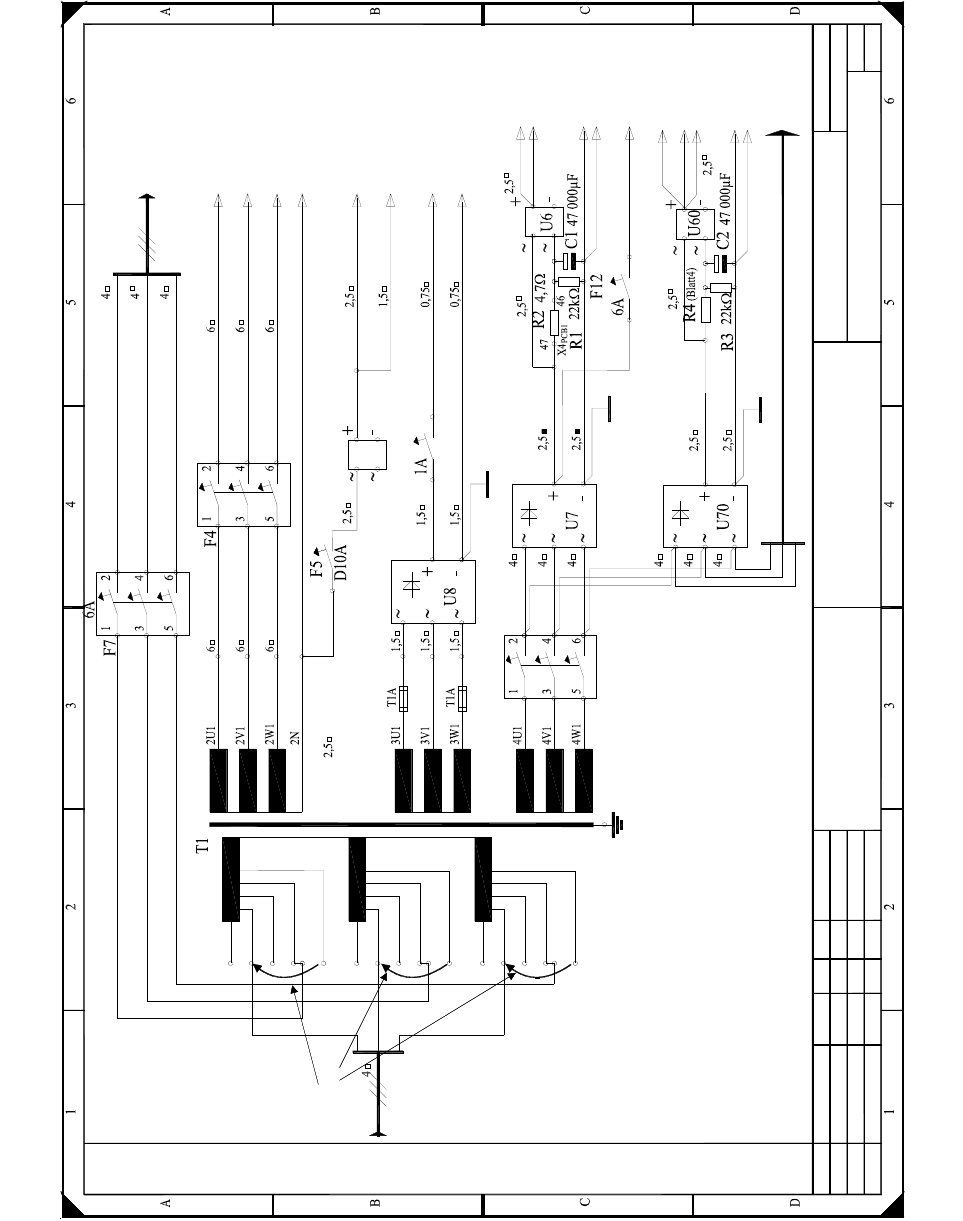
3 Stromversorgung am Automaten HF umrüsten Montageanleitung Stromversorgung umrüsten
3.7 Stromlaufpläne HF Ausgabe 12/2013
44
3
Abb. 3 - 25 Umrüstsatz international, SIPLACE HF, 00354626-060301LD4, Blatt 1 von 2
SD EA 1 R&D
Datum
Bearb.
Gepr.
NormNameÄnderungZustand
Blatt
Bl.
SIEMENS DEMATIC
Datum
1
PE
N
EEP
PE
Netzfilter
Umrüstsatz international
00354626-060301LD4
2
21.05.2002
Hoffmann K.HK
FS06
11.04.03400457
HK
FS05
400421 zurückgenommen
Tek
RS03
14.08.03400655
K1.1
TrafoPrimär
SZ1(-)
Einschalt-Strombegrenzung-Trafo
EEP EinschubErdungsPunkt
HEP HauptErdungsPunkt (Rahmen)
0,750,75
X100
Z1
Hauptschalter
Q1
HEP
EEP
Rahmen
(Blatt 7)
L1
L2
L3
L1
L2
L3
L1
L2
L3
L1'
L2'
L3'
T1
T2
T3
L1
L2
L3
T1
T2
T3
F1
Hauptschütz K1
L20
F23
3 xT6,3A
F22
F21
Steckdosenschutz von Steckdose entfernen
Umgesteckt für 3 x 380 V~, 3 x 400 V~, 3 x 415 V~
SIPLACE HF
00342495
Auslöserblock 16A
Comunicado como segredo empresarial. Reservados todos os direitos.
Confie a titre de secret d'entreprise. Tous droits reserves.
Proprietary data , company confidential . All rights reserved.
Confiado como secrete industrial. Nos reservamos todos los derechos.
Weitergabe sowie Vervielfaeltigung dieser Unterlage, Ver-
wertung und Mitteilung ihres Inhalts nicht gestattet, soweit
nicht ausdruecklich zugestanden. Alle Rechte vorbehalten, ins-
besondere fuer den Fall der Patenterteilung oder GM-Eintragung.
SZ1(+)
6A
Q2
Leistungsschalter
6
2,5
2,5
2,5
6 br
6
6
6
6
1,5
1,5
1,5
1,5 1,5 1,5
6
6 br
6 br 6 br
6 br
6 br
6 br
Hilfsschalterblock(Ö)
6
Drehstrom
Netzstecker
X101
Service
Steckdose
X102
0,75
0,75
0,750,75

Montageanleitung Stromversorgung umrüsten 3 Stromversorgung am Automaten HF umrüsten
Ausgabe 12/2013 3.7 Stromlaufpläne HF
45
3
Abb. 3 - 26 Umrüstsatz international, SIPLACE HF, 00354626-060301LD4, Blatt 2 von 2
Sternpunkt
(Blatt 1/5)
(Blatt 1)
39,4V
GND_P
Vin(+)
Vin(-)
00354626-060301LD4
2
21.05.2002
Hoffmann K.
HK
FS06 11.04.03400457
HK
FS05 400421 zurückgenommen
Tek
RS03 14.08.03400655
SD EA 1 R&D
Datum
Bearb.
Gepr.
NormNameÄnderungZustand
Blatt
Bl.
SIEMENS
DEMATIC
Datum
2
Transformator1
TrafoPrimär
(Blatt 1)
415V
400V
380V
Erdklemme
BordNetz
GND_P
Vin(+)bel
F111
F112
F10
13A
Vin(+)axis
Vin(-)axis
GND_P
AC_Vin
U3
Umklemmen
Umrüstsatz international
SIPLACE HF
Confiado como secrete industrial. Nos reservamos todos los derechos.
Proprietary data , company confidential . All rights reserved.
Confie a titre de secret d'entreprise. Tous droits reserves.
Comunicado como segredo empresarial. Reservados todos os direitos.
besondere fuer den Fall der Patenterteilung oder GM-Eintragung.
nicht ausdruecklich zugestanden. Alle Rechte vorbehalten, ins-
wertung und Mitteilung ihres Inhalts nicht gestattet, soweit
Weitergabe sowie Vervielfaeltigung dieser Unterlage, Ver-
U_XY
V_XY
W_XY
BusVoltageS(+)
177V
D32A
BusVoltageS_R
208V
230V
415V
400V
380V
208V
230V
415V
400V
380V
208V
230V
SZ1(+)
SZ1(-)
23,8V
F11