00193437-03_AI_PowerSupplyConversion_DE EN - 第57页
Montageanleitung Stromversorgung umr üsten 4 Stromversorgung am MTC2 umrüst en Ausgabe 12/2013 4.5 Stromversorgung von 3 x 208 V~ auf 3 x 400 V~ umrüst en 55 4.5.2 Schutzleiterverbindungen kontrollieren, Abdeckun gen mon…

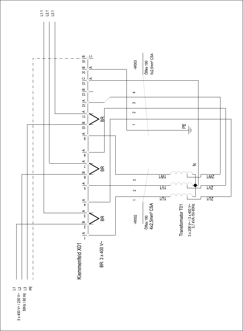
4 Stromversorgung am MTC2 umrüsten Montageanleitung Stromversorgung umrüsten
4.5 Stromversorgung von 3 x 208 V~ auf 3 x 400 V~ umrüsten Ausgabe 12/2013
54
4
Abb. 4 - 6 MTC2 - Klemmenfeld X01, Stromlaufplan 3 x 400 V~

Montageanleitung Stromversorgung umrüsten 4 Stromversorgung am MTC2 umrüsten
Ausgabe 12/2013 4.5 Stromversorgung von 3 x 208 V~ auf 3 x 400 V~ umrüsten
55
4.5.2 Schutzleiterverbindungen kontrollieren, Abdeckungen montieren
Kontrollieren Sie, ob demontierte Schutzleiter wieder ordnungsgemäß angeschlossen sind.
Montieren Sie die Abdeckung.
4.5.3 Sicherheitsprüfung nach DIN EN 60 204 durchführen
Führen Sie nach Abschluss der Umverdrahtung eine Sicherheitsprüfung nach DIN EN 60 204
durch.
Gehen Sie dazu vor, wie dies in Abschnitt 2 ab Seite 12 beschrieben ist.
4

5 Stromversorgung am Automaten S-27 HM/ und am BE-Wagen umrüsten Montageanleitung Stromversorgung umrüsten
5.1 Funktionsstände der betroffenen Stromversorgungseinheiten Ausgabe 12/2013
56
5 Stromversorgung am Automaten S-27 HM/
und am BE-Wagen umrüsten
5.1 Funktionsstände der betroffenen Stromversorgungseinheiten
In diesem Abschnitt ist die Umrüstung der Stromversorgungseinheiten am Bestückautomaten
SIPLACE S-27 HM und am BE-Wechseltisch beschrieben. Damit lassen sich die Stromversor-
gungseinheiten den länderspezifischen Versorgungsnetzen anpassen. 5
Diese Anleitung gilt für Automaten, deren Stromversorgung folgenden Funktionsstand aufweist:5
– Bestückautomat S-27 HM mit Stromversorgung 00336812 ab Funktionsstand 04
– BE-Wagen 00116226 ab Funktionsstand 01
5.2 Werkzeuge und Hilfsmittel
– Sechskantstiftschlüssel, Satz, DIN 911
– Schlitzschraubendreher, Satz
– Multimeter
5.3 Stromlaufpläne
– Stromlaufplan SIPLACE S-27 HM, Netzanschluss 3 x 400 V~, Netzanschluss 3 x 208 V~,
Zeichnungs-Nr. 00336812-040301LD3, 1 Blatt (siehe Abb. 5 - 13
, Seite 77)
– Stromlaufplan Transformator BE-Wagen, alte Version (siehe Abb. 5 - 14
, Seite 78)
Zeichnungs-Nr. 00301239-040301LD4
– Stromlaufplan Transformator T1 BE-Wagen, neue Version (siehe Abb. 5 - 15
, Seite 79)
Zeichnungs-Nr. 00301239-060101LD4
5.4 Teile
Umrüstsatz 120/208 V für Siplace S-27 HM, Artikel-Nr. 00117185-01, bestehend aus: 5
– Schmelzeinsatz 5 x 20, T 6,3 A, 10 Stück (für BE-Wagen bei 115 V~)
Artikel-Nr. 00806005-01
– Schmelzeinsatz 5 x 20, T 3,15 A, 10 Stück (für BE-Wagen bei 230 V~)
Artikel-Nr. 00304938-01
– Steckdosenschutz Teddy, Serie 6310, weiß (für Servicesteckdose)
Artikel-Nr. 00357871-01