00193437-03_AI_PowerSupplyConversion_DE EN - 第64页
5 Stromversorgung am Automaten S-27 HM/ und am BE-Wagen umrüsten Mon tageanleitung Stromversorgung umrüsten 5.6 S-27 HM von 3 x 400 V ~ auf 3 x 208 V ~ umrüsten Ausgabe 12/2013 62 Abb. 5 - 3 Frontseite des S tromversorgu…

Montageanleitung Stromversorgung umrüsten 5 Stromversorgung am Automaten S-27 HM/ und am BE-Wagen umrüsten
Ausgabe 12/2013 5.6 S-27 HM von 3x 400 V~ auf 3 x 208 V~ umrüsten
61
5.6.2 Einphasentransformator T1 von 230 V~ auf 120 V~ umklemmen
Lösen Sie den schwarzen Anschlussdraht von Klemme (6) (230 V~) und schließen Sie ihn an
Klemme (4) an (120 V~, siehe Abb. 5 - 2
).
5.6.3 Drehstromtransformator T2 von 3 x 400 V~ auf 3 x 208 V~ umklemmen
Lösen Sie den schwarzen Anschlussdraht von Klemme 1U1 (400 V~) und schließen Sie ihn
an Klemme 1U3 an (208 V~) (siehe Abb. 5 - 2
).
Lösen Sie den schwarzen Anschlussdraht von Klemme 1V1 (400 V~) und schließen Sie ihn
an Klemme 1V3 an (208 V~) (siehe Abb. 5 - 2
).
Lösen Sie den schwarzen Anschlussdraht von Klemme 1W1 (400 V~) und schließen Sie ihn
an Klemme 1W3 an (208 V~) (siehe Abb. 5 - 2
).
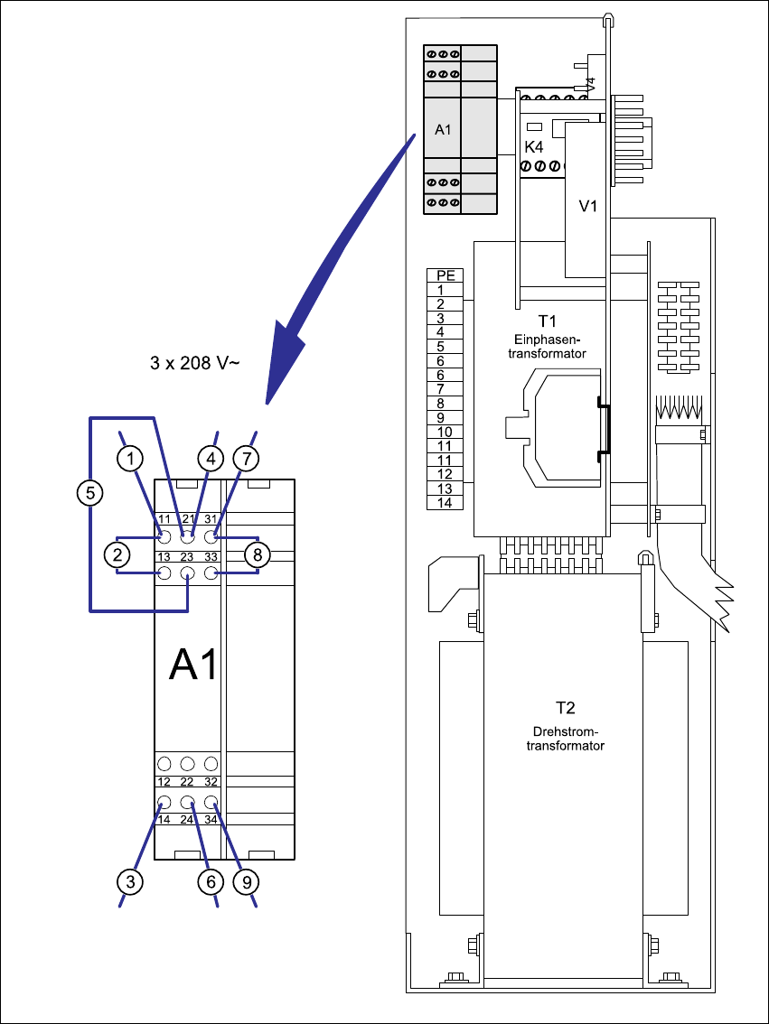
5.6.4 Einschaltstrombegrenzer A1 von 3 x 400 V~ auf 3 x 208 V~ umklemmen
Klemmen Sie die Ader (3) von Klemme 13 auf Klemme 14 um (siehe Abb. 5 - 3).
Klemmen Sie die Ader (6) von Klemme 23 auf Klemme 24 um (siehe Abb. 5 - 3).
Klemmen Sie die Ader (9) von Klemme 33 auf Klemme 34 um (siehe Abb. 5 - 3).
Klemmen Sie die Ader (2) von Klemme 12 auf Klemme 13 um (siehe Abb. 5 - 3).
Klemmen Sie die Ader (5) von Klemme 22 auf Klemme 23 um (siehe Abb. 5 - 3).
Klemmen Sie die Ader (8) von Klemme 32 auf Klemme 33 um (siehe Abb. 5 - 3).
5.6.5 Stromversorgungseinschub einbauen
Schieben Sie den Stromversorgungseinschub vorsichtig bis zum Anschlag in das Gehäuse.
Sichern Sie den Einschub am Fußteil mit der Innensechskantschraube.
Kontrollieren Sie, dass der gelbgrüne Schutzleiter mit der Abdeckung verbunden ist.
Setzen Sie die Abdeckung ein.
HINWEIS: 5
Achten Sie darauf, dass die Schaltwelle des Hauptschalters problemlos in die Öffnung im
Drehknopf gleitet. 5
5
Befestigen Sie die Abdeckung mit den beiden Innensechskantschrauben.

5 Stromversorgung am Automaten S-27 HM/ und am BE-Wagen umrüsten Montageanleitung Stromversorgung umrüsten
5.6 S-27 HM von 3x 400 V~ auf 3 x 208 V~ umrüsten Ausgabe 12/2013
62
Abb. 5 - 3 Frontseite des Stromversorgungseinschub - Anschluss des Einschaltstrombegrenzers (003429988-01)
bei 3 x 208 V~
1 - 9 Nummern der Anschlussadern
A1 Einschaltstrombegrenzer 5

Montageanleitung Stromversorgung umrüsten 5 Stromversorgung am Automaten S-27 HM/ und am BE-Wagen umrüsten
Ausgabe 12/2013 5.6 S-27 HM von 3x 400 V~ auf 3 x 208 V~ umrüsten
63
5.6.6 5- bzw. 4-Leiteranschluss der Netzversorgung
Je nach Vorgabe durch die Stromversorgungsunternehmen wird die Anschlusstechnik in 5- bzw.
4-Leiterkabeln ausgeführt. Der Automat wird standardmäßig in 5-Leiter-Anschlusstechnik ausge-
liefert. 5
5.6.6.1 5-Leiteranschluss
Beim 5-Leiteranschluss sind Neutralleiter (N) und Schutzleiter (PE) in getrennten Adern geführt.5
Im Klemmenfeld "Spannungen" sind zwei zusätzliche gelbgrüne Brückenkabel BR1 und BR2
an den Klemmleisten X206:PE und X207:7 angeschlossen. Diese Brückenkabel werden dann
bei einem 4-Leiteranschluss umgeklemmt.
Abb. 5 - 4 Klemmenfeld "Spannungen", 5-Leiteranschluss
BR1 (gegr) 5
BR2 (gegr) 5