00193437-03_AI_PowerSupplyConversion_DE EN - 第79页
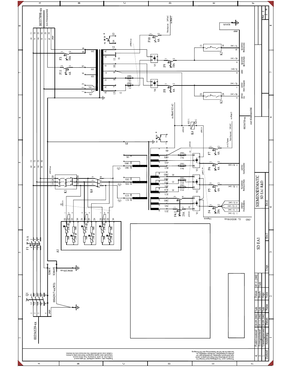
Montageanleitung Stromversorgung umrüsten 5 Stromversorgung am Automaten S-27 HM/ und am BE-Wagen umrüst en Ausgabe 12/2013 5.9 BE-Wagen von 120 V~ auf 230 V~ umrüsten 77 5 Abb. 5 - 13 Stromlaufplan S-27 HM SMD-Best ücka…

5 Stromversorgung am Automaten S-27 HM/ und am BE-Wagen umrüsten Montageanleitung Stromversorgung umrüsten
5.9 BE-Wagen von 120 V~ auf 230 V~ umrüsten Ausgabe 12/2013
76
5.9.2 Sicherung wechseln
Die Stromversorgung für den BE-Wagen gibt es in zwei Versionen: 5
Sicherung F1 an der alten Stromversorgung wechseln 5
Hier sitzt die Sicherung an der Primärseite des Transformators T1. Die Sicherung F1 muss ge-
tauscht werden (siehe Stromlaufplan 00301239-040301LD4, Seite 78
) 5
Ersetzen Sie die Sicherung im Sicherungshalter am Abdeckblech:
bisheriger Wert: 6,3 A T
neuer Wert: 3,15 A T
Ersetzen Sie das Klebeschild mit der Angabe 6,3 A durch das aus dem Nachrüstpaket mit
3,15 A.
Setzen Sie das Abdeckblech wieder auf den Transformator auf und ziehen Sie die vier In-
nensechskantschrauben fest.
Neue Stromversorgung 5
Hier sitzen zwei Sicherungen an der Sekundärseite des Transformators T1. Der Austausch der
Sicherungen entfällt (siehe Stromlaufplan 00301239-060101LD4, Seite 79
) 5
Setzen Sie das Abdeckblech wieder auf den Transformator auf und ziehen Sie die vier In-
nensechskantschrauben fest.
5.9.3 Schutzleiterverbindungen kontrollieren
Kontrollieren Sie, ob demontierte Schutzleiter wieder ordnungsgemäß angeschlossen sind.
5.9.4 Sicherheitsprüfung nach DIN EN 60 204 durchführen
Führen Sie nach Abschluss der Umverdrahtung eine Sicherheitsprüfung nach DIN EN 60 204
durch.
Gehen Sie dazu vor, wie dies in Abschnitt 2 ab Seite 12 beschrieben ist.
5

Montageanleitung Stromversorgung umrüsten 5 Stromversorgung am Automaten S-27 HM/ und am BE-Wagen umrüsten
Ausgabe 12/2013 5.9 BE-Wagen von 120 V~ auf 230 V~ umrüsten
77
5
Abb. 5 - 13 Stromlaufplan S-27 HM
SMD-Bestückautomat
Siplace S27HM
Stromversorgung Stromlauf
00336812-040301LD3
Grundgestell Stromversorgung
Einschaltstrombegrenzung
T1
Beim Betrieb der Maschine mit 208/120V (USA) ist Folgendes zu beachten:
1.) Schalten Sie die Einschaltstrombegrenzer A1 parallel:
Erdungsbolzen
Frontabdeckung
Achtung Netzspannungsanschluss!
Bei Bedarf N-Leiter über
Hauptschalter führen. (IT-Netz)
z.B. Frankreich / Italien / USA
zum Netzfilter
Hauptschalter
Achtung Hinweis zu Feinsicherungen !
Nach Auslösen der Sicherungsautomaten F5, F6,
F8 oder F9 sind die Feinsicherungen F5.1, F5.2
bzw F6.1, F6.2 bzw F8.1 bzw F9.1 immer zu
überprüfen.
Zeichnung: 3 x 400 V~ Netzspannungsanschluss
Klemmen Sie die Ader 3 von 13 auf 14.
Klemmen Sie die Ader 2 von 12 auf 13.
Klemmen Sie die Ader 6 von 23 auf 24.
Klemmen Sie die Ader 5 von 22 auf 23.
Klemmen Sie die Ader 9 von 33 auf 34.
Klemmen Sie die Ader 8 von 32 auf 33.
2.) Klemmen Sie am Transformator T1 die Einspeisung von 230 V~ auf 120 V~ um.
Klemmen Sie die Ader (L) von 6 auf 4.
2.) Klemmen Sie am Transformator T2 die Einspeisung von 3x400 V~ auf 3x208 V~ um.
Klemmen Sie die Ader (1) von 1U1 auf 1U3.
Klemmen Sie die Ader (2) von 1V1 auf 1V3.
Klemmen Sie die Ader (3) von 1W1 auf 1W3.
T2
(L)

5 Stromversorgung am Automaten S-27 HM/ und am BE-Wagen umrüsten Montageanleitung Stromversorgung umrüsten
5.9 BE-Wagen von 120 V~ auf 230 V~ umrüsten Ausgabe 12/2013
78
5
Abb. 5 - 14 Stromversorgung BE-Wagen, alte Version
AenderungZustand Datum
PL EA 1 E2
Urspr./Ers.f./Ers.d.NormName
Gepr.
Stromlaufplan/Circuit diagram
Beab.
Datum
SMD-Bestueckautomat Siplace
1
1
Trafo BE-Wagen
F1
bl
gnge
5
4
3
2
1
10
9
7
8
6
28V/3A
8V/2A
0V
8V/2A
28V/3A + 2A 50% ED 1
4
2
3
5230V
115V
+5%
0V
-5%
gnge
F1 = 3,15 AT bei 230VAC
F1 = 6,3 AT bei 115VAC
Trafoabdeckung
BE-Tisch
Masse
00301069-xx
Kabel: Trafo - Stromversorgung
Bl.
Bl.
1,5mm²
04.
03.
01.
29.08.00
01.06.01
01.06.01 Tek
Tek
Wa. 11.07.1994
Eschenweck
DEMATICSIEMENS
00301239-040301LD4
Unterlagenstand
Erzeugnisstand
Funktionsstand
X21ar
Zur
Steuerplatine
BE-Tisch
X36
Schnittstelle
Zur
T1
br
PE
PE
00300379
Kabel: Leistung BE-Tisch
PE
Anschluss fuer
Erdungskabel BE-Wagen fahrbar
Teil 001
Alte Version