00193437-03_AI_PowerSupplyConversion_DE EN - 第87页
Montageanleitung Stromversorgung umr üsten 6 Stromversorgung am MTC umrüst en Ausgabe 12/2013 6.4 Stromversorgung von 3 x 400 V~ auf 3 x 208 V~ umrüst en 85 6.4.2 Umrüst arbeiten am T ransformator T1 für den BE-T isch 6.…

6 Stromversorgung am MTC umrüsten Montageanleitung Stromversorgung umrüsten
6.4 Stromversorgung von 3 x 400 V~ auf 3 x 208 V~ umrüsten Ausgabe 12/2013
84
6
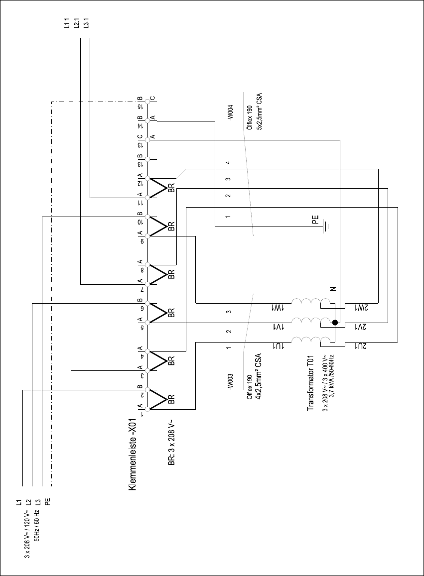
Abb. 6 - 3 MTC - Klemmenfeld X01, Stromlaufplan 3 x 208 V~

Montageanleitung Stromversorgung umrüsten 6 Stromversorgung am MTC umrüsten
Ausgabe 12/2013 6.4 Stromversorgung von 3 x 400 V~ auf 3 x 208 V~ umrüsten
85
6.4.2 Umrüstarbeiten am Transformator T1 für den BE-Tisch
6.4.2.1 Transformator T1 von 230 V~ auf 120 V~ umklemmen
– Entfernen Sie den Gurtrollenbehälter und den Abfallbehälter.
– Lösen Sie die Schrauben der MTC-Abdeckung an der BE-Tischseite.
– Heben Sie die Abdeckung ab.
6
Abb. 6 - 4 Lage des Transformators T1 für den BE-Tisch
T1 Transformator zur Stromversorgung der Kommunikation am BE-Tisch 6

6 Stromversorgung am MTC umrüsten Montageanleitung Stromversorgung umrüsten
6.4 Stromversorgung von 3 x 400 V~ auf 3 x 208 V~ umrüsten Ausgabe 12/2013
86
Abb. 6 - 5 BE-Tisch, Transformator T1, Anschluss 120 V~
6
6
Klemmen Sie die schwarze Ader von Klemme 5 ab und an Klemme 4 an.
6.4.2.2 Sicherung F1 wechseln
Ersetzen Sie die Sicherung im Sicherungshalter am Abdeckblech:
bisheriger Wert: 3,15 A T
neuer Wert: 6,3 A T
Ersetzen Sie das Klebeschild mit der Angabe 3,15 A durch das aus dem Nachrüstpaket mit
6,3 A.
Spannung
Anschlussklemmen
Blaue Ader Schwarze Ader
242 V~ 1 5
230 V~ 2 5
219 V~ 3 5
126 V~ 1 4
120 V~ 2 4
114 V~ 3 4
Tab. 6 - 1 BE-Tisch, Anschlussspannungen für den Transformator T1