00193437-03_AI_PowerSupplyConversion_DE EN - 第91页
Montageanleitung Stromversorgung umr üsten 6 Stromversorgung am MTC umrüst en Ausgabe 12/2013 6.5 Stromversorgung von 3 x 208 V~ auf 3 x 400 V~ umrüst en 89 S tecken Sie an der Klemmenleiste X01 insges amt drei Querbrü…

6 Stromversorgung am MTC umrüsten Montageanleitung Stromversorgung umrüsten
6.5 Stromversorgung von 3 x 208 V~ auf 3 x 400 V~ umrüsten Ausgabe 12/2013
88
6.5.1 Umrüstarbeiten an der Elektronikplatte
6
Abb. 6 - 6 Lage der Elektronikplatte
(1) Elektronikplatte
(2) Klemmenleiste X01
(3) Motorschutzschalter Q01
6
Lösen Sie die Schrauben für die Abdeckung der Elektronikplatte.
Heben Sie die Abdeckung ab.
Ziehen Sie von der Klemmenleiste X01 (Punkt 2 in Abb. 6 - 6) die sechs Querbrücken auf den
Durchgangsklemmen 1-2, 3-4, 5-6, 7-8, 9-10 und 11-12 ab.

Montageanleitung Stromversorgung umrüsten 6 Stromversorgung am MTC umrüsten
Ausgabe 12/2013 6.5 Stromversorgung von 3 x 208 V~ auf 3 x 400 V~ umrüsten
89
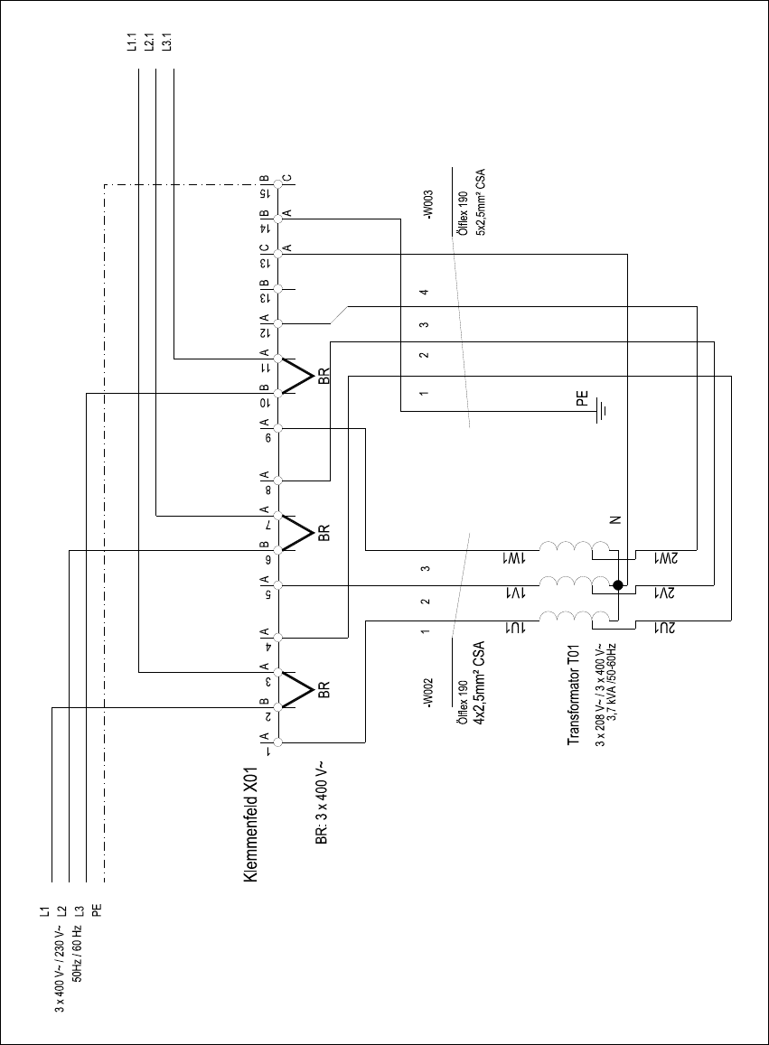
Stecken Sie an der Klemmenleiste X01 insgesamt drei Querbrücker zwischen die Durch-
gangsklemmen 2-3, 6-7 und 10-11 auf (BR siehe Abb. 6 - 7
).
Lassen Sie am Motorschutzschalter Q01 die Einstellung für den Auslösestrom unverändert auf
3,5 A.
6
Abb. 6 - 7 MTC-Elektronikplatte - Querbrücker für 3 x 400 V~ gesetzt
BR Querbrücker, 3 Stück 6
Q01 Motorstromschutzschalter 6
X01 Klemmenleiste 6
BR (3 x 400 V~) 6

6 Stromversorgung am MTC umrüsten Montageanleitung Stromversorgung umrüsten
6.5 Stromversorgung von 3 x 208 V~ auf 3 x 400 V~ umrüsten Ausgabe 12/2013
90
6
Abb. 6 - 8 MTC - Klemmenfeld X01, Stromlaufplan 3 x 400 V~