德森操作说明书2018(1) - 第16页
深圳德森精密设备有限公司 第二章 设备安装 与调试 13 导轨固定夹 第二 章 设备安 装与调 试 2.1 开箱 开箱后,请您首 先做好以下 工作: 1. 对照《装箱清单》所列各项进行查验。 2. 检查机 器各 部分是否 有损 坏,包 括另箱 包装的 显示器 、三 色灯、及 刮刀 板等, 并将它 们重新安装到印刷机上。 3. 务必将运输时安装在滑块两端的各导轨的导轨固定夹取下。 (如图 2 –1 示) 。 4. 将运输时安装的工作台固定…

深圳德森精密设备有限公司 第一章 系统描述
12
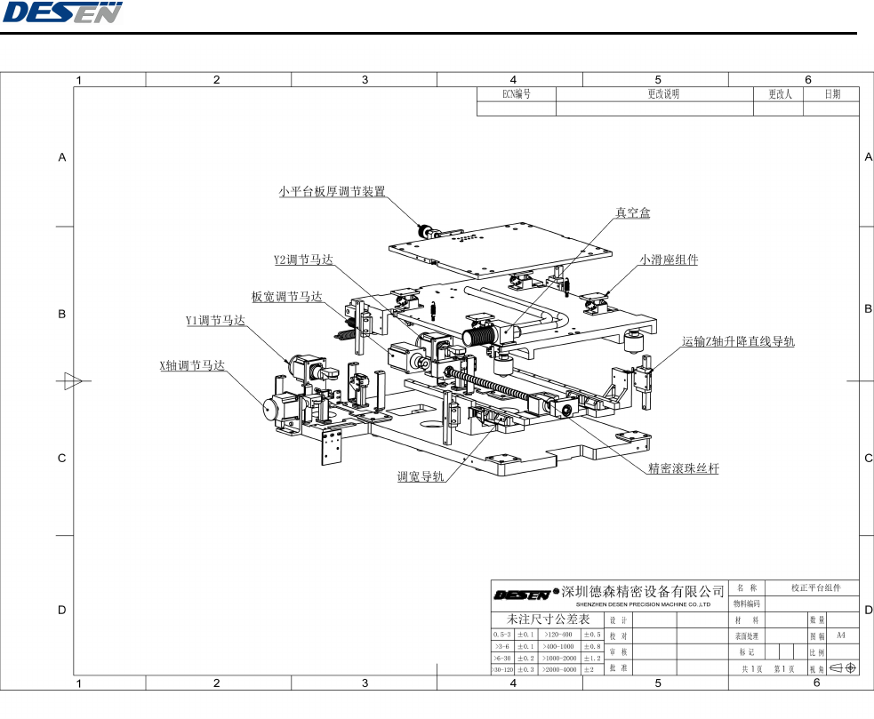
图 1-9 校正平台结构图
1.4.7 操作系统控制
采用
Windows XP/Windows 7
操作系统,智能化的先进软件控制,极大的方便用户的使
用。
1.5
工作原理
由高精度的图像视觉系统精确识别并计算出
PCB Mark
与钢网
Mark
间的偏差值,由
PC
控制工作台完成校准;在印刷焊膏时,锡膏受刮刀的推力产生滚动的前进,所受到的推力可
分解为水平方向的分力和垂直方向的分力。当运行至模板窗口附近,垂直方向的分力使粘度
已降低的焊膏顺利地通过窗口可印刷到
PCB
焊盘上,当平台下降后便留下精确的焊膏图形。

深圳德森精密设备有限公司
第二章 设备安装与调试
13
导轨固定夹
第二章 设备安装与调试
2.1
开箱
开箱后,请您首先做好以下工作:
1.
对照《装箱清单》所列各项进行查验。
2. 检查机器各部分是否有损坏,包括另箱包装的显示器、三色灯、及刮刀板等,并将它
们重新安装到印刷机上。
3.
务必将运输时安装在滑块两端的各导轨的导轨固定夹取下。(如图
2 –1
示)。
4. 将运输时安装的工作台固定板取下(如图 2 –2 示)。
5. 检查各联接处是否有松动脱落,各运动部分传输皮带有无脱落。
6.
检查各直线导轨上的滑块有无滑脱。
7. 检查电气组件是否固定、接触是否良好。
8. 开机前请务必详细阅读本《操作说明书》。
图
2-1
导轨固定夹
图 2-2 工作台固定板

深圳德森精密设备有限公司
第二章 设备安装与调试
14
2.2 操作环境
环境温度:不论印刷机内有无工件,该机的工作环境温度最好在
23
±
5
℃之间,
5
—
40
℃间可
正常工作。
环境高度:该系列机电气设备能在海拔 1000m 以下正常工作。
相对湿度:该系列机的工作环境相对湿度应
20%
—
95%
之间。
储存条件:机器储存应防潮、防尘、防暴晒。在运输过程中,请尽量避免过高的湿度、震动、
压力及机械冲击,运输和存放的环境温度确保在-25—+55℃之间。
安装场地:见机器外形结构图。
2.3
设备安置及高度调整
1. 将印刷机移动安置到选定位置。调节机器下部四个可调机脚(可调整范围:±40mm),
确定所需的设备高度。
2. 调水平的调整方法是:
a) 使用精密水平仪(条式水平仪)进行测量。
b)
通过四个可调机脚,对印刷机反复进行水平调整,直到其完全水平为止。
c) 将可调机脚螺母锁紧。
2.4 电源气源
1)
请使用
AC 220V
、
50/60H
Z
具有额定电流的稳定电源,用户在使用本机器过程中如电
压不稳定,应自备稳压电源。
2) 请使用稳定的压力为 4.5~6kgf/cm
2
的工业气源。
图
2-3
电气源接口位置图