文档中心
/
德森操作说明书2018(1)
德森操作说明书2018(1) - 第55页
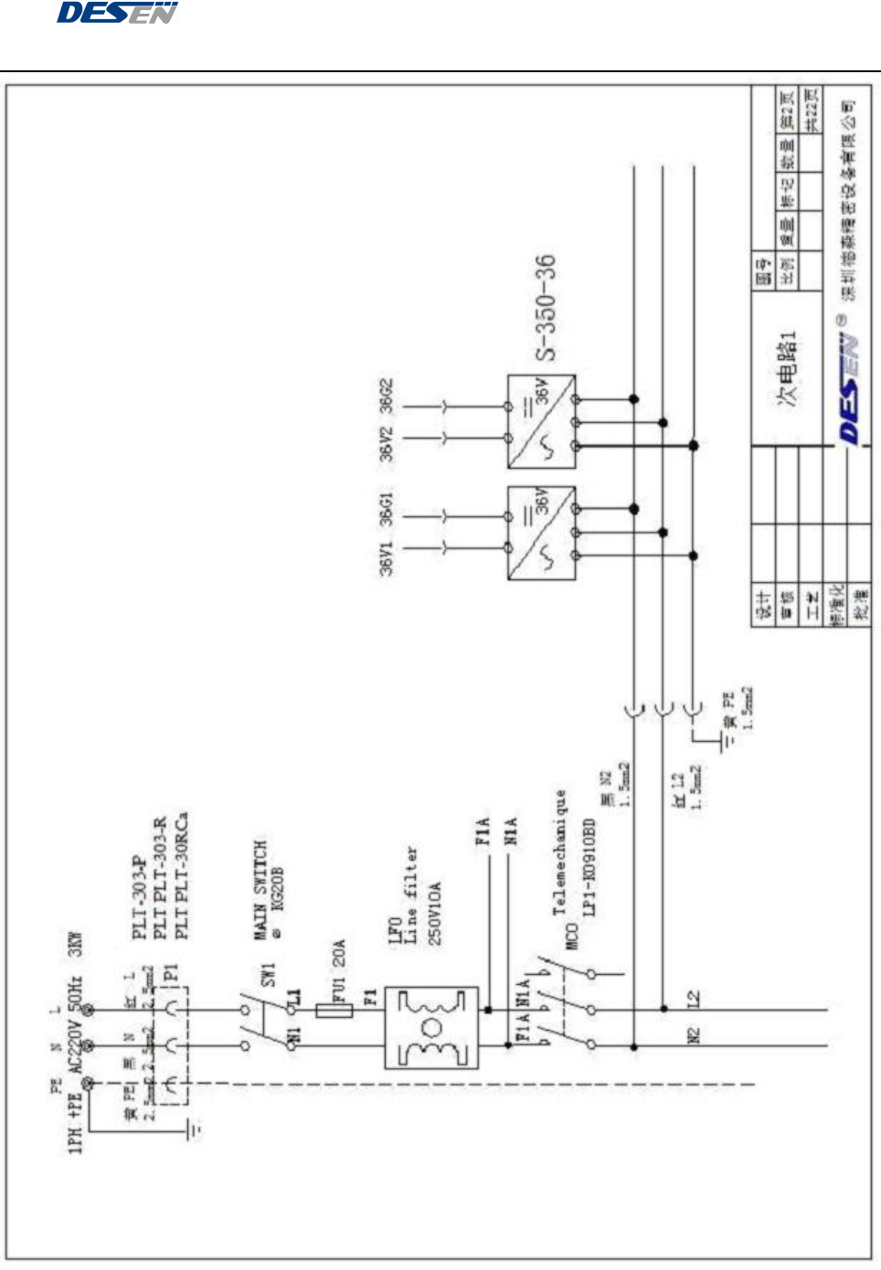
深圳德森精密设备有限公司 第五章 电气解析 52
目录
100%
显示:宽度
宽度
1 / 65
回到旧版
旧版
?
深圳德森精密设备有限公司
第五章 电气解析
51
深圳德森精密设备有限公司
第五章 电气解析
52
深圳德森精密设备有限公司
第五章 电气解析
53
5.2
伺服
、步进电
机示
意图
及定义
该页面需要启用 JavaScript 才能进行交互式预览。