文档中心
/
德森操作说明书2018(1)
德森操作说明书2018(1) - 第65页
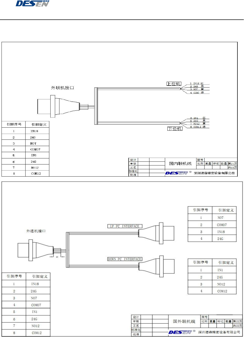
深圳德森精密设备有限公司 第五章 电气解析 62 5.5 联 机线 示意图
目录
100%
显示:宽度
宽度
1 / 65
回到旧版
旧版
?
深圳德森精密设备有限公司
第五章 电气解析
60
深圳德森精密设备有限公司
第五章 电气解析
61
深圳德森精密设备有限公司
第五章 电气解析
62
5.5
联
机线
示意图
该页面需要启用 JavaScript 才能进行交互式预览。