KE-2020-Rev11 - 第73页
- 68 - NOTE( 注記 ) #01....SELECTIVE PARTS 選択部品 REF.NO NOTE PART NO D E S C R I P T I O N 品 名 Qty 1 #01 E5250-729- 0A0 OPTION VCS(37.5) ASM. オプション VCS(37.5)組 1 2 #01 E5250-729- AA0 OPTION VCS(27) ASM. オプション VCS(27)組 1 3 #0…

- 67 -
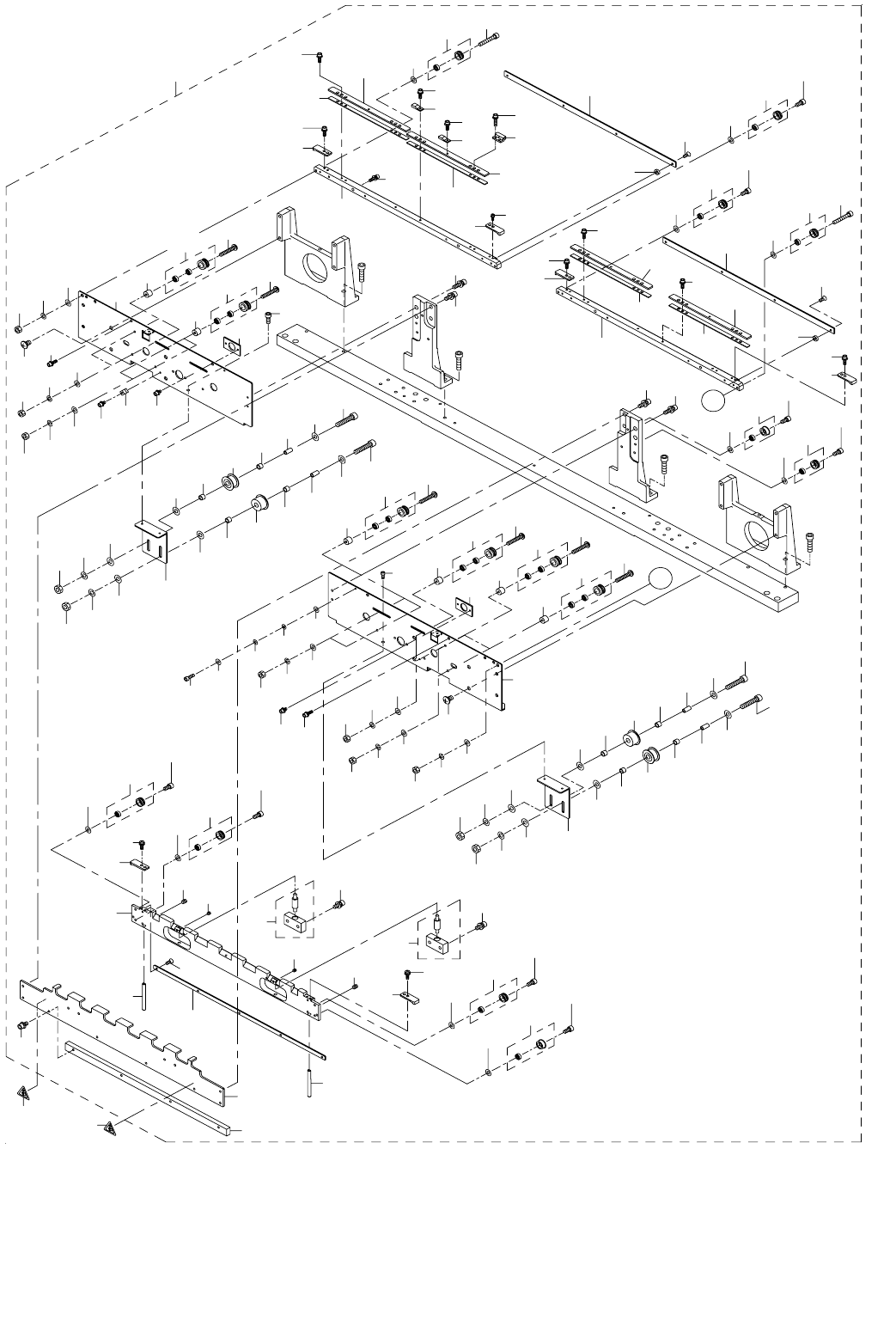
34.VCS COMPONENTS (OPTION)
VCS 関係(オプション)
7
5
9
6
10
10
12
A
A
1
3
14
4
8
13
22
24
11
26
27
25
29
30
28
15
16
17
18
20
19
21

- 68 -
NOTE( 注記 ) #01....SELECTIVE PARTS 選択部品
REF.NO NOTE PART NO D E S C R I P T I O N
品 名
Qty
1
#01
E5250-729-0A0 OPTION VCS(37.5) ASM.
オプション VCS(37.5)組
1
2
#01
E5250-729-AA0 OPTION VCS(27) ASM.
オプション VCS(27)組
1
3
#01
E5250-729-BA0 OPTION VCS(18) ASM.
オプション VCS(18)組
1
4 E5214-729-0A0 VCS ASM.
VCS 組
(1)
5 E8625-729-0A0 LIGHT 4 BOARD ASM.
LIGHT 4基板組
(1)
6 E8629-729-0A0 LIGHT 5 BOARD ASM.
LIGHT 5基板組
(1)
7 PA-0601016-00 AIR CYLINDER
エアシリンダ
(1)
8 E5220-729-000 VCS DOG
VCS ドグ
(1)
9 E5225-729-000 COVER GLASS
カバ−ガラス
(1)
10 E3708-725-000 BGA LIGHT SUPPORT
BGA ライトサポート
(4)
11 PC-0124070-00 SPEED CONTROLLER
スピードコントローラ
(2)
12 PJ-3010405-05 HALF UNION
ハ−フユニオン
(2)
13 E8623-729-0A0 LIGHT 2 BOARD ASM.
LIGHT 2基板組(上面)
(1)
14 E8624-729-0B0 LIGHT 3 BOARD UNIT ASM.
LIGHT 3基板ユニット組
(1)
15 SM-6030802-TN BOLT
六角穴ボルト
(1)
16 E5236-729-000 VCS SHAFT
VCS シャフト
(1)
17 SB-7060002-00 BEARING
ころがり軸受
(2)
18 E5217-729-000 VCS SHAFT GUIDE
VCS シャフトガイド
(1)
19 SL-6051292-TN BOLT
座金付き六角穴ボルト
(4)
20 SM-6040602-TN BOLT
六角穴ボルト
(2)
21 E5226-729-000 DIFFUSER COVER
ディフューザカバー
(1)
22
#01
E5207-729-000 TLC LENS (37.5)
TLC レンズ(37.5)
(1)
23
#01
E5208-729-000 TLC LENS (27)
TLC レンズ(27)
(1)
24
#01
E5209-729-000 TLC LENS (18)
TLC レンズ(18)
(1)
25 400-10386 CCD CAMERA
CCD カメラ
(1)
26
#01
E5204-729-000 VCS CAMERA BRACKET (20MM)
VCS カメラブラケット(20 MM)
1
27
#01
E5203-729-000 VCS CAMERA BRACKET (12MM)
VCS カメラブラケット(12 MM)
1
28 E2063-760-000 SHIM C
シム C
1
29 EA-9500B01-00 CABLE BAND
束線バンド
20
30 EA-9500B02-00 CABLE BAND 150
結束バンド 150
10

- 69 -
35.PWB CONVEYOR COMPONENTS (1) 2020M (1)
基板搬送関係(1)2020 M(1)
11
13
13
45
46
46
44
47
48
48
51
52
22
25
45
44
11
39
47
41
64
64
37
33
32
31
28
30
30
31
32
30
31
32
29
28
2
3
5
6
9
38
27
20
54
56
37
29
18
7
10
11
11
12
12
12
14
14
14
15
15
14
15
16
55
16
21
21
11
8
40
40
49
50
54
16
11
8
55
54
17
22
17
22
25
22
42
43
53
57
58
53
58
57
33
33
24
26
23
38
9
26
24
23
35
34
34
35
36
32
31
30
23
26
24
26
24
23
17
22
25
17
15
12
4
60
62
63
62
59
59
59
62
61
62
63
59
59
62
60
62
63
59
33
59
59
62
63
62
61
1
20
27
18
20
18
27
24
26
23
24
26
23
20
18
27
20
18
27
20
18
27
26
24
23
22
25
17
22
17
25
22
17
25
19
22
19
25
A
A
22
17
25