xp243 系统手册 - 第164页
3. 操作系统 SYS-XP243-2.2S 152 XP-242E/243E 系统手册 · 供料平台·料站 No 定位点顺序的供料平台·料站 No 不保存在 Job 中。定位点数据即使设定 供料平 台·料站 No,保存在 Job 中重新读入后被删除。 (例) 顺序数据的料站 No 指定次料站循环的 供料器时, 请不要仅仅指定次料站循环 内的一个料站。 用上面的例子进行说明。在上面 的例子中,以 (1-11)→ (1- 16)→ (1-…

SYS-XP243-2.2S 3. 操作系统
XP-242E/243E 系统手册 151
参考与端口号一致的顺序不存在于 Fuji Flexa 的 Job 中时,将寻找到的顺序数据分配到这
个机器上,将内容与机器上的数据进行置换。
(例)
用上面的例子进行说明。在 XP 机器上用端口号 「1」新增加参考 「D002」的数据并保存到
在 Fuji Flexa 的 Job 上时,端口号为 「1」、参考为 「D002」的数据被改写,指定也从
XP142B 变更为 XP142A。
顺序数据的参考以及端口号除增加顺序数据以外推荐不要变更。
变更端口号反映到 Job 时也与变更参考时同样。

3. 操作系统 SYS-XP243-2.2S
152 XP-242E/243E 系统手册
·供料平台·料站 No
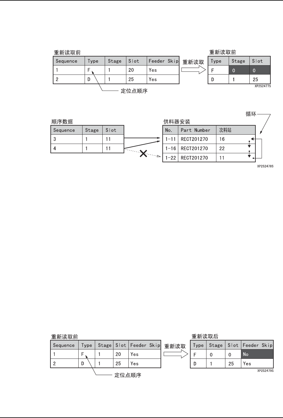
定位点顺序的供料平台·料站 No 不保存在 Job 中。定位点数据即使设定供料平
台·料站 No,保存在 Job 中重新读入后被删除。
(例)
顺序数据的料站No指定次料站循环的供料器时,请不要仅仅指定次料站循环内的一个料站。
用上面的例子进行说明。在上面的例子中,以 (1-11)→ (1-16)→ (1-22)→ (1-11)
→···次料站进行循环。此时,贴装有元件 「RECT201270」的顺序 (顺序 No.3,4)请
必须指定为相同的料站号 (料站 No.11)
指定顺序 No.3 的数据为 11、顺序 No.4 的数据为 22 时,保存到 Job 中时出现数据检查错误。
·定位点名
在定位点顺序中有必要设定 「定位点名」。
必须将子电路板跳过定位点顺序的 「定位点名」与 [编辑]- [定位点]画面的子电路板
跳过定位点的 「定位点名」相同。
·子电路板跳过
在顺序数据的子电路板号码上请设定为 「0」以外的数值。在子电路板号码中设定为 「0」
的顺序是指电路板全体。因此,在子电路板号码中设定为 「0」的顺序数据时将不能设定为
子电路板跳过。
·供料器跳过
在定位点顺序中即使设定供料器跳过,供料平台·料站 No 同样也不能保存在 Job 中。这些
数据保存在 Job 中并重新读取时,数据被删除。
(例)
·顺序
在 XP 机器上可以将贴装顺序和定位点顺序作为一组进行定义,在 Fuji Flexa 上不能输入组
合数据。此外,被跳过的数据肯定配置在最后被读取。
生产中途如果将定位点顺序或者贴装顺序的组合以及含有跳过的顺序的生产程序反映到

SYS-XP243-2.2S 3. 操作系统
XP-242E/243E 系统手册 153
Fuji Flexa 的 Job 中,重新执行从 Fuji Flexa 的 Job 中读取时,生产程序的顺序被变更。
有可能会发生重复贴装或不贴装,请在生产中途不要重新从 Job 中读取生产程序。
(例)
用上面的例子进行说明。一旦将 Job 保存到 Fuji Flexa 中后重新读取时,定位点顺序必须
配置在贴装顺序前面。此外,跳过的顺序在顺序的最后。同样,跳过的贴装顺序配置在贴装
顺序的最后。
·顺序的删除
在 XP 机器上即使删除顺序数据也不能从 Job 中删除 (仅仅是分配被解除而已)。另外,一
旦被删除的顺序数据就不能重新读取到机器上去。如果要恢复一旦被删除的数据时,请输入
一组顺序数据或者用 Fuji Flexa 重新分配。
注意 ) 一旦在 XP 机器上删除的顺序数据用 Fuji Flexa 进行生产线平衡后再次被分配。要从 Job 删除
时,请用 Fuji Flexa 进行删除。
供料器安装
在 Fuji Flexa 上元件名可以输入到 60 个字符,在 XP 机器上只能对应到 30 个字符。如果在
Job 上设定 31 个字符以上后。第 31 个字符以后被舍去,只能设定 30 个字符的元件号名。在
Fuji Flexa 上请不要设定 31 个字符以上的元件号名。
·Status(Fuji Flexa)
Fuji Flexa 的供料器安装的 Status 即使处于不可移动 (Fixed)、不可搭载 (Reserved)
在 XP 机器上也不具有意义。
·FeedCount(Fuji Flexa)
在 XP 机器上供料器的送料次数是参考 Packaging 数据的「Packaging Type」, 不读取在 Fuji
Flexa 上的供料器安装的 「FeedCount」。要保存到 Job 时,以 「Packaging Type」的送料
次数为基本也保存到 「FeedCount」中。
电路板
在 Fuji Flexa 的 Job 上,不存在相应于 XP 机器上的电路板修正量 X/Y 的数据。在 XP 机器
上,在 XP 机器上不能将设定电路板修正量 X/Y 的生产程序反映到 Job 中。