00197466-01_SM_DLM3-4_Kunde_de - 第43页
Servicearbeiten 3.9.3 Mechanische Justage (ab Version 03) Z-Achsenantrieb tauschen Serviceanleitung SIPLACE Bestückköpfe DLM3/DLM4 43 3.11 3 . 1 1 Z - A c h s e n a n t r ie b t a u s c h e n Z-Achsenantrieb tauschen Tei…

Servicearbeiten
Lichtschranke "Z-Achse oben" tauschen [03053294-xx] 3.9.3 Mechanische Justage (ab Version 03)
42 Serviceanleitung SIPLACE Bestückköpfe DLM3/DLM4
3.10
3.10 Lichtschranke "Z-Achse oben" tauschen [03053294-xx]
Lichtschranke "Z-Achse oben" tauschen [03053294-xx]
Teile, Hilfsmittel und Werkzeug
▪ Lichtschranke Z-Achse oben DLM1/2/3 [03053294-xx]
Übersicht
Vorbereitung
► Bauen Sie den Kopf aus der Maschine aus. Für den Aus- und Einbau des Bestückkopfes lesen Sie
die Serviceanleitung Ihrer Maschine.
Ausbau
► Schalten Sie den Automaten aus und sichern Sie ihn gegen Wiedereinschalten.
► Ziehen Sie den Stecker vom Steckplatz am Zwischenverteiler ab.
► Lösen Sie die beiden Innensechskantschrauben (1) und entfernen Sie den Flachbandkabelhalter.
► Lösen Sie die beiden Schlitzschrauben (2).
► Nehmen Sie die Lichtschranke "Z-Achse oben" (3) mit Kabel ab.
► Befestigen Sie die Platine Lichtschranke "Z-Achse oben" (3) mit den beiden Schlitzschrauben (2).
Schieben Sie die Platine innerhalb der Toleranz, welche die Schrauben zulassen, ganz nach oben.
► Stecken Sie den Stecker des Flachbandkabels auf den Steckplatz des Zwischenverteilers auf.
► Fixieren Sie das Flachbandkabel mit dem Flachbandkabelhalter und den beiden
Innensechskantschrauben (1).
► Der weitere Einbau erfolgt in umgekehrter Reihenfolge.
1. Innensechskantschraube M2,0x4, 2 Stück
2. Schlitzschrauben, 2 Stück
3. Platine Lichtschranke "Z-Achse oben"
1
3
2
VORSICHT
Kabelführung überprüfen!
► Achten Sie darauf, dass das Flachbandkabel in der ausgefrästen Führung nicht gequetscht
wird. Achten Sie auch darauf, dass Sie den gefalteten Teil des Flachbandkabels der Licht
-
schranke "Z-Achse oben" wieder unter die Beleuchtungsplatine schieben.
► Hinweis: Es gibt eine neuere Version mit einer gekürzten Flachbandleitung.

Servicearbeiten
3.9.3 Mechanische Justage (ab Version 03) Z-Achsenantrieb tauschen
Serviceanleitung SIPLACE Bestückköpfe DLM3/DLM4 43
3.11
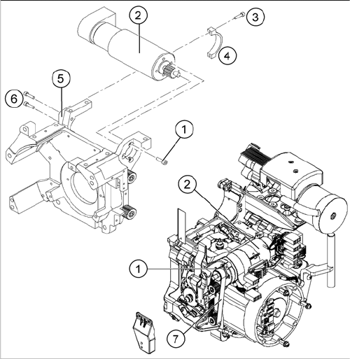
3.11 Z-Achsenantrieb tauschen
Z-Achsenantrieb tauschen
Teile, Hilfsmittel und Werkzeug
▪ DLM1, DLM2, DLM3: Z-Motor mit Entstörplatine [03038908-xx]
▪ DLM4: Z-Motor mit Entstörplatine [03083864-xx]
Vorbereitung
► Bauen Sie den Kopf aus der Maschine aus. Für den Aus- und Einbau des Bestückkopfes lesen Sie
die Serviceanleitung Ihrer Maschine.
Übersicht
Ausbau
► Schalten Sie den Automaten aus und sichern Sie ihn gegen Wiedereinschalten.
► Bauen Sie den Kopf aus der Maschine aus.
► Ziehen Sie die Stecker (Motor-Tacho und Inkrementalgeber) von den Steckplätzen auf dem Zwi
-
schenverteiler ab.
► Lösen Sie die vier verlackten Innensechskantschrauben M3x5 (1).
► Lösen Sie zunächst die obere Innensechskantschraube M2,5x12 (3) der Motorschelle 2 (4), danach
die untere.
► Lösen Sie die beiden Innensechskantschrauben M3x14 (6) der Motorschelle (5).
► Entfernen Sie vorsichtig den Z-Achsenantrieb (2) mit den Kabeln.
1. Innensechskantschraube M3x5 verlackt (4x)
2. Z-Achsenantrieb
3. Innensechskantschraube M2,5x12 (2x)
4. Motorschellenoberteil/DLM3
5. Motorschelle/DLM3 (nicht verwechseln mit der Mon
-
tageschelle Entstörplatine Z-Motor-Tacho)
6. Innensechskantschraube M3x14 (2x)
7. Zahnriemen

Servicearbeiten
Z-Achsenantrieb tauschen 3.9.3 Mechanische Justage (ab Version 03)
44 Serviceanleitung SIPLACE Bestückköpfe DLM3/DLM4
Einbau
► Der weitere Einbau erfolgt in umgekehrter Reihenfolge.
► Setzen Sie den Z-Achsenantrieb (2) ein.
► Achten Sie darauf, dass die Zahnung des Zahnrie
-
mens (7) in die Zähne des Motorritzels (1) eingreift.
► Schrauben Sie den Z-Achsenantrieb mit den vier In
-
nensechskantschrauben M3x5 locker an.
► Spannen Sie den Z-Zahnriemen durch Verschieben
der Z-Antriebseinheit nach oben und befestigen Sie
den Motor mit mindestens einer Schraube.
► Überprüfen Sie mit dem
Riemenspannungsmessgerät die Zahnriemenspan
-
nung.
Frequenz in Hz Vor dem Dauerlauf Nach dem Dauerlauf
Zahnriemen T2 / DLM3 an der Z
-
Achse 280 +/- 10 280 +/- 10
► Befestigen Sie die Motorschelle (5) mit den beiden In
-
nensechskantschrauben M3x14 (6).
► Klemmen Sie das Motorschellenoberteil (4) mit den
beiden Innensechskantschrauben M2,5x12 (3) fest.
► Ziehen Sie nun die Innensechskantschrauben der Z-
Motoreinheit und der Motorschellen fest.
► Kontrollieren Sie den Z-Anschlag oben mit der Ein
-
stell-Lehre.