SOM-1682-002 - 第75页
認識カメラ接続図 認識カメラ接続図 認識カメラ接続図 認識カメラ接続図 認識カメラ接続図 (TPM-200) (TPM-200) (TPM-200) (TPM-200) (TPM-200) 12.1 電気回路図 㧔ࡦࠣᾖ㧕 㧔ᢔᾖ㧕 0412-002-(M782WGZ--0003) 70 AHK01JGP 注 注 注 注 注 : : : : : 部分が、本特別仕様です。

0412-002-(M748WG---0003) 69 AHK01JGP
注注
注注
注
::
::
:
部分が、本特別仕様です。
12. 12.
12. 12.
12.
資料資料
資料資料
資料
12.112.1
12.112.1
12.1
電気回路図電気回路図
電気回路図電気回路図
電気回路図
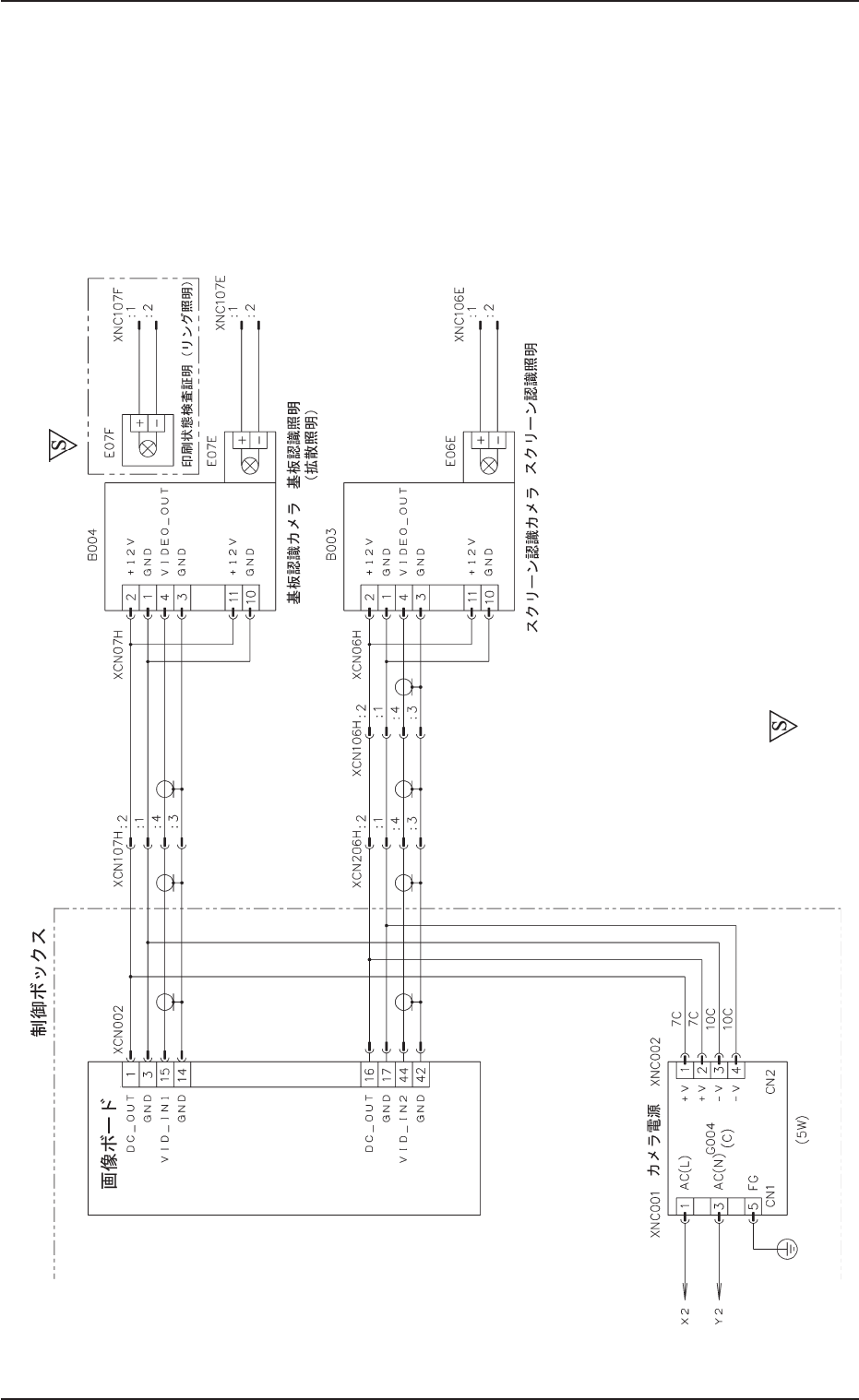
認識カメラ接続図認識カメラ接続図
認識カメラ接続図認識カメラ接続図
認識カメラ接続図
(TPM-110)(TPM-110)
(TPM-110)(TPM-110)
(TPM-110)
12. 資料

認識カメラ接続図認識カメラ接続図
認識カメラ接続図認識カメラ接続図
認識カメラ接続図
(TPM-200)(TPM-200)
(TPM-200)(TPM-200)
(TPM-200)
12.1 電気回路図
㧔ࡦࠣᾖ㧕
㧔ᢔᾖ㧕
0412-002-(M782WGZ--0003) 70 AHK01JGP
注注
注注
注
::
::
:
部分が、本特別仕様です。

0412-002 71 AHK01JGP
12.212.2
12.212.2
12.2
部品配置図部品配置図
部品配置図部品配置図
部品配置図
Table 10
B004 基板認識カメラ
E07E 基板認識照明(拡散照明)
E07F 印刷状態検査照明(リング照明)
注注
注注
注
::
::
:
部分が、本特別仕様です。
12.2 部品配置図
$
''
'(
5