TT2-Mechanical.pdf - 第195页
Ref No. Remarks R 1 Q'ty 1-F デュアルコンベア:NPM-TT2 Dual Convey or:NPM-T T2 イラスト No. Part No. 品 名 品 番 数量 R 2 パーツリスト Kit No. キット品番 Kit Name キット名称 MTKA005078AA Part Nam e 備 考 セク ション No . PARTS LIST Section No. R 3 BRACKET 2…

1-F
デュアルコンベア:NPM-TT2
Dual Conveyor:NPM-TT2
パーツレイアウト
Kit No.
キット品番
Kit Name
キット名称
MTKA005078AA
セクションNo.
PARTS LAYOUT
Section No.
--
O11
( KMTKA005078AA-07-6 )

Ref
No.
Remarks R
1
Q'ty
1-F
デュアルコンベア:NPM-TT2
Dual Conveyor:NPM-TT2
イラスト
No.
Part No.
品 名品 番 数量
R
2
パーツリスト
Kit No.
キット品番
Kit Name
キット名称
MTKA005078AA
Part Name
備 考
セクションNo.
PARTS LIST
Section No.
R
3
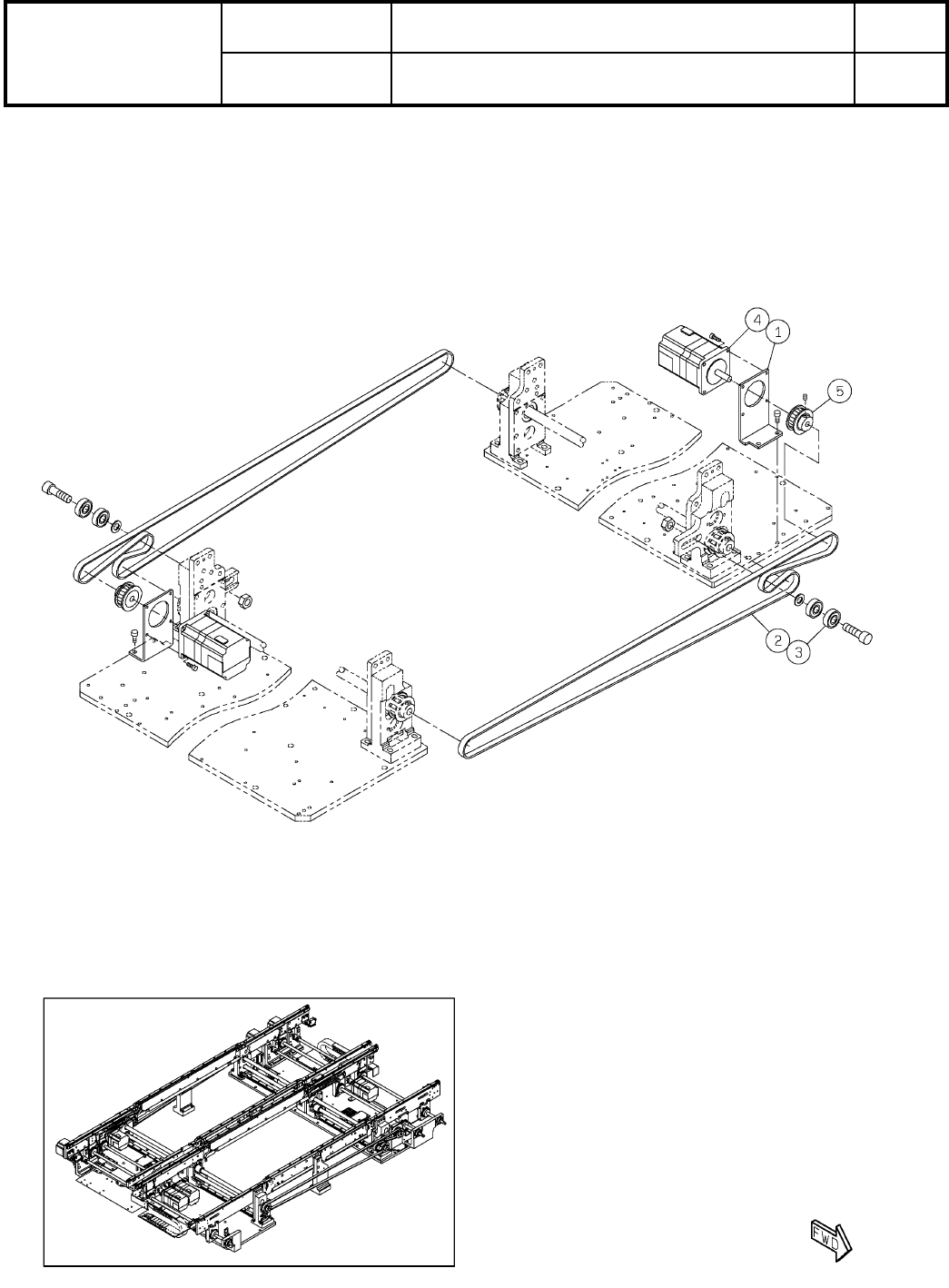
BRACKET
2
1 MTPB004574AB
T-BELT
2
2 N510061223AA 670XL037GB
BEARING
4
3 KXF0E3BVA00 6000ZZ
MOTOR
2
4 N510055860AA
S
DU13H711S-01
PULLEY
2
5 N510068263AA R101-N510068263AAS-F-PK
O12
--
( KMTKA005078AA-07-6 )

1-G
デュアルコンベア:NPM-TT2
Dual Conveyor:NPM-TT2
パーツレイアウト
Kit No.
キット品番
Kit Name
キット名称
MTKA005078AA
セクションNo.
PARTS LAYOUT
Section No.
--
O13
( KMTKA005078AA-07-7 )