NPM-D3维修手册 - 第259页
NPM-D3 SERVICE MANUAL 6.3 XY Drivers EJM6D3-MB-06SM-00( 編集中 ).DOC Page 6-39

NPM-D3
SERVICE MANUAL
6.3 XY Drivers
Page 6-38 EJM6D3-MB-06SM-00(
編集中
).DOC
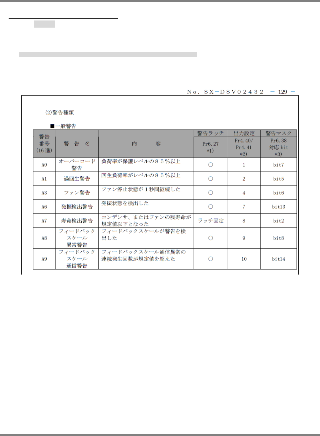
6.3.5 Warning Functions
警告機能
警告功能
This motor driver has a function to issue warnings before protective functions are activated, which allows
the user to check for possible abnormal condition such as overload.
本サーボアンプは保護機能が動作する前に警告を発生し、事前に過負荷などの状態を確認することができます。
本伺服放大器在保护功能起作用之前发出警告,事前可以确认超负荷等的状态。

NPM-D3
SERVICE MANUAL
6.3 XY Drivers
EJM6D3-MB-06SM-00(
編集中
).DOC Page 6-39

NPM-D3
SERVICE MANUAL
6.3 XY Drivers
Page 6-40 EJM6D3-MB-06SM-00(
編集中
).DOC
= MEMO =