CM101-D (Mechanical 20170704) - 第141页
Ref No. Remark s R 1 Q'ty 4-A 汎用 ヘ ッ ド ( LS8ノズル )(軽量タ イプ ) High-flexibility head (LS8nozz le)(Light W eight) イラスト No. Part No. 品 名 品番 数量 R 2 パーツリスト Kit N o . キット 品 番 Kit Name キット名称 N610114405AA Part Nam e 備 考 セクションN…

4-A
汎用
ヘ
ッ
ド
(
LS8ノズル
)(軽量タ
イプ
)
High-flexibility head (LS8nozzle)(Light Weight)
パーツレイアウト
Kit No.
キット品
番
Kit Name
キット名称
N610114405AA
セクションNo.
PARTS LAYOUT
Section No.
--
S27
( KN610114405AA-20-1 )

Ref
No.
Remarks
R
1
Q'ty
4-A
汎用
ヘ
ッ
ド
(
LS8ノズル
)(軽量タ
イプ
)
High-flexibility head (LS8nozzle)(Light Weight)
イラスト
No.
Part No.
品 名品番 数量
R
2
パーツリスト
Kit N
o
.
キット品
番
Kit Name
キット名称
N610114405AA
Part Name
備 考
セクションNo.
PARTS LIST
Section No.
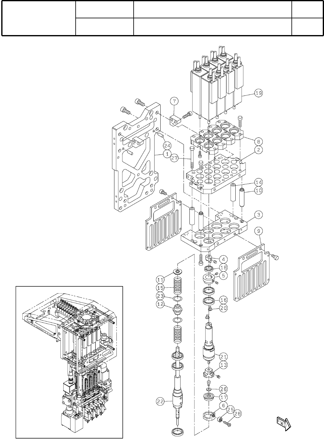
R
3
PLATE
1
1 MTPA010755AA
PLATE
1
2 N210124560AB
PLATE
1
3 N210124561AB
JOINT
8
4 N210050219AA
COLLAR
8
5 KXFB0ALHA00
HOLDER
8
6 N210142554AA
BLOCK
2
7 KXFB0ALMA00
PLATE
4
8 N210010127AA
GUIDE
2
9 N210087072AB
POST
2
10 N210081871AC
COLLAR
8
11 N210081873AA
GUIDE
8
12 N210081874AA
HOLDER
8
13 N210142555AA
COLLAR
2
14 N210087045AA
SPRING
16
15 N210082819AB
BEARING
40
16 KXF00RWAA00 DDA-2015 H P0P25LO1
BEARING
8
17 KXF078MAA00 DDRF-1650HH R P0P25LY121
BEARING
16
18 KXF00RMAA00 DDA-1510 H P0P25LO1
MOTOR
8
19 MTNM000171AA
S
P50B02001BXSND
SCREW
10
20 N510018251AA
Cross recessed Truss head machine screw M3X5-4.8 A2J (Trivalent)
BALL-SCREW
8
21 N510037847AA BLK0608S-3.3GT+68LCP5R(32099810K020)
BALL-SPLINE
8
22 N510064708AA MAG6C1R167S1E053
SHIM
16
23 N510033382AA RF012016050
PIN
2
24 N986MMS410 MMS4-10
BEARING
8
25 N510017124AA R-830ZZ R P0P25LY121
WASHER
8
26 N510028612AA 87FWSSB-D8.0-V3.0-T1.0
BOLT
2
27 N510017368AA
Hexagon socket head cap screw M4X45-10.9 A2J (Trivalent)
BOLT
8
28 N510067788AA Low Head Cap Screw M3X12-8.8 SOB
S28
--
( KN610114405AA-20-1 )

4-B
汎用
ヘ
ッ
ド
(
LS8ノズル
)(軽量タ
イプ
)
High-flexibility head (LS8nozzle)(Light Weight)
パーツレイアウト
Kit No.
キット品
番
Kit Name
キット名称
N610114405AA
セクションNo.
PARTS LAYOUT
Section No.
--
S29
( KN610114405AA-20-2 )