YS24_KKE_e
YS24 KKE-0909(CWD) Contr ol Wiring Diagram

YS24
KKE-0909(CWD)
Control Wiring Diagram
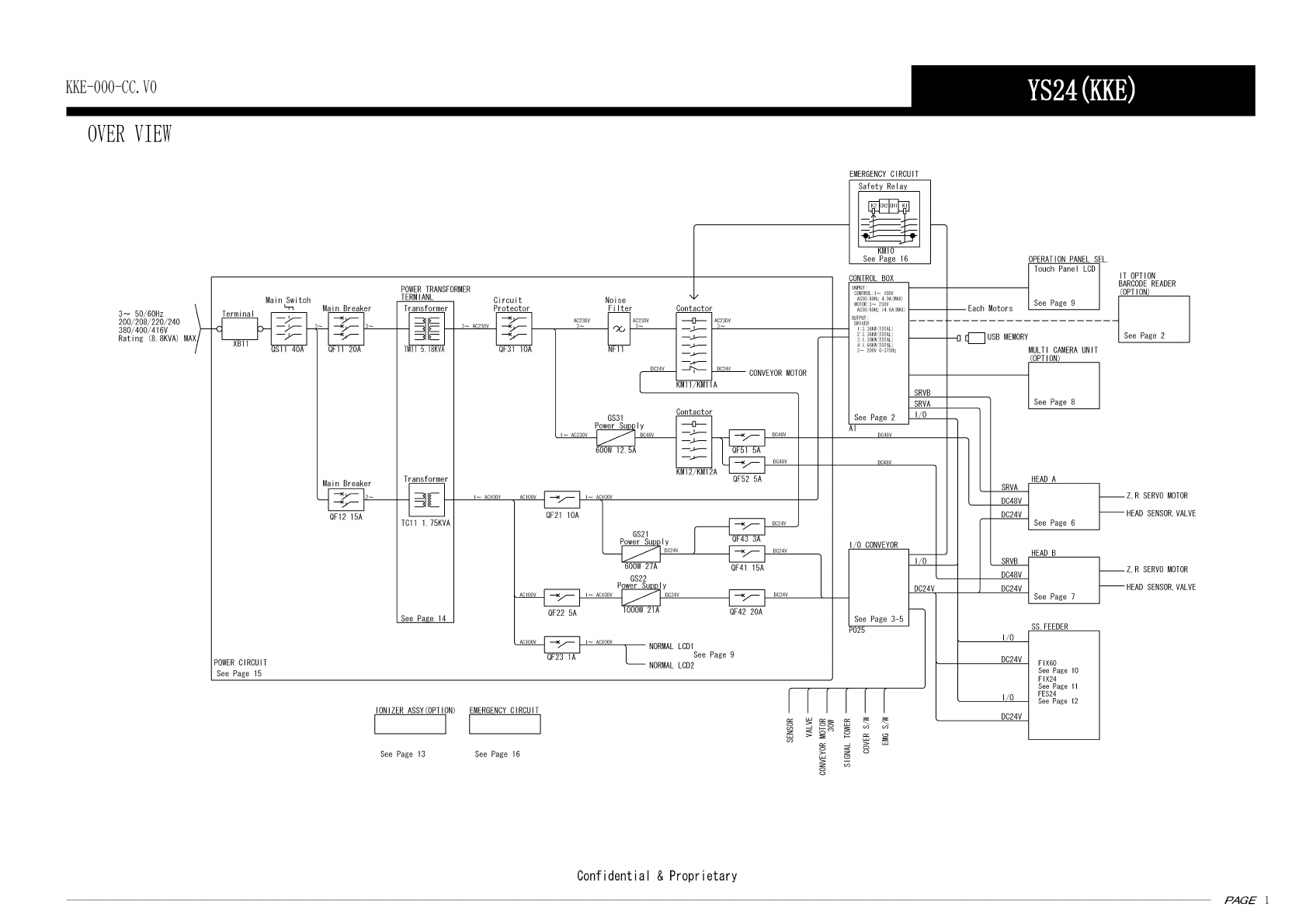
YS24 (KKE)
Over view
Control box
I/O conveyor -1-
I/O conveyor -2-
I/O conveyor -3-
Head A
Head B
Multi camera unit sel. (option)
Operation panel sel.
FIX60 feeder structure
FIX24 feeder structure
FES24 feeder structure
Ionizer assy option
Power transformer
Power circuit
Emergency circuit
Air circuit(YS24)FES -1-
Air circuit(YS24)FES -2-
Air circuit(YS24) -1-
Air circuit(YS24) -2-
Air circuit(YS24)FIX -1-
Air circuit(YS24)FIX -2-
Wiring parts list
Table of contents
Confi dential & Proprietary
P. 1
P. 2
P. 3
P. 4
P. 5
P. 6
P. 7
P. 8
P. 9
P.10
P.11
P.12
P.13
P.14
P.15
P.16
P.17
P.18
P.19
P.20
P.21
P.22
P.23
