YS24_KKE_e - 第19页
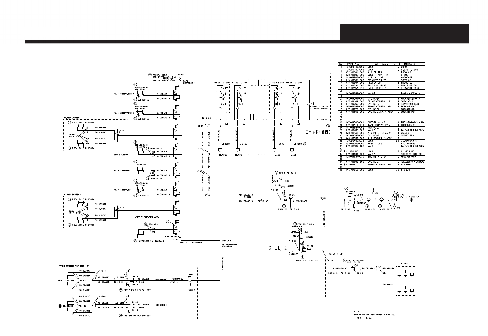
PA G E 17 Con fi dential & Proprietary YS24(KKE) Air circuit H013096


PAG E
17
Confi dential & Proprietary
YS24(KKE)
Air circuit
H013096

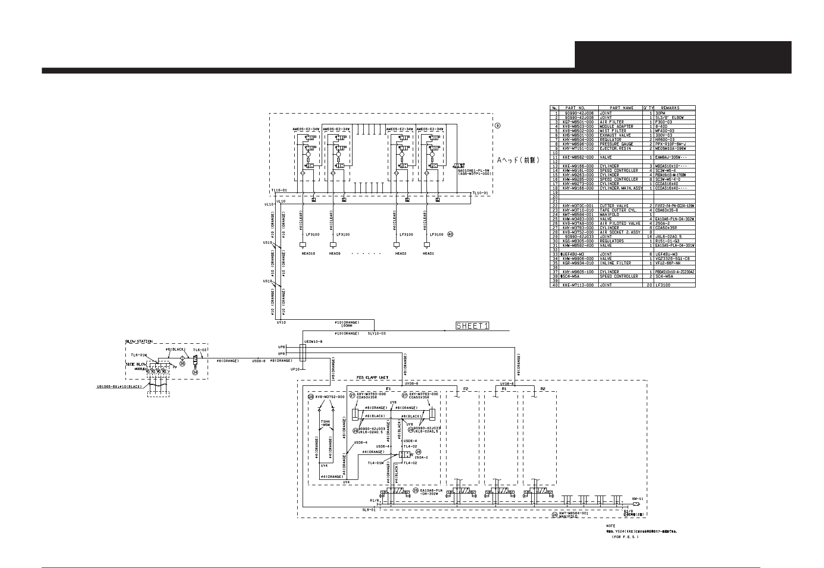
PAG E
18
Confi dential & Proprietary
YS24(KKE)
Air circuit
H013096
PA G E 17 Con fi dential & Proprietary YS24(KKE) Air circuit H013096


