YS24_KKE_e - 第21页
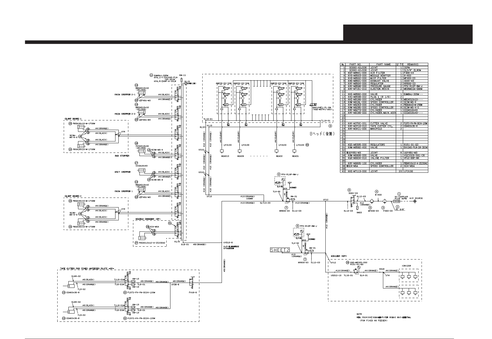
PA G E 19 Con fi dential & Proprietary YS24(KKE) Air circuit H013096

PAG E
18
Confi dential & Proprietary
YS24(KKE)
Air circuit
H013096

PAG E
19
Confi dential & Proprietary
YS24(KKE)
Air circuit
H013096

PAG E
20
Confi dential & Proprietary
YS24(KKE)
Air circuit
H013096