YS24_KKE_e - 第24页
PA G E 22 Con fi dential & Proprietary YS24(KKE) Air circuit H013096

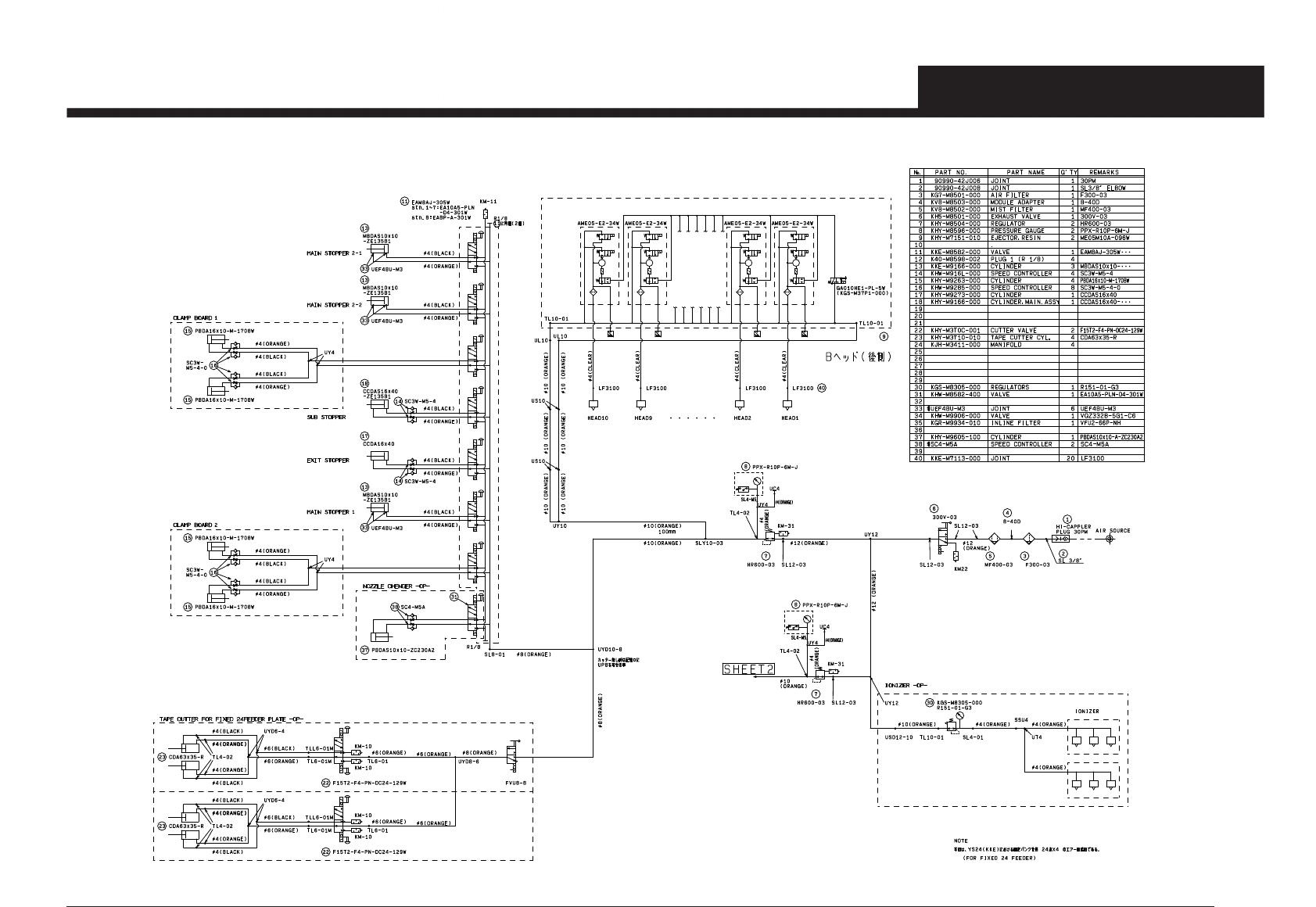
PAG E
21
Confi dential & Proprietary
YS24(KKE)
Air circuit
H013096

PAG E
22
Confi dential & Proprietary
YS24(KKE)
Air circuit
H013096

Wiring parts list
KKE-0909
PAG E
23
Confi dential & Proprietary
No Part No. Part Name Q'ty Remarks No Part No. Part Name Q'ty Remarks
1 KKE-M661A-001 HNS,XB11-QS11-QF11 1 J0001 39 KHN-M661M-100 HNS,TAP CHANGE 1 J0015
2 KJ3-M661A-000 HNS,AC IN 1 1 J0001 40 KKE-M664G-000 HNS,KM12-QF51,52 1 J0018
3 KKE-M661L-001 HNS,QF11-TM11 1 J0002 41 KKE-M664A-000 HNS,GS31-KM12 1 J0019
4 KHJ-M661B-010 HNS,AC IN 2 1 J0002 42 KKE-M664F-001 HNS,QF51 QF52 +48V 1 J0021
5 KKE-M661E-000 HNS,TM11-QF31 1 J0003 43 KKE-M663E-000 HNS,I/O HEAD DC24V 2 J0022,J0023
6 KHJ-M662E-000 HNS,AC IN 3 1 J0003 44 KKE-M663F-000 HNS,Y-FLEX H.PWR EMG 2 J0024,J0025
7 KHJ-M664C-000 HNS,AC IN 3 1 J0003 45 KKE-M663G-001 HNS,X-FLEX HA PWR 1 J0026
8 KHJ-M661C-000 HNS,AC IN 3 1 J0003 46 KKE-M663G-100 HNS,X-FLEX HB PWR 1 J0027
9 KKE-M661F-001 HNS,QF31-NF11 GS31 1 J0004 47 KKE-M662F-002 HNS,QF12-TC11 1 J0028
10 KHJ-M662G-000 HNS,DC24V POWER 1 J0004 48 KKE-M662A-000 HNS,TC11-QF21 1 J0029
11 KHJ-M662N-000 HNS,BOARD.POWER 1 J0004 49 KKE-M662A-100 HNS,TC11-QF61 1 J0029
12 KHJ-M661D-010 HNS,AC IN 4 1 J0004 50 KHY-M661M-000 HNS,C/R AC100V 1 J0030
13 KKE-M661G-000 HNS,NF11-KM11 1 J0005 51 KHW-M66M4-000 HNS,V10 JUMPER 1 J0031
14 KHJ-M662K-000 HNS,QF21 QF22-KA01 1 J0005 52 KHW-M66M4-000 HNS,V10 JUMPER 1 J0032
15 KHJ-M664A-000 HNS,C.SEL - FEEDER 1 J0005 53 KGA-M662M-001 HNS,U10 JUMPER 1 J0033
16 KHJ-M662A-000 HNS,CP DC24V 1 J0005 54 KGA-M662M-001 HNS,U10 JUMPER 1 J0034
17 KKE-M661H-000 HNS,C/R AC230V 1 J0006 55 KKE-M662E-000 HNS,QF21-GS21 1 J0035
18 KHJ-M662J-000 HNS,KA01 SIGNAL 1 J0006 56 KKE-M663K-001 HNS,CONV PWR 1 J0036
19 KHY-M66TE-001 HNS,F.CTRL - FDR. 1 J0006 57 KKE-M663J-001 HNS,I/O CONV.PWR 1 J0037
20 KHJ-M662B-000 HNS,LAMP 1 J0006 58 KKE-M662E-111 HNS,QF22-GS22 1 J0038
21 KHJ-M662L-000 HNS,CART POWER 1 J0007 59 KHW-M662G-000 HNS,LCD POWER 1 2 J0039/J0040
22 KHJ-M66K2-000 HNS,CAM.FID1 1 J0007 60 KKE-M663R-000 HNS,C/R EXT.POWER 1 J0041
23 KHJ-M662C-000 HNS,BRD.PWR 1 J0007 61 KKE-M663M-000 HNS,MULTI CAM.DC24V 1 J0043
24 KHN-M661M-000 HNS,TAP CHANGE 10 J0007-J0014,J0016-J0017 62 KHY-M663N-000 HNS,ANC POWER 1 J0045
25 KHJ-M66KA-000 HNS,FID LIGHT 1 J0008 63 KHY-M66RH-000 HNS, FDR ST. PWR 1 J0045
26 KHY-M66TE-001 HNS,F.CTRL - FDR. 1 J0008 64 KKE-M661C-000 HNS,QF11-QF12 1 J0046
27 KHJ-M662B-000 HNS,LAMP 2 J0008,J0009 65 KKE-M663V-000 HNS,ANC DC24V 1 J0047
28 KHJ-M66K1-000 HNS,CAM.PC-C.SEL 1 J0009 66 KKE-M665F-000 HNS,CONV.DRIVER 3 J0051,J0053,J0056
29 KHJ-M663B-000 HNS,PITCH LED 1 J0009 67 KKE-M665E-000 HNS,CONV.MO 1 1 J0052
30 KHJ-M536A-300 HNS,EARTH 1 J0010 68 KKE-M665E-100 HNS,CONV.MO 2 EXIT 2 J0054,J0057
31 KHJ-M663C-000 HNS,PITCH UP 1 J0010 69 KKE-M665G-000 HNS,BRAKE SRV1 2 2 J0058,J0059
32 KHJ-M536A-200 HNS,EARTH 1 J0011 70 KKE-M536A-020 HNS,PE 1 J0071
33 KHJ-M663D-000 HNS,PITCH DOWN 1 J0011 71 90K30-789080 HNS,EARTH 3 J0072-J0074
34 KHJ-M536A-100 HNS,EARTH 1 J0012 72 90K30-367015 HNS,EARTH 1 J0075
35 KHJ-M663E-000 HNS,PITCH SET 1 J0012 73 90K30-789030 HNS,EARTH 2 J0076,J0077
36 KHJ-M536A-000 HNS,EARTH 1 J0013 74 90K30-367090 HNS,EARTH 1 J0078
37 KHJ-M536A-100 HNS,EARTH 1 J0013 75 90K30-377025 HNS,EARTH 1 J0079
38 KHJ-M536A-000 HNS,EARTH 2 J0014/J0015 76 90K30-367040 HNS,EARTH 1 J0080