AJ72204.pdf

ELECTRICAL SCHEMA TIC 電 気 回 路 線 図 TRA Y UNIT M Dr awi ng n umb er AJ 72 20 4 FUJI CORPRA TION ※文字検索が可 能となりました searches are no w possible

100%1 / 40
ELECTRICAL SCHEMATIC
TRAY UNIT M
Drawing number AJ72204
FUJI CORPRATION
※文字検索が可能となりました
searches are now possible
 
 
 
 
DRAWING No.
AJ72204
トレイユニットM
TRAY UNIT M 
TYPE
PAGE
NXT
SECRET
  
 
  
 
  
 
 
 
  
  
  
  
  
  
  
  
  
  
  
  
  
  
  
  
  
  
  
  
  
  
  
  
  
  
  
  
  
NAME PAGE
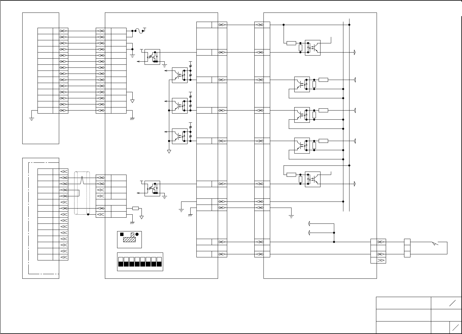
制御回路
CONTROL CIRCUIT
24
TYPE
トレイユニットM
TRAY UNIT M
DRAWING No.
M1
RE03155
  
SECRET
(M1LS1)
602
605
本機側(パレット)
NXTフィーダインターフェース基板(メイン)
(M1PCB1)
AP1/M1
シーケンサ
(M1PLC1)
増設通信ユニット
(M1I/F1)
トレイユニットM制御基板
(M1PCB5)
ADDRESS 227
ADDRESS 327
ユニットクランプ確認
デバイス供給要求入力
AP5/M1
3.3K 1/2W
PC1
PS2805-1
PC2
PS2805-1
書込み要求入力
ADDRESS
1117
680 1/16W
3.3K 1/2W
680 1/16W
PS2805-1
PC7
デバイス供給完了出力
エラー応答出力
イベント報告出力
3.3K 1/2W
680 1/16W
PC8
3.3K 1/2W
680 1/16W
PS2805-1
ADDRESS
1120
PC9
3.3K 1/2W
9A
680 1/16W
PS2805-
ADDRESS
1123
 
 
Ω
Ω
Ω
Ω
Ω
Ω