AJ72204.pdf - 第10页

8 0 1 8 0 2 8 0 3 8 0 4 8 0 5 8 0 6 8 0 7 8 0 8 8 0 9 8 1 0 8 1 1 8 1 2 8 1 3 8 1 4 8 1 5 8 1 6 8 1 7 8 1 8 8 1 9 8 2 0 8 2 1 8 2 2 8 2 3 8 2 4 8 2 5 8 2 6 8 2 7 8 2 8 8 2 9 NAME PAGE 制御回路 CONTROL CIRCUIT 24 8 T I T L E …

100%1 / 40
  
  
  
  
  
  
  
  
  
  
  
  
  
  
  
  
  
  
  
  
  
  
  
  
  
  
  
  
  
NAME PAGE
制御回路
CONTROL CIRCUIT
24
TYPE
トレイユニットM
TRAY UNIT M
DRAWING No.
M1
RE03155
  
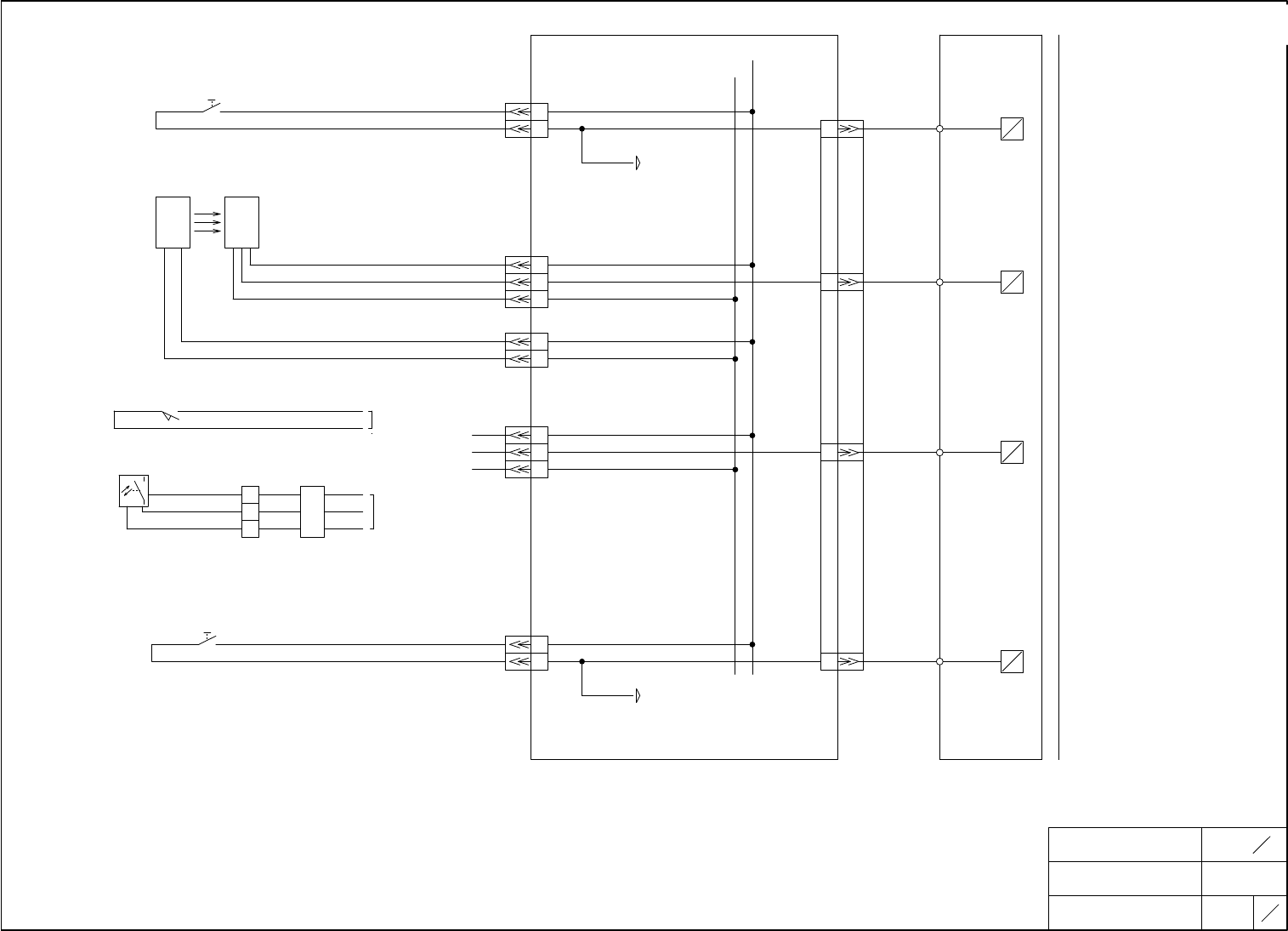
SECRET
IN04
IN05
IN06
IN07
(M1PBPL1)
(M1LS4)
D-ON
SQ4/M1
(M1LS11)
L-ON
SQ11/M1
218
(M1LS5)
11 42
(M1CR1X)
KA1X/M1
8 1
D1
PL1
A K
R22
4
トレイユニットM制御基板
(M1PCB5)
AP5/M1
クラッチOFF確認
正面扉閉じ確認
供給予約SW入力
シーケンサ
(M1PLC1)
マガジン扉閉じ確認
 
 
 
 
 
 
2.2K 1/2W
  
  
  
  
  
  
  
  
  
  
  
  
  
  
  
  
  
  
  
  
  
  
  
  
  
  
  
  
  
NAME PAGE
制御回路
CONTROL CIRCUIT
24
TYPE
トレイユニットM
TRAY UNIT M
DRAWING No.
M1
RE03155
  
SECRET
+24VA2
PX012
+24VA2
PX012
GA
+24VA2
PX012
GA
(M1PB2)
(M1PBPL3)
IN10
IN11
IN12
IN13
222
220
(M1LS7)
(M1LS7)
D-ON
SQ7/M1
供給完了SW入力
TZ軸干渉確認
トレイストッパON確認
交換予約SW入力
トレイユニットM制御基板
(M1PCB5)
AP5/M1
シーケンサ
(M1PLC1)
 
 
 
 
 
 使
 E2S-W15
 使
 TL-W3MC1
 
M1PCB5 CN6へ
 
 
 
M1PCB5 CN6へ
 
  
  
  
  
  
  
  
  
  
  
  
  
  
  
  
  
  
  
  
  
  
  
  
  
  
  
  
  
  
NAME PAGE
制御回路
CONTROL CIRCUIT
24
TYPE
トレイユニットM
TRAY UNIT M
DRAWING No.
M1
RE03155
  
SECRET
IN14
IN15
IN16
IN17
トレイ前進/後退減速確認
トレイ前進停止確認
トレイ後退確認
非常停止入力
トレイユニットM制御基板
(M1PCB5)
AP5/M1
ADDRESS
2105
ADDRESS
2102
ADDRESS
2108
シーケンサ
(M1PLC1)
 
 
 
 
 
ADDRESS
217
 
 
 
 
) (
) (