AJ72204.pdf - 第12页

1 0 0 1 1 0 0 2 1 0 0 3 1 0 0 4 1 0 0 5 1 0 0 6 1 0 0 7 1 0 0 8 1 0 0 9 1 0 1 0 1 0 1 1 1 0 1 2 1 0 1 3 1 0 1 4 1 0 1 5 1 0 1 6 1 0 1 7 1 0 1 8 1 0 1 9 1 0 2 0 1 0 2 1 1 0 2 2 1 0 2 3 1 0 2 4 1 0 2 5 1 0 2 6 1 0 2 7 1 0 …

100%1 / 40
  
  
  
  
  
  
  
  
  
  
  
  
  
  
  
  
  
  
  
  
  
  
  
  
  
  
  
  
  
NAME PAGE
制御回路
CONTROL CIRCUIT
24
TYPE
トレイユニットM
TRAY UNIT M
DRAWING No.
M1
RE03155
  
SECRET
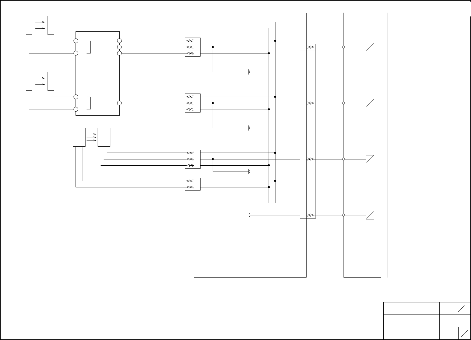
IN14
IN15
IN16
IN17
トレイ前進/後退減速確認
トレイ前進停止確認
トレイ後退確認
非常停止入力
トレイユニットM制御基板
(M1PCB5)
AP5/M1
ADDRESS
2105
ADDRESS
2102
ADDRESS
2108
シーケンサ
(M1PLC1)
 
 
 
 
 
ADDRESS
217
 
 
 
 
) (
) (
  
  
  
  
  
  
  
  
  
  
  
  
  
  
  
  
  
  
  
  
  
  
  
  
  
  
  
  
  
NAME PAGE
制御回路
CONTROL CIRCUIT
24
TYPE
トレイユニットM
TRAY UNIT M
DRAWING No.
M1
RE03155
  
SECRET
IN20
IN21
IN22
IN23
トレイユニットM制御基板
(M1PCB5)
AP5/M1
シーケンサ
(M1PLC1)
JOG操作BOX
JOGモード選択
SPARE
サイクル停止入力
ADDRESS
317
SPARE
  
  
  
  
  
  
  
  
  
  
  
  
  
  
  
  
  
  
  
  
  
  
  
  
  
  
  
  
  
NAME PAGE
制御回路
CONTROL CIRCUIT
24
TYPE
トレイユニットM
TRAY UNIT M
DRAWING No.
M1
RE03155
  
SECRET
OUT00
OUT01
OUT02
OUT03
(M1SOL1)
YV1/M1
118
120
122
デバイス供給完了出力
エラー応答出力
イベント報告出力
クラッチON
トレイユニットM制御基板
(M1PCB5)
シーケンサ
(M1PLC1)
AP5/M1
3.3K 1/2W
 
 
G3VM-61B1
G3VM-61B1
3.3K 1/2W