AJ72204.pdf - 第13页

1 1 0 1 1 1 0 2 1 1 0 3 1 1 0 4 1 1 0 5 1 1 0 6 1 1 0 7 1 1 0 8 1 1 0 9 1 1 1 0 1 1 1 1 1 1 1 2 1 1 1 3 1 1 1 4 1 1 1 5 1 1 1 6 1 1 1 7 1 1 1 8 1 1 1 9 1 1 2 0 1 1 2 1 1 1 2 2 1 1 2 3 1 1 2 4 1 1 2 5 1 1 2 6 1 1 2 7 1 1 …

100%1 / 40
  
  
  
  
  
  
  
  
  
  
  
  
  
  
  
  
  
  
  
  
  
  
  
  
  
  
  
  
  
NAME PAGE
制御回路
CONTROL CIRCUIT
24
TYPE
トレイユニットM
TRAY UNIT M
DRAWING No.
M1
RE03155
  
SECRET
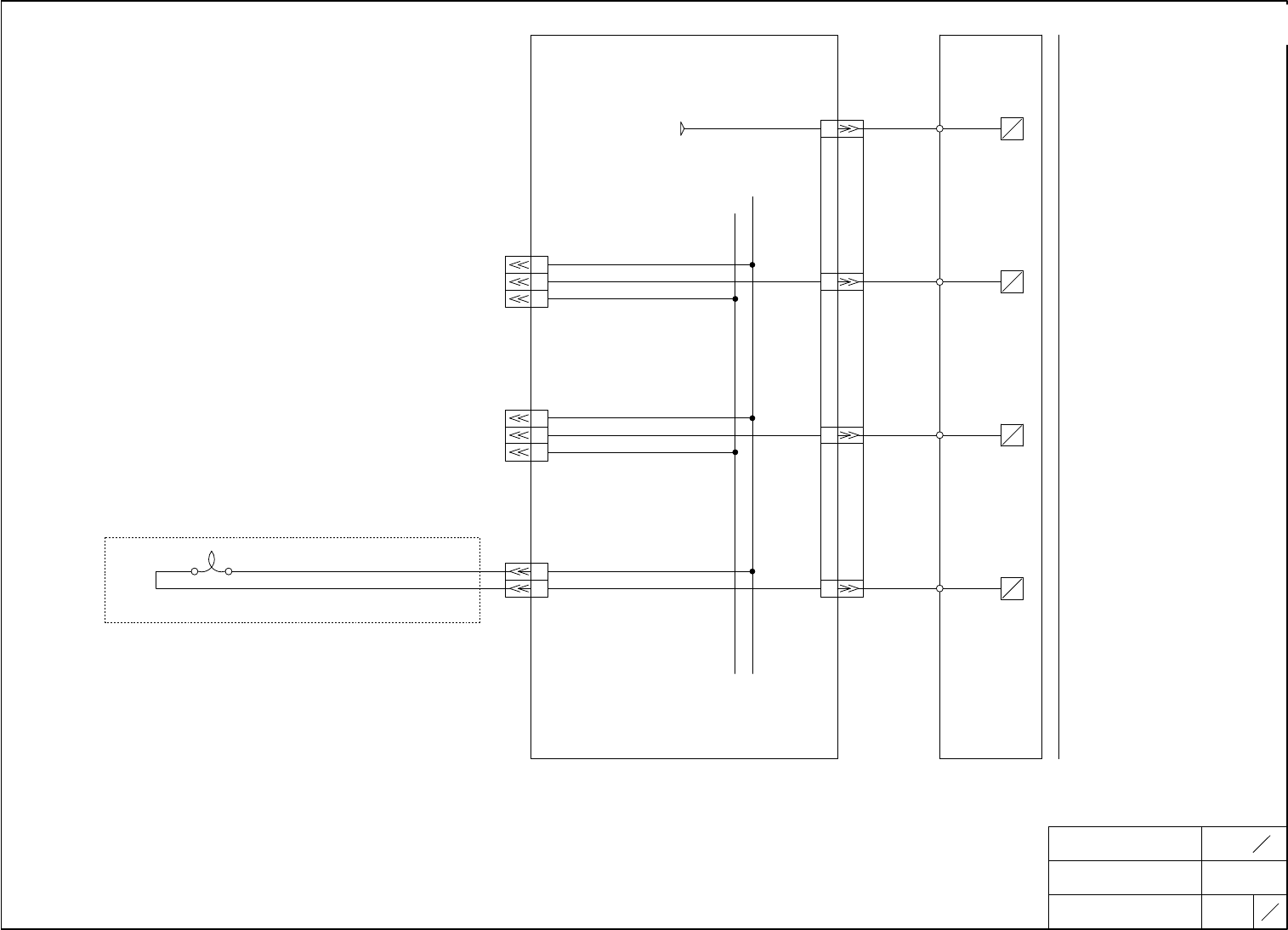
IN20
IN21
IN22
IN23
トレイユニットM制御基板
(M1PCB5)
AP5/M1
シーケンサ
(M1PLC1)
JOG操作BOX
JOGモード選択
SPARE
サイクル停止入力
ADDRESS
317
SPARE
  
  
  
  
  
  
  
  
  
  
  
  
  
  
  
  
  
  
  
  
  
  
  
  
  
  
  
  
  
NAME PAGE
制御回路
CONTROL CIRCUIT
24
TYPE
トレイユニットM
TRAY UNIT M
DRAWING No.
M1
RE03155
  
SECRET
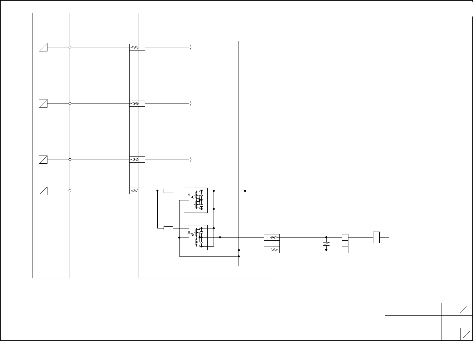
OUT00
OUT01
OUT02
OUT03
(M1SOL1)
YV1/M1
118
120
122
デバイス供給完了出力
エラー応答出力
イベント報告出力
クラッチON
トレイユニットM制御基板
(M1PCB5)
シーケンサ
(M1PLC1)
AP5/M1
3.3K 1/2W
 
 
G3VM-61B1
G3VM-61B1
3.3K 1/2W
  
  
  
  
  
  
  
  
  
  
  
  
  
  
  
  
  
  
  
  
  
  
  
  
  
  
  
  
  
NAME PAGE
制御回路
CONTROL CIRCUIT
24
TYPE
トレイユニットM
TRAY UNIT M
DRAWING No.
M1
RE03155
  
SECRET
(M1SOL3)
YV3/M1
(M1PBPL1)
+ -
SOL
E1 E2
PL
O1 O2
OUT04
OUT05
OUT06
OUT07
D3
トレイストッパOFF
供給予約LED
正面扉ロック
シーケンサ
(M1PLC1)
トレイユニットM制御基板
(M1PCB5)
AP5/M1
 
 
3.3K 1/2W
3.3K 1/2W
3.3K 1/2W
G3VM-61B1
G3VM-61B1
G3VM-61B1