AJ72204.pdf - 第5页
3 0 1 3 0 2 3 0 3 3 0 4 3 0 5 3 0 6 3 0 7 3 0 8 3 0 9 3 1 0 3 1 1 3 1 2 3 1 3 3 1 4 3 1 5 3 1 6 3 1 7 3 1 8 3 1 9 3 2 0 3 2 1 3 2 2 3 2 3 3 2 4 3 2 5 3 2 6 3 2 7 3 2 8 3 2 9 NAME PAGE 制御回路 CONTROL CIRCUIT 24 3 T I T L E …

2 0 1
2 0 2
2 0 3
2 0 4
2 0 5
2 0 6
2 0 7
2 0 8
2 0 9
2 1 0
2 1 1
2 1 2
2 1 3
2 1 4
2 1 5
2 1 6
2 1 7
2 1 8
2 1 9
2 2 0
2 2 1
2 2 2
2 2 3
2 2 4
2 2 5
2 2 6
2 2 7
2 2 8
2 2 9
NAME PAGE
制御回路
CONTROL CIRCUIT
24
2
TITLE TYPE
トレイユニットM
TRAY UNIT M
NXT
DRAWING No.
24
2
M1
RE03155
2 3 0
SECRET
+24VA
M107
M108
M109
M110
GA
FG
M100
+24VA
GA
+24VA
+24VA2
M107
PX017
M108 PX007
M109 PX013
M110 PX010
GA
M100
FG
RX
TX
SG
SET
ERR
COMP
FEED
WRITE
EVENT
GA
GA
+24VA
+24VA
ADDRESS
911
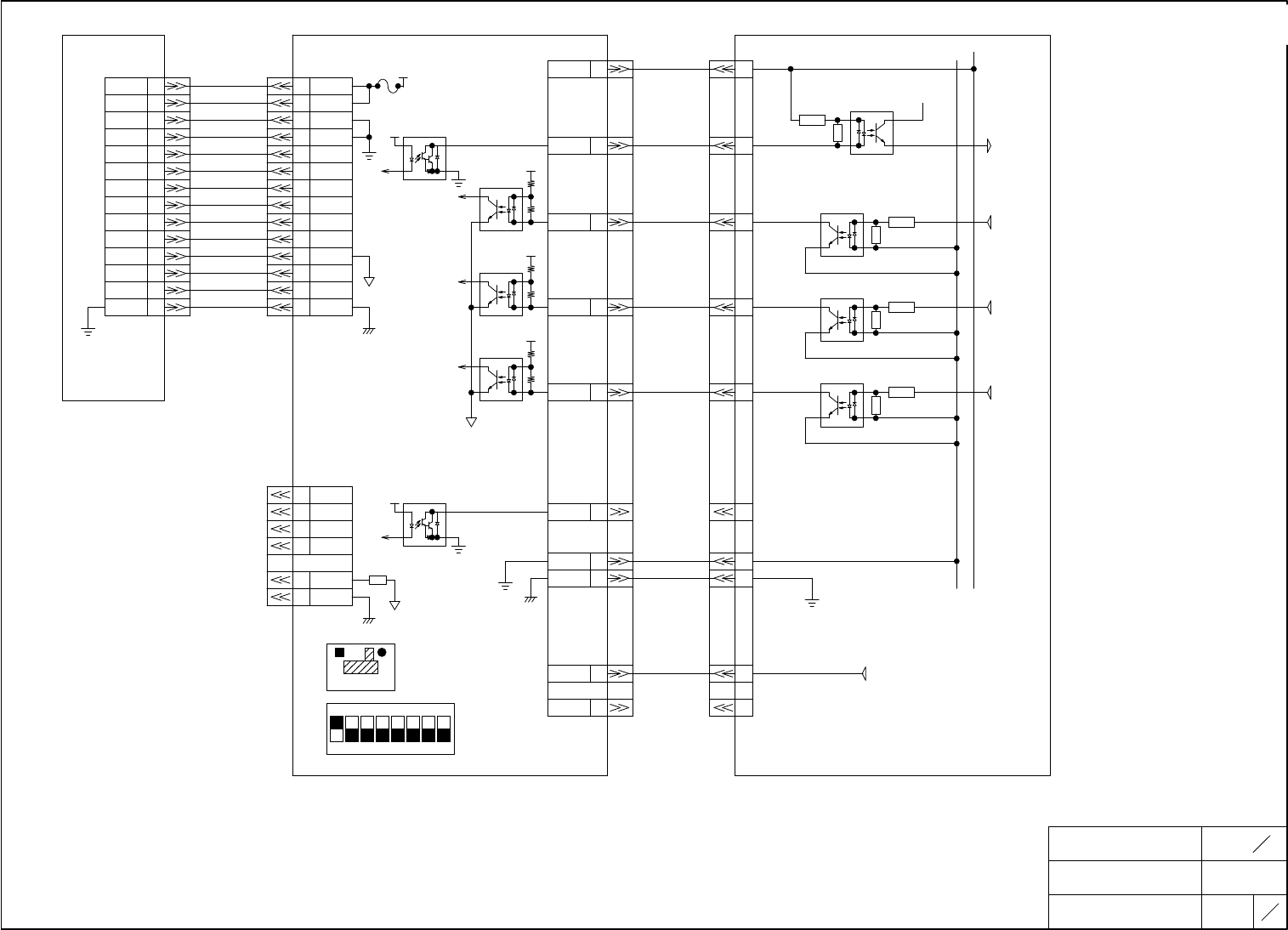
本機側(パレット)
NXTフィーダインターフェース基板(サブ1)
(M1PCB2)
CN1
+24V 1
SLOT1~45 CN2
FUSE +24V
+24V 1 1 +24V
3.5A
+24V 2 2 +24V
0V 3 3 0V
0V 4 4 0V
VCC
FEED 2
EVENT 5 5 EVENT
WRITE 6 6 WRITE
+24V
15kΩ
FEED 7 7 FEED
COMP 8 8 COMP
2.7kΩ
ERR 9 9 ERR COMP 3
SET 10 10 SET
SG 11 11 SG
+24V
15kΩ
TX 12 12 TX
RX 13 13 RX
2.7kΩ
FG 14 14 FG ERR 4
+24V
15kΩ
2.7kΩ
EVENT 5
CN5
1 RD
VCC
3 SD WRITE 6
4 CS
2 RS
0V 7
フィルタ
FG 8
5 SG
6 FG
CN3
SET 1
SG 2
FH2347**F
AP2/M1
トレイユニットM制御基板
(M1PCB5)
CN2
1
3.3K 1/2W
PC3
R3
非常停止入力
R3A
SPARE
680 1/16W
2
PS2805-1
PC10
3.3K 1/2W
3 R10
ADDRESS
726
供給予約出力
R10A
SPARE
680 1/16W
PS2805-1
PC11
3.3K 1/2W
4 R11
ADDRESS
826
交換予約出力
R11A
SPARE
680 1/16W
PS2805-1
PC12
3.3K 1/2W
5 R12
ADDRESS
817
供給完了出力
R12A
SPARE
680 1/16W
PS2805-1
6
7
8
9
10
FH1293**
AP5/M1
ADDRESS 126
1
2 3
4
1
23
4
14
3 2
14
3 2
SET
1 3
MODE
ON
1 2 3 4 5 6 7 8

3 0 1
3 0 2
3 0 3
3 0 4
3 0 5
3 0 6
3 0 7
3 0 8
3 0 9
3 1 0
3 1 1
3 1 2
3 1 3
3 1 4
3 1 5
3 1 6
3 1 7
3 1 8
3 1 9
3 2 0
3 2 1
3 2 2
3 2 3
3 2 4
3 2 5
3 2 6
3 2 7
3 2 8
3 2 9
NAME PAGE
制御回路
CONTROL CIRCUIT
24
3
TITLE TYPE
トレイユニットM
TRAY UNIT M
NXT
DRAWING No.
24
3
M1
RE03155
3 3 0
SECRET
+24VA
M112
M113
M114
M115
GA
FG
M100
+24VA
GA
+24VA
+24VA2
M112
PX020
M113 PY100
M114 PY101
M115 PY102
GA
M100
+24VA
+24VA
GA
GA
EVENT
WRITE
FEED
COMP
ERR
SET
SG
TX
RX
FG
ADDRESS
1003
本機側(パレット)
NXTフィーダインターフェース基板(サブ2)
(M1PCB3)
CN1
+24V 1
SLOT1~45 CN2
FUSE +24V
+24V 1 1 +24V
3.5A
+24V 2 2 +24V
0V 3 3 0V
0V 4 4 0V
VCC
FEED 2
EVENT 5 5 EVENT
WRITE 6 6 WRITE
+24V
15kΩ
FEED 7 7 FEED
COMP 8 8 COMP
2.7kΩ
ERR 9 9 ERR COMP 3
SET 10 10 SET
SG 11 11 SG
+24V
15kΩ
TX 12 12 TX
RX 13 13 RX
2.7kΩ
FG 14 14 FG ERR 4
+24V
15kΩ
2.7kΩ
EVENT 5
CN5
1 RD
VCC
3 SD WRITE 6
4 CS
2 RS
0V 7
フィルタ
FG 8
5 SG
6 FG
CN3
SET 1
SG 2
FH2347**F
AP3/M1
トレイユニットM制御基板
(M1PCB5)
CN3
1
3.3K 1/2W
PC5
R5
サイクル停止入力
R5A
SPARE
680 1/16W
2
PS2805-1
PC13
3.3K 1/2W
3 R13
ADDRESS
1817
予備出力
R13A
SPARE
680 1/16W
PS2805-1
PC14
3.3K 1/2W
4 R14
ADDRESS
1820
予備出力
R14A
SPARE
680 1/16W
PS2805-1
PC15
3.3K 1/2W
5 R15
ADDRESS
1823
予備出力
R15A
SPARE
680 1/16W
PS2805-1
6
7
8
9
ADDRESS 127
10
FH1293**
AP5/M1
1
2 3
4
1
23
4
14
3 2
14
3 2
SET
1 3
MODE
ON
1 2 3 4 5 6 7 8

4 0 1
4 0 2
4 0 3
4 0 4
4 0 5
4 0 6
4 0 7
4 0 8
4 0 9
4 1 0
4 1 1
4 1 2
4 1 3
4 1 4
4 1 5
4 1 6
4 1 7
4 1 8
4 1 9
4 2 0
4 2 1
4 2 2
4 2 3
4 2 4
4 2 5
4 2 6
4 2 7
4 2 8
4 2 9
NAME PAGE
制御回路
CONTROL CIRCUIT
24
4
TITLE TYPE
トレイユニットM
TRAY UNIT M
NXT
DRAWING No.
24
4
M1
RE03155
4 3 0
SECRET
+24VA
+24VA
+24VA
+24VA
+24VA1
+24VA1
+24VA1
+24VA1
GA
GA
GA
GA
GA
GA
+24VA2
GA
GA
+24VA1
GA
+24VA1
GA
GA
GA
+24VA
+24VA3
GA
GA
GA
+24VA1
+24VA1
GA
+24VA +24VA4
GA
(M1F1)
(2A)
FU1/M1
(M1F2)
(3.2A)
FU2/M1
(M1CR1X)
3 4
7
(M1F3)
(3.2A)
FU3/M1
+24VA
GA
1
2
シーケンサ
(M1PLC1)
PORT2
5V 1
TXD 2
RXD 3
RTS 4
CTS 5
RXD- 6
0V 7
0V 8
TXD+ 9
TXD- 10
RTS+ 11
RTS- 12
RXD+ 13
CTS+ 14
CTS- 15
3
AP5/M1
CN1
1 (NC)
3 TXD
2 RXD
4 (NC)
5 SG
6 (NC)
8 CTS
7 RTS
9 (NC)
コンベアコントロール基板
(M1PCB4)
ケース
1
4
1
CN2
2
4
+
-
G
LG
V0
V1
V2
V3
C0
C0
C1
C2
C3
C4
上側端子台(電源及び出力)下側端子台(入力)
AP4/M1
CN5
CN4
1
トレイユニットM制御基板
(M1PCB5)
CN22
2
3 3
センサー,SOL,JOG操作BOX,信号出力,用
CN16
1
2
13
14
C0
C1
増設入力モジュール
(M1I/O1)
V0
V1
増設出力モジュール
(M1I/O2)
C0
CN17
1
SOL,ブレーキ用
FH1293**
RUN STOP
TERM
ケース