AJ72204.pdf - 第8页
6 0 1 6 0 2 6 0 3 6 0 4 6 0 5 6 0 6 6 0 7 6 0 8 6 0 9 6 1 0 6 1 1 6 1 2 6 1 3 6 1 4 6 1 5 6 1 6 6 1 7 6 1 8 6 1 9 6 2 0 6 2 1 6 2 2 6 2 3 6 2 4 6 2 5 6 2 6 6 2 7 6 2 8 6 2 9 NAME PAGE 制御回路 CONTROL CIRCUIT 24 6 T I T L E …

5 0 1
5 0 2
5 0 3
5 0 4
5 0 5
5 0 6
5 0 7
5 0 8
5 0 9
5 1 0
5 1 1
5 1 2
5 1 3
5 1 4
5 1 5
5 1 6
5 1 7
5 1 8
5 1 9
5 2 0
5 2 1
5 2 2
5 2 3
5 2 4
5 2 5
5 2 6
5 2 7
5 2 8
5 2 9
NAME PAGE
制御回路
CONTROL CIRCUIT
24
5
TITLE TYPE
トレイユニットM
TRAY UNIT M
NXT
DRAWING No.
24
5
M1
RE03155
5 3 0
SECRET
GA
+24VA2
トレイユニットM制御基板
(M1PCB5)
CN36
1
2
CN37
1
2
CN39
1
2
CN40
1
2
SPARE
SPARE
SPARE
SPARE
SPARE
SPARE
AP5/M1
SPARE
SPARE
CN42
1
SPARE
2
SPARE
FH1293**

6 0 1
6 0 2
6 0 3
6 0 4
6 0 5
6 0 6
6 0 7
6 0 8
6 0 9
6 1 0
6 1 1
6 1 2
6 1 3
6 1 4
6 1 5
6 1 6
6 1 7
6 1 8
6 1 9
6 2 0
6 2 1
6 2 2
6 2 3
6 2 4
6 2 5
6 2 6
6 2 7
6 2 8
6 2 9
NAME PAGE
制御回路
CONTROL CIRCUIT
24
6
TITLE TYPE
トレイユニットM
TRAY UNIT M
NXT
DRAWING No.
24
6
M1
RE03155
6 3 0
SECRET
PX002
PX003
+24VA2
+24VA2
PX000
PX001
+24VA2
GA
PX000
PX001
PX002
PX003
+24VA2
PX002
GA
GA
PX003
GA
I
O
IN00
I
O
IN01
I
O
IN02
I
O
IN03
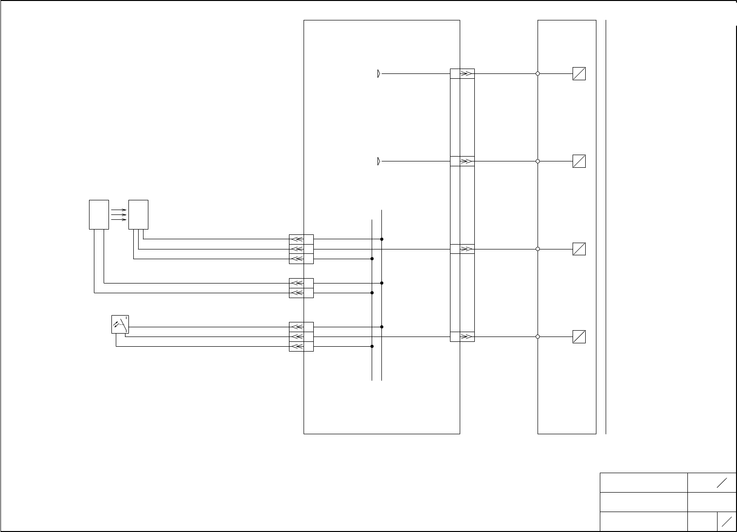
(M1LS3)
D-ON
SQ3/M1
ADDRESS
117
ADDRESS
124
X0
GA
SPARE
デバイス供給要求入力
書込み要求入力
X1
SPARE
トレイ有無確認
X2
SPARE
クラッチON確認
X3
SPARE
青 BLU
黒 BLK
(M1LS2T) (M1LS2R)
D-ON
SQ2/M1
2
CN10
3
3
2
トレイユニットM制御基板
(M1PCB5)
AP5/M1
1
1
シーケンサ
(M1PLC1)
2
3
CN4
4
5
茶 BRW
CN28
1
2
茶 BRW
青 BLU
茶 BRW
黒 BLK
青 BLU
CN11
FH1293**

7 0 1
7 0 2
7 0 3
7 0 4
7 0 5
7 0 6
7 0 7
7 0 8
7 0 9
7 1 0
7 1 1
7 1 2
7 1 3
7 1 4
7 1 5
7 1 6
7 1 7
7 1 8
7 1 9
7 2 0
7 2 1
7 2 2
7 2 3
7 2 4
7 2 5
7 2 6
7 2 7
7 2 8
7 2 9
NAME PAGE
制御回路
CONTROL CIRCUIT
24
7
TITLE TYPE
トレイユニットM
TRAY UNIT M
NXT
DRAWING No.
24
7
M1
RE03155
7 3 0
SECRET
PX006
PX007
PX004
PX005
GA
GA
+24VA2
+24VA2
+24VA2
+24VA2
+24VA2
PX004
GA
+24VA2
PX005
+24VA2
GA
+24VA2
PX007
+24VA2
PX006
GA
PX004
PX005
PX006
PX007
PX005
I
O
IN04
I
O
IN05
I
O
IN06
I
O
IN07
(M1PBPL1)
SBHL1/M1
(M1LS4)
D-ON
SQ4/M1
(M1LS11)
L-ON
SQ11/M1
ADDRESS
218
(M1LS5)
11 42
SQ5/M1
(M1CR1X)
KA1X/M1
8 1
D1
PL1
A K
R22
a b
4
トレイユニットM制御基板
(M1PCB5)
GA
CN4
6
X4
7
X5
8
X6
9
X7
AP5/M1
クラッチOFF確認
SPARE
正面扉閉じ確認
SPARE
供給予約SW入力
SPARE
シーケンサ
(M1PLC1)
マガジン扉閉じ確認
SPARE
茶 BRW
黒 BLK
青 BLU
CN12
1
2
3
CN27
1
2
CN31
1
2
3
CN25
1
2
茶 BRW
黒 BLK
青 BLU
FH1293**
2.2K 1/2W