SM481_PLUS_TRM(Ver2.0_CS20.11) - 第130页
Page +$1:+$ 11 4 SM481 PLUS AXIO BD#1(1/4) AXIO BD #1 BOARD CN1 CN2 01 02 03 04 01 02 03 04 01 02 03 04 SAFTY CONTROL 01 02 03 04 CN27 SM48_SC007 CN6 CN5 13 14 15 16 1 2 ~ 20 11 12 1 2 9 8 7 20 A1 A2 A3 A4 A5 A6 A7 A8 A9…

Page
+$1:+$
113
SM481
PLUS
SM481 PLUS Harness Wiring Diagram (6/6)
DOCKING CART
FBLD
FBRD
FEEDER IO BOARD
FEEDER INPUT EXT BOARD
AM03-001738E
J91741071A
CN1
CN11
SM_FD01
J9080857B
AM03-006346A
AM03-006345A
DEVICENET
PW
DEVICENET
SM421N_FD024_DC
AM03-001746A
SM421N_FD025_DC
AM03-001747A
SM421N_DC003
AM03-001738E
JK1
JK2
JK3
JK4
JK5
JK6
JJ1
JJ2
JJ3
JJ4
JJ5
JJ6
JK1
JK2
JK3
JK4
JK5
JK6
JJ1
JJ2
JJ3
JJ4
JJ5
JJ6
CN5 CN7
SM_FD012
J9080852D
CN6 CN8
SM_FD014
J9080854C
CN5
SM_FD013
J9080853B
SM_FD015
J9080855B
CN3
DEVICENET RIGHT
DEVICENET LEFT
CN3
CAN
CN4
FEEDER IO BD 24V
CN10
F/R DOCK SIG
DCART-PW
DEVICE-EX(D-SUB 15PIN)
TO IT WORKSTATION
CONNECTOR
1
5
9
14(+)
13(-)
2
6
10
3
7
11
4
8
12
D-NET-CAN
SM411N_DC004
AM03-001748D
1
4
(5~8)
RELAY #1
1
3
5
8(+)
7(-)
2
4
6
1
3
5
8(+)
7(-)
2
4
6
RELAY #2
RELAY #3
FD-CN13
CN7
FD-CN13-EX
FD-CN7-EX
SM411N_FD001_DC
AM03-001739A
FD-CN13-EX
SM411N_FD002_DC
AM03-001540B
PW
SM411N_DC005
AM03-003463B
SM411N_DC005
AM03-003463B
(9~12)
D24V/F24V
D24V
F24V
F24V
D24V
D24V
D24V
F24V
F24V
D24V/F24V
D24V/F24V
SM411N_DC007
AM03-006455B
SM411N_DC008
AM03-023728A
RY#1 1-2,3-4 SHORT
FD_CN4
SM411N_DC006
AM03-006535B
RELAY #1 -1
RELAY #1 -4
SM41N_FD016_DC
AM03-001745C

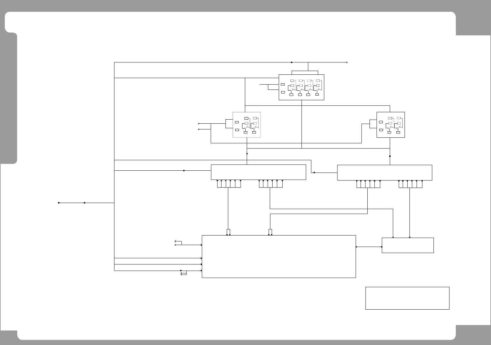
Page
+$1:+$
114
SM481
PLUS
AXIO BD#1(1/4)
AXIO BD #1
BOARD
CN1
CN2
01
02
03
04
01
02
03
04
01
02
03
04
SAFTY CONTROL
01
02
03
04
CN27
SM48_SC007
CN6
CN5
13
14
15
16
1
2
~
20
11
12
1
2
9
8
7
20
A1
A2
A3
A4
A5
A6
A7
A8
A9
A10
B1
B2
B10
AXIO BD #1
BOARD
CN7
1
3
6
2
4
6
8
30
7
9
11
A1
A3
A5
A7
A9
A11
B1
B2
SM481_AX006
AXIS SENSOR
BOARD
CN10
BOARD
AXIS SENSOR
BOARD
CN9
1
2
3
4
5
6
7
8
2
3
4
PCIE ADAPTER #1
PC RACK
SM48_AX005-1
KEL 30P
A1
A2
A3
A4
A5
A6
A7
A8
A9
A10
B1
B2
B10
11
12
1
2
9
8
7
20
13
14
15
16
1
2
~
20
1
2
3
4
HD_SOL
SM481_AX008
1
3
6
2
4
6
8
30
7
9
11
2
3
4
2
3
4
1
5
1
2
3
4
1
2
3
4
SM481_AX006-1
1
2
3
4
5
6
7
8
A1
A3
A5
A7
A9
A11
B1
B2
SM48_AX005
Y11_HOME
Y11_HOME
Y11_NL
Y12_HOME
Y12_PL
Y12_NL
WD_H
24G
24G
24G
+24V
+24V
24G
+24V
2
3
4
1
5
2
3
4
1
5
2
3
4
1
5
24G
+24V
X_-L/S
X_+L/S
X_HOME
SM481 FL002
L
-
OUT
+
L
-
OUT
+
SM481_AX002
1
2
3
4
3
4
7
8
6
5
2
1
HD_SOL
1
2
3
4
H1H4-VAC
1
2
3
4
24G
24G
+24V
+24V
SM48_SC007
1
2
3
4
1
2
3
4
SACO B/D
CN28
X_-L/S
X_+L/S
X_HOME
9
11
2
4
7
5
3
1
1
2
3
4
H5H10-VAC
6
8
10
12
9
11
2
4
7
5
3
1
6
8
10
12
13
15
14
16
H6-VAC
H5-VAC
H10-BLOW
H9-BLOW
H7-VAC
H8-VAC
H9-VAC
H10-VAC
H8-BLOW
H7-BLOW
H6-BLOW
H5-BLOW
H4-VAC
H3-VAC
H4-BLOW
H3-BLOW
9
11
2
4
7
5
3
1
6
8
10
12
13
15
14
16
AXIO BD #2
BOARD
CN5
H6-VAC
H5-VAC
H10-BLOW
H9-BLOW
H7-VAC
H8-VAC
H9-VAC
H10-VAC
H8-BLOW
H7-BLOW
H6-BLOW
H5-BLOW
9
11
2
4
7
5
3
1
6
8
10
12
A5
A6
B1
B2
A4
A3
A2
A1
B3
B4
B5
B6
A5
A6
B1
B2
A4
A3
A2
A1
B3
B4
B5
B6
HEAD IF B/D
CN4
3
4
7
8
6
5
2
1
B1
B2
B3
B4
A4
A3
A2
A1
HEAD IF B/D
CN5
B1
B2
B3
B4
A4
A3
A2
A1
H4_VAC
H3_VAC
H2_VAC
H1_VAC
H4_BLOW
H3_BLOW
H2_BLOW
H1_BLOW
AXIO BD #1
BOARD
CN3
A1
A2
A3
B1
B2
B3
A1
A2
A3
B1
B2
B3
A1
A2
A3
B1
B2
B3
A1
A2
A3
B1
B2
B3
FIX ILL BD
CN2
CAN_H
CAN_L
/IO_RESET
24GND
12V GND
+12V
SM481_AX008-1
SM481_VI006
SM481_FL001
#11
SM481 FL002
#11
1
2
4
5
6
7
8
9
10
7
11
1
SM48_CA106
12
3

Page
+$1:+$
115
SM481
PLUS
AXIO BD#1(1/4)
NO. Lev. PART NO. PART NAME Q'TY Old No. Supply Supply LT Reference
1 AM03-006922A CABLE ASSY-AXIS1_HD_POWER 1 SM48_SC007
2 AM03-006920A CABLE ASSY-AXIS_SNS_BD_CN10 1 SM48_AX005-1
3 AM03-021133A CABLE ASSY-FLAT CABLE 1 1 AM03-007150C / AM03-021133A SM481_FL001
4 AM03-007484A CABLE ASSY-CABLE ASSY-HD_VAC-BLOW_H3-
H10
1 SM481_VI006
5 AM03-007482B CABLE ASSY-CABLE ASSY-HD_VAC-BLOW_CTRL 1 AM03-007482A SM481_AX008-1
6 AM03-007047B CABLE ASSY-CABLE_ASSY-AXIO_CN5 1 AM03-007047A SM481_AX008
7 AM03-007151D CABLE ASSY-FLAT CABLE 2 1 AM03-007151A / AM03-007151C SM481 FL002
8 AM03-007046A CABLE ASSY-CABLE_ASSY-AXIO_CN7_9 1 SM481_AX006
9 AM03-006919A CABLE ASSY-AXIS_SNS_BD_CN9 1 SM48_AX005
10 AM03-007080B CABLE ASSY-CABLE_ASSY-X_LIMIT_& HD_PWR 1 AM03-007080A SM481_AX006-1
11 AM03-015580A CABLE ASSY-X AXIS SENSOR CABLE ASSY 1 AM03-007483A SM481_AX002