SM481_PLUS_TRM(Ver2.0_CS20.11) - 第187页
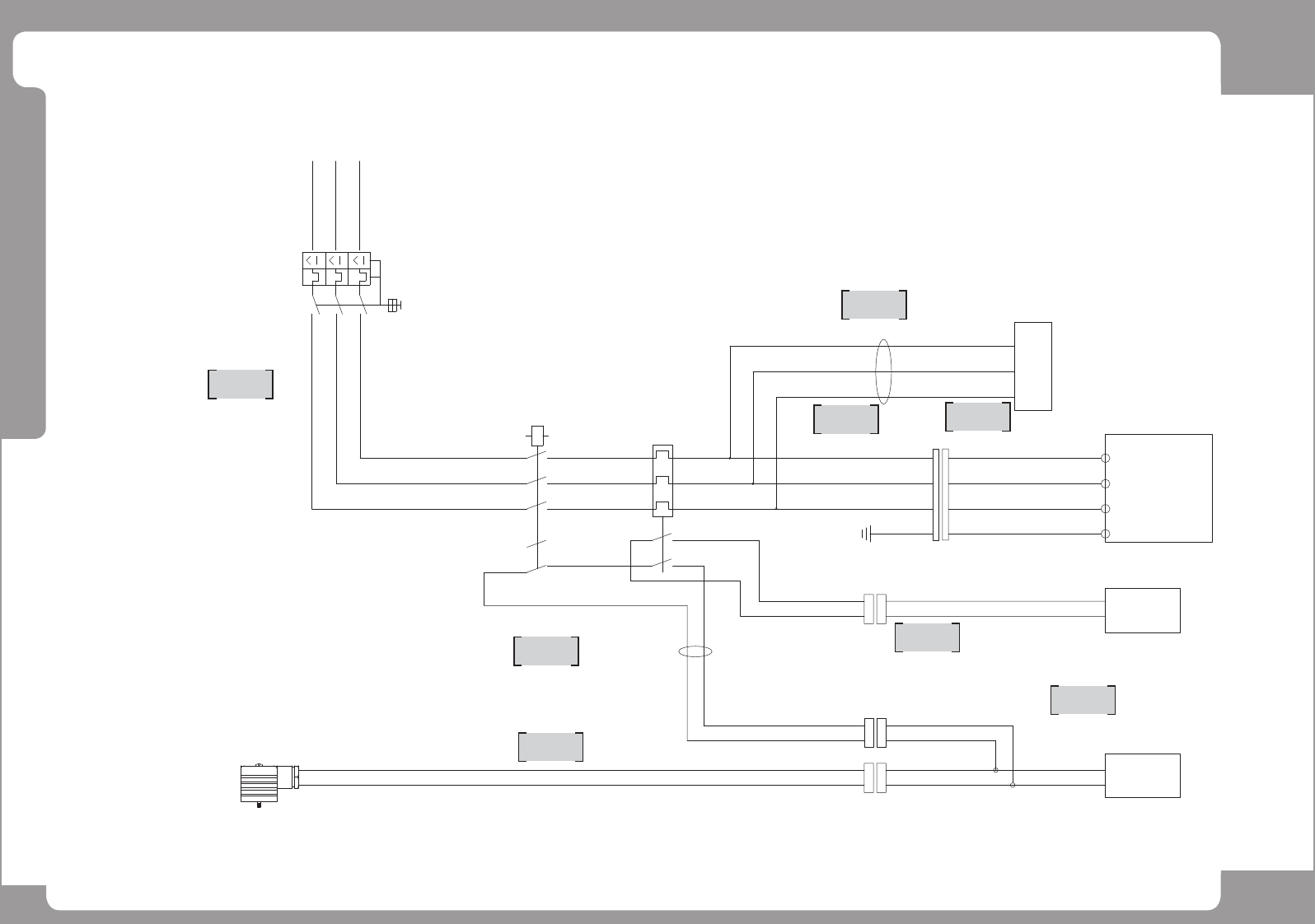
Page +$1:+$ 171 SM481 PLUS Power Block Diagram(2/8) NO. Lev . PA R T N O . P ART NAME Q'TY Old No. Supply Supply L T Reference 1 AM03-014909A CABLE ASSY -MC_INPUT_220V 1 AM03-006962A / AM03-0 14909A SM48_PW040 2 AM0…

Page
+$1:+$
170
SM481
PLUS
Power Block Diagram(2/8)
3
5
U
V
W
PE
1
3
+24V
HD MAIN AIR
VACUUM AIR SOL CONNECTOR
VACUUM PUMP ALARM
GND
VACUUM PUMP ALARM
GND
+24V
VACUUM PUMP PWR
PE3
-MC2
(TH-N12)
VACUUM
PUMP
SK
SM48_PW040
SM471-PW041
SM471_PW042-1
3P-C16
-CP2
SM471_PW042
CV-CN12
SM471_PW146-1
SM471_PW146
CV-CN15
SM471_PW147-1
SM48_PW147
1
3
5
2
4
6
2
4
6
97
95
98
96
13
A1
14
A2
135
246
2
3
4
1
5
6
7
8

Page
+$1:+$
171
SM481
PLUS
Power Block Diagram(2/8)
NO. Lev. PART NO. PART NAME Q'TY Old No. Supply Supply LT Reference
1 AM03-014909A CABLE ASSY-MC_INPUT_220V 1 AM03-006962A / AM03-014909A SM48_PW040
2 AM03-014851A CABLE ASSY-SK 1 AM03-005510A SM471-PW041
3 AM03-014906B CABLE ASSY-VACUUM_PUMP_PWR_EXT 1 AM03-005767A / AM03-014906A SM471_PW042-1
4 AM03-014905A CABLE ASSY-VACUUM_PUMP_220V 1 AM03-005511A/ AM03-005511B SM471_PW042
5 AM03-014907B CABLE ASSY-PUMP_PWR_ALARM-EXT 1 AM03-005701A / AM03-014907A SM471_PW147-1
6 AM03-005698A CABLE ASSY-VACUUM_PWR 1 SM471_PW146
7 AM03-006964A CABLE ASSY-PUMP_PWR_ALARM 1 SM48_PW147
8 AM03-005699A CABLE ASSY-VACUUM_EJECTOR_PWR 1 SM471_PW146-1

Page
+$1:+$
172
SM481
PLUS
Power Block Diagram(3/8)
12
4 3
6
87
5
RY1
12
4 3
6
87
5
RY2
12
4 3
6
87
5
RY3
12
4 3
6
87
5
RY4
12
4 3
6
87
5
RY5
12
4 3
6
87
5
RY6
12
4 3
6
87
5
RY7
12
4 3
6
87
5
RY8
12
4 3
6
87
5
RY9
12
4 3
6
87
5
RY10
+24V
GND
FFD-CN13
FD-CN13-EX
+24V
GND
RFD-CN13
FD-CN13-EX
+24V
F-FB-L
GND
24G-EX-1
+24V
F-FB-R
GND
24G-EX-2
+24V
R-FB-L
GND
24G-EX-3
+24V
R-FB-R
GND
24G-EX-4
FFD-CN7
FD-CN7-EX
RFD-CN7
FD-CN7-EX
+24V
SC-EN1
SC-CN1
AC 1L1
AC 1L2
T2L
2
4
GND
GND
GND
GND
+24V
+24V
+24V
SC-EN2
SC-CN2
SM48_FD002
SM48_FD003
SM48_FD004
SM48_FD005
SM48_FD006
SM48_FD007
SM48_FD008
SM411N_FD001
SM48_PW032
SM48_PW033
SM48_PW135
SM48_PW006
SM41_PW034
SM48N_PW202
SM48N_PW202
SM48N_PW005
2C
10C
4C
9A
1
2
3
4
5
6
7
8
9
10
11
12
13
16
15
14